HOME
ASK A QUESTION
REPAIR GUIDES
BECOME A MEMBER
LOG IN
Login with Facebook
OR
Remember me
NOT A MEMBER?
FORGOT PASSWORD?
CONTACT US
PRIVACY POLICY
TERMS AND CONDITIONS
☰
Home
Nissan
Murano
Body
Windshield
Replace/Remove
Windshield pump failure
PORTALANZA
MEMBER
2005 NISSAN MURANO
6 CYL
2WD
AUTOMATIC
64,000 MILES
How to replace the windshield pump and where do I find the fuse related to the pump?
Friday, February 25th, 2011 AT 9:53 PM
1 Reply
KEN L
MASTER CERTIFIED MECHANIC
55,322 POSTS
Hello,
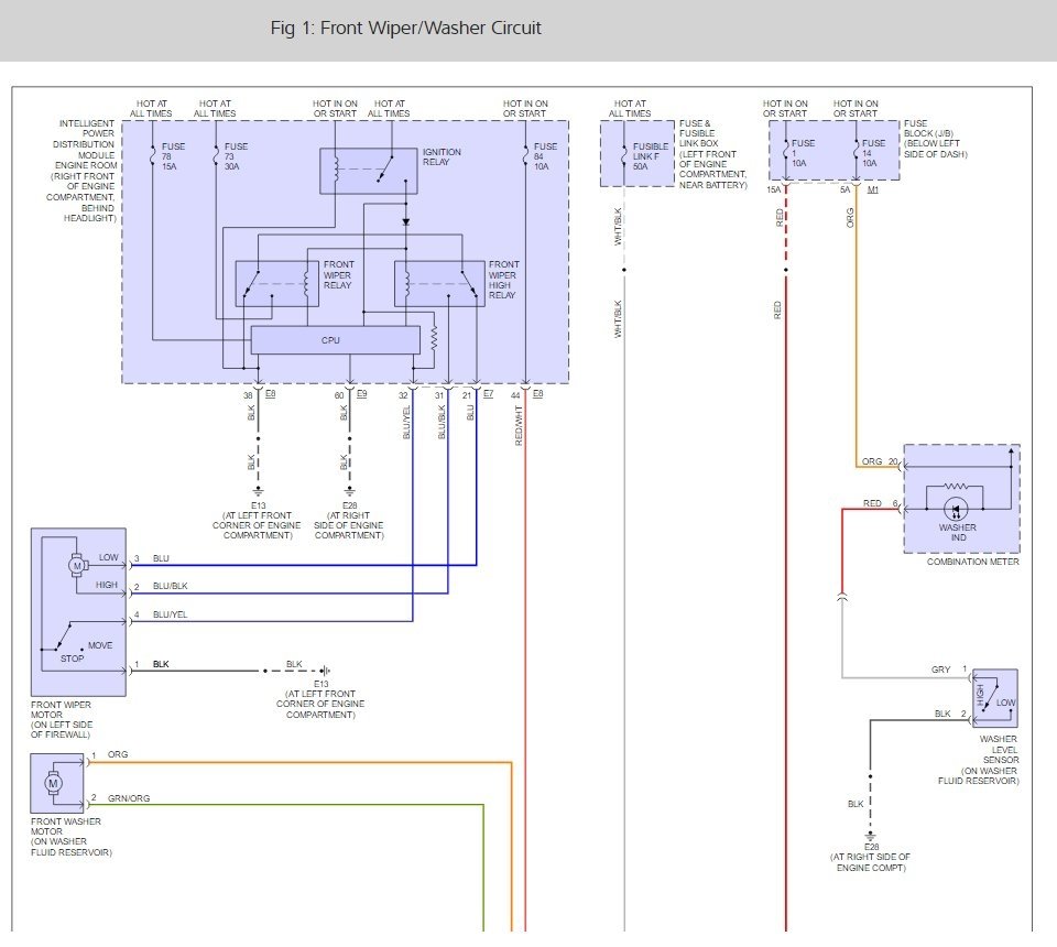
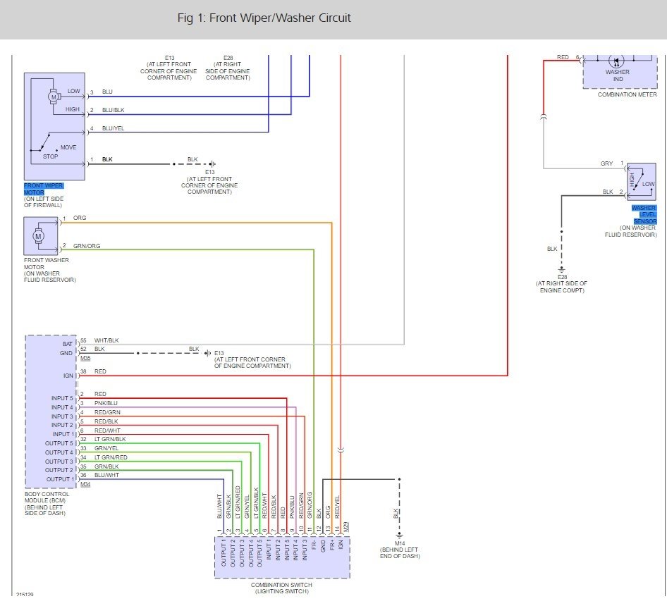
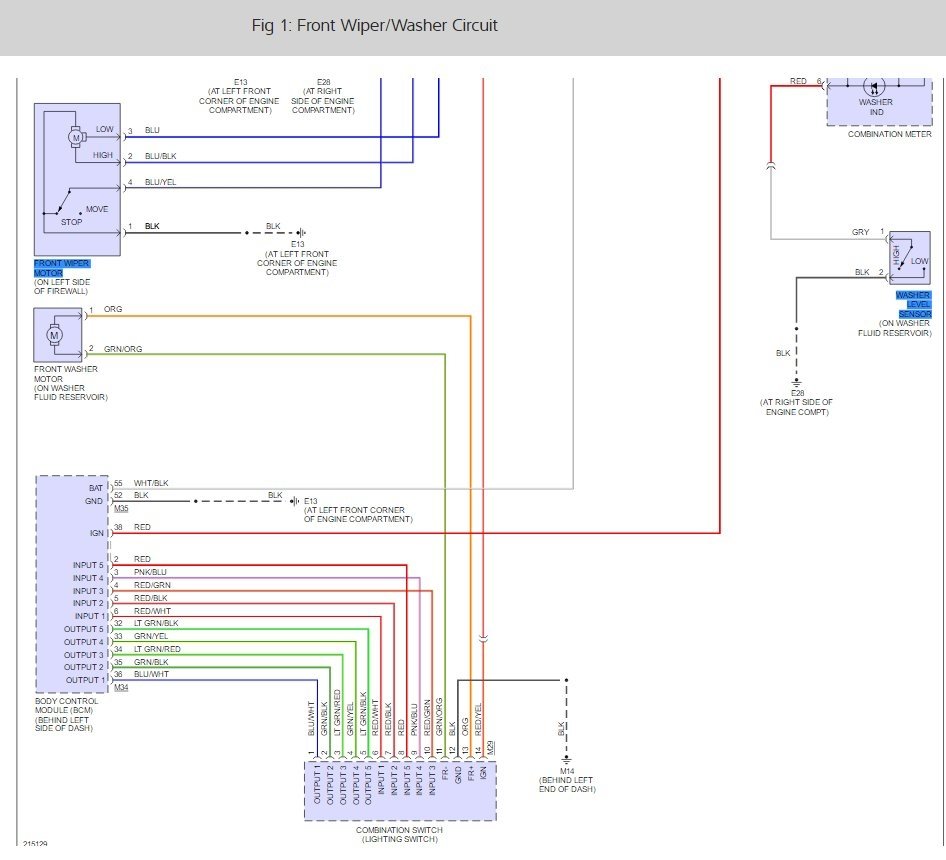
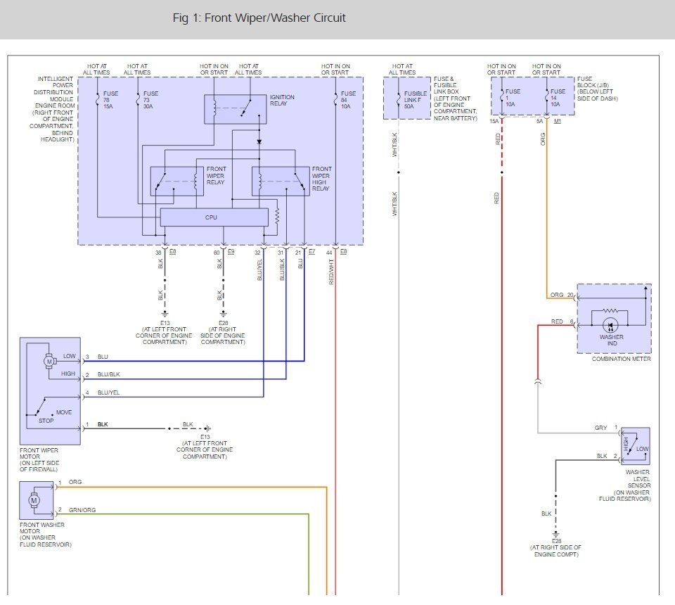
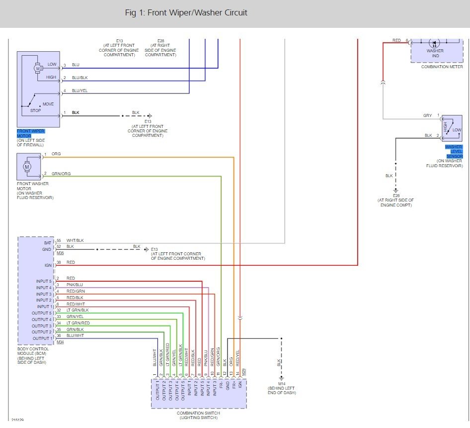
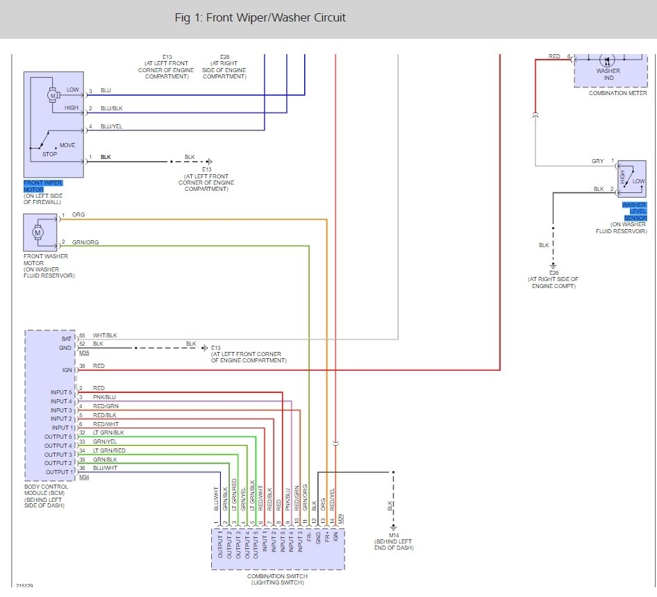
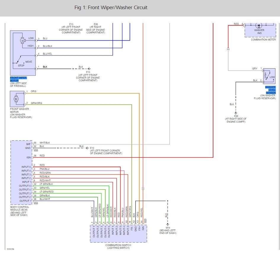
The fuse is number 84 in the fuse panel, here is a wiring diagram and a location diagram with a couple of guides to help you get the problem fixed.
https://www.2carpros.com/articles/how-to-check-a-car-fuse
and
https://www.2carpros.com/articles/how-to-use-a-test-light-circuit-tester
and
https://www.2carpros.com/articles/how-to-replace-a-windshield-washer-pump
Please let us know if you need anything else to get the problem fixed.
Best, Ken
Images (Click to make bigger)
Was this
answer
helpful?
Yes
No
Tuesday, April 18th, 2017 AT 4:04 PM
Please
login
or
register
to post a reply.
Related Windshield Replace/Remove Content
2004 Nissan Murano Door Painted Now 3 Of 4 Door Locks...
Had A Scratch On My Driver Door - Took To Professional Auto Body Shop Who Removed The Door Handle And Mirror To Paint The Door--- Picked Up...
Asked by
Keikolady
·
1 ANSWER
2004
NISSAN MURANO
Ask a Car Question. It's Free!