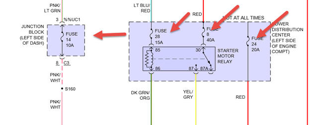
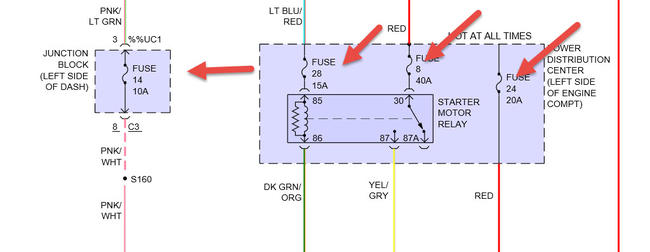
Thursday, November 19th, 2015 AT 10:30 AM
I drove the Jeep in the afternoon with no problems. Later that evening when I went to start it there was no power. Not even the dome light came on. I pulled the battery and connected it to a charger but it read fully charged after about 3 minutes.


