Sunday, May 20th, 2012 AT 9:13 AM
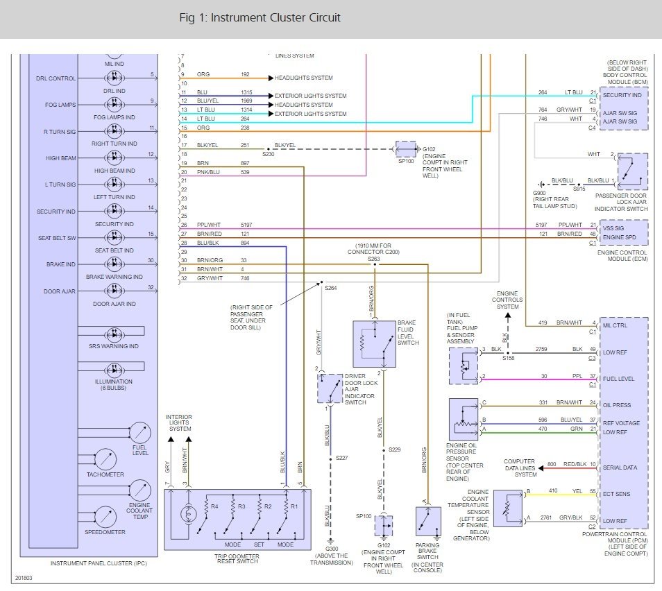
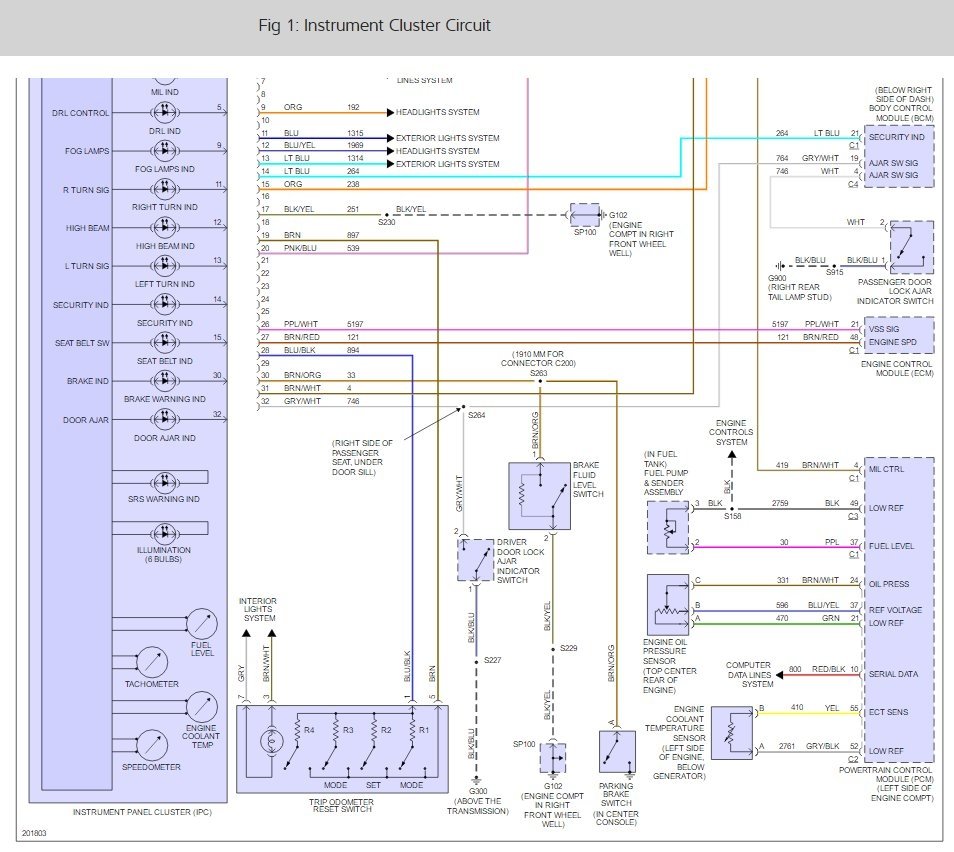
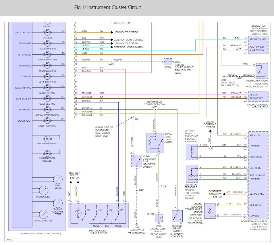
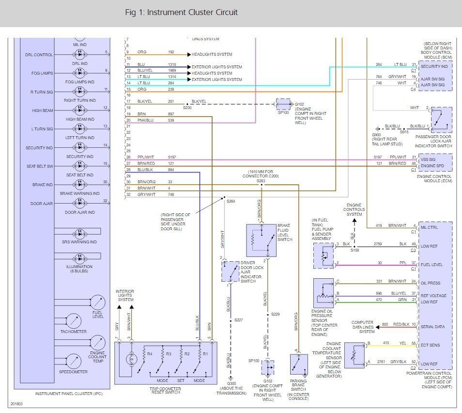
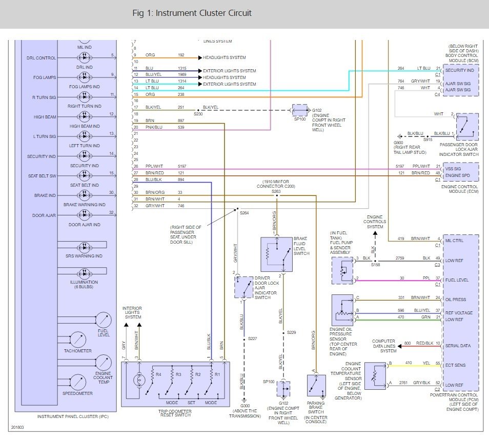
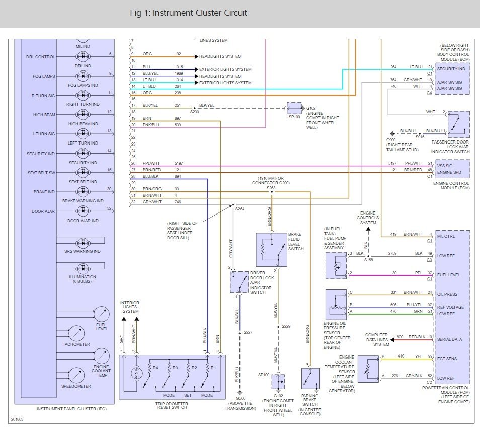
Temp, tacho speedo and the fuel gauges. They are siting on running in the middle but digital speedo works. My car is a Holden commodore vz. Also a pad lock light appears some times




