Fuse panel - No power to the windows

Tiny
EXHARLEYMAN
  • MEMBER
  • 2005 FORD TAURUS
  • 115,000 MILES
No power to the windows where are the fuses and how do I check them?
Tuesday, January 8th, 2013 AT 1:46 PM

15 Replies

Tiny
JACOBANDNICKOLAS
  • MECHANIC
  • 110,192 POSTS
Hi,

If you look at the attachments below, they provide the fuse box orientations and what each fuse is for.

In addition to just checking a fuse, make sure there is power to it. A fuse may be good and not be receiving power.

Here is a link that you may find helpful when testing:

https://www.2carpros.com/articles/how-to-check-a-car-fuse

I hope this helps. Let me know if you have additional questions.

Take care,

Joe

See pics below.
Was this
answer
helpful?
Yes
No
-1
Monday, June 21st, 2021 AT 10:57 PM
Tiny
RAMIREZ351
  • MEMBER
  • 1 POST
  • 2003 FORD TAURUS
  • 104,000 MILES
At the fuse box I see numbers, I would like to know what fuse or relay controls car components. Thank you
Was this
answer
helpful?
Yes
No
Wednesday, July 28th, 2021 AT 2:32 PM (Merged)
Tiny
KEN L
  • MASTER CERTIFIED MECHANIC
  • 55,281 POSTS
Hey RAMIREZ351

Here are the locations and descriptions of the fuses and relays that you need to get the problem fixed. See the images below:

On the back of the fuse box cover there is a diagram for the fuse layout. It is sometimes hard to orient it to the fuse layout so use spare fuses, large fuses and relays to orient to diagram to the fuse box.
I am giving you the power distribution wiring diagrams which is the closest thing I have to a layout.

Please let me know if you need anything else to get the problem fixed.

Best, Ken
Was this
answer
helpful?
Yes
No
-2
Wednesday, July 28th, 2021 AT 2:32 PM (Merged)
Tiny
FORDWORKER
  • MEMBER
  • 1 POST
  • 2003 FORD TAURUS
  • 6 CYL
  • FWD
  • AUTOMATIC
  • 141 MILES
In ford taurus se 2003 is there a fuse for the radio and cassette and where it is located. There is no power at all in my radio and cassete.
Was this
answer
helpful?
Yes
No
Wednesday, July 28th, 2021 AT 2:32 PM (Merged)
Tiny
KEN L
  • MASTER CERTIFIED MECHANIC
  • 55,281 POSTS
Hello,

The radio fuses (6) are located in the fuse panel, here is a guide and a few fuse box diagrams (below) # 27, 17, 11, 37, 16

https://www.2carpros.com/articles/how-to-check-a-car-fuse

And here is the wiring for the radio in case you wanted to test a little deeper as well (below)

Please let us know if you need anything else to get the problem fixed.

Cheers, Ken

(If this post doesn't help please hit the down vote and leave a comment.)
Was this
answer
helpful?
Yes
No
Wednesday, July 28th, 2021 AT 2:32 PM (Merged)
Tiny
NATALIE03
  • MEMBER
  • 1 POST
  • 2002 FORD TAURUS
  • 4 CYL
  • 2WD
  • AUTOMATIC
  • 79,596 MILES
Where is the power windows fuses located on my car listed above 4 door SE model? None of the windows want to work.
Was this
answer
helpful?
Yes
No
+1
Wednesday, July 28th, 2021 AT 2:32 PM (Merged)
Tiny
JACOBANDNICKOLAS
  • MECHANIC
  • 110,192 POSTS
Hi:

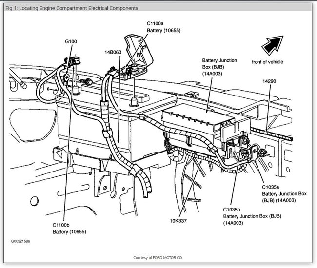
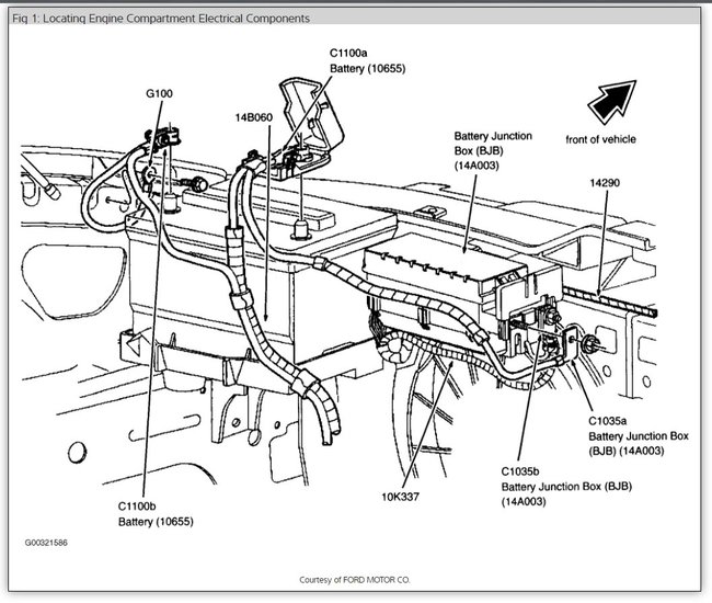
Check the three fuses I circled in the attached picture. They are located in the central junction box in the vehicle,

Note: The fuse panel is located below and to the left of the steering wheel by the brake pedal. Remove the panel cover to access the fuses. In picture 2, I highlighted the fuses in question.

Here are a few links you may find helpful:

https://www.2carpros.com/articles/how-to-check-a-car-fuse

Let me know if this helps.Take care,
Was this
answer
helpful?
Yes
No
Wednesday, July 28th, 2021 AT 2:33 PM (Merged)
Tiny
2CP-ARCHIVES
  • MEMBER
  • 4,540 POSTS
  • 2000 FORD TAURUS
  • 26,500 MILES
Would like a diagram of fuse panel under dash so I can locate fuse for cigar lighter.I do not have the manual.
Thanks Tom
Was this
answer
helpful?
Yes
No
Wednesday, July 28th, 2021 AT 2:33 PM (Merged)
Tiny
JDL
  • MECHANIC
  • 16,098 POSTS
Here is a guide to help you test the fuses and the fuse panel diagrams below.

https://www.2carpros.com/articles/how-to-check-a-car-fuse

Check out the diagrams (Below). Please let us know if you need anything else to get the problem fixed.
Was this
answer
helpful?
Yes
No
Wednesday, July 28th, 2021 AT 2:33 PM (Merged)
Tiny
GDRAGON
  • MEMBER
  • 8 POSTS
  • 2000 FORD TAURUS
  • 3.0L
  • 6 CYL
  • 2WD
  • AUTOMATIC
  • 187,653 MILES
Fuse #37.
Was this
answer
helpful?
Yes
No
Wednesday, July 28th, 2021 AT 2:33 PM (Merged)
Tiny
SCGRANTURISMO
  • MECHANIC
  • 4,897 POSTS
Hello,

Fuse #37(15A) controls the Transmission Position Switch circuit and is located in the Central Junction Box. The Central Junction Box is located in the left side of the instrument panel. I have included the diagrams for the Central Junction Box in the diagrams down below. Let us know if we can help you with anything else.

Thanks,
Alex
2CarPros
Was this
answer
helpful?
Yes
No
-1
Wednesday, July 28th, 2021 AT 2:33 PM (Merged)
Tiny
JAZZYJ1967
  • MEMBER
  • 1 POST
  • 1999 FORD TAURUS
I need the diagram to check and see where all the fuses go, along with voltage of the fuses.
Was this
answer
helpful?
Yes
No
Wednesday, July 28th, 2021 AT 2:33 PM (Merged)
Tiny
KEN L
  • MASTER CERTIFIED MECHANIC
  • 55,281 POSTS
Hi there, here is the diagram as you requested, the best one I have found.

Here is a guide on how to check the fuses:

https://www.2carpros.com/articles/how-to-check-a-car-fuse

Please let us know if you need anything else to get the problem fixed.

Best, Ken
Was this
answer
helpful?
Yes
No
+1
Wednesday, July 28th, 2021 AT 2:33 PM (Merged)
Tiny
WENDALL
  • MEMBER
  • 1 POST
  • 1997 FORD TAURUS
  • 6 CYL
  • FWD
  • AUTOMATIC
  • 72,500 MILES
Battery indicator light on dash lit up intermittently for several days, so tested the charging system, then the battery with a load-test, both of which were good. One morning the battery was dead. Tested circuits for current draw by connecting ammeter between battery terminal and cable while pulling fuses one at a time. Isolated problem to fuse labelled "JCT". What is "JCT" and where should I be looking for this fault?
Was this
answer
helpful?
Yes
No
Wednesday, July 28th, 2021 AT 2:33 PM (Merged)
Tiny
MERLIN2021
  • MECHANIC
  • 17,250 POSTS
Here's the legend for 97 Taurus, find your number and look at these. First two are in car third is under the hood.


https://www.2carpros.com/forum/automotive_pictures/62217_taurusa_1.jpg



https://www.2carpros.com/forum/automotive_pictures/62217_taurusb_1.jpg



https://www.2carpros.com/forum/automotive_pictures/62217_PDC_4.jpg

Was this
answer
helpful?
Yes
No
+1
Wednesday, July 28th, 2021 AT 2:33 PM (Merged)

Please login or register to post a reply.