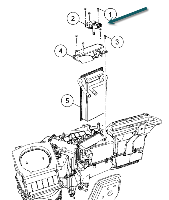
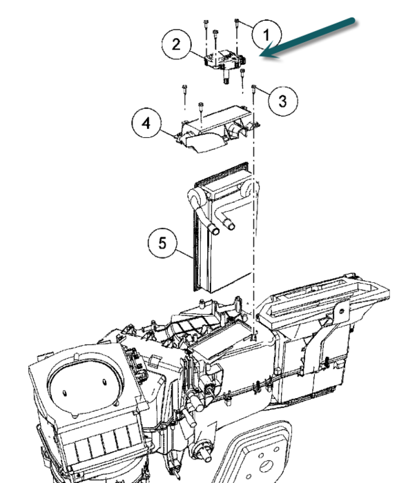
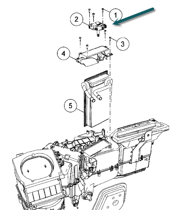
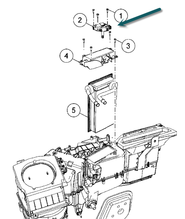
the air only works on low and med not on high but when you change over to heat it only blows cold air not cool but cold as if you didn't change the temp or anything it will change to defrost and everything but still only cold air.
Tuesday, October 23rd, 2012 AT 4:54 PM


