2005 Ford Escape valve cover gasket

Tiny
CJDIY
  • MEMBER
  • 2005 FORD ESCAPE
  • 2.3L
  • 4 CYL
  • AWD
  • AUTOMATIC
  • 140,000 MILES
Need to know step by step to replace valve cover gasket on escape with 2.3l engine
would appreciate video or diagram use to work on older vehicles up to 95 but been out of bussines for a while how much extra stuff on newer vehicle compared to older 4 cyl. Motors
Wednesday, January 15th, 2014 AT 3:51 PM

1 Reply

Tiny
HMAC300
  • MECHANIC
  • 48,601 POSTS
CAUTION:During engine repair procedures, cleanliness is extremely important. Any foreign material, including any material created while cleaning gasket surfaces, that enters the oil passages, coolant passages or the oil pan can cause engine failure.

With the vehicle in NEUTRAL, position it on a hoist. For additional information, refer to JACKING AND LIFTING.
Remove the ignition coil-on-plugs. For additional information, refer to ENGINE IGNITION - 2.3L.
Disconnect the crankcase vent hose.
Remove the 2 coolant vent tube bracket nuts.
Position the vent tube and brackets aside.
Disconnect the camshaft position (CMP) sensor electrical connector.
Disconnect the fuel rail pressure and temperature sensor electrical connector.
Disconnect the cylinder head temperature (CHT) sensor electrical connector.
Disconnect the vacuum tube from the intake manifold.
Detach the pin-type retainer and position the vacuum tube aside.
Remove the 2 accelerator cable bracket nuts.
Position the accelerator cable and brackets aside.
Remove the power steering tube bracket nut.
Position the power steering tube and bracket aside.
Detach all of the wiring harness retainers from the valve cover studs and position the harness aside.
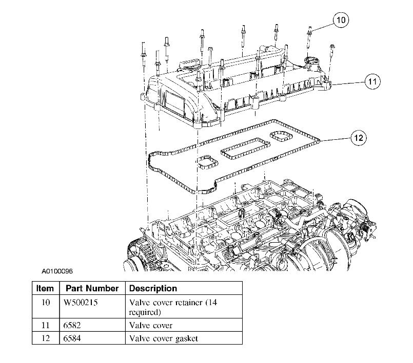
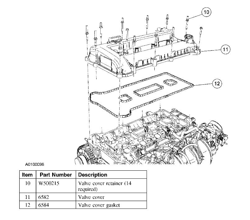
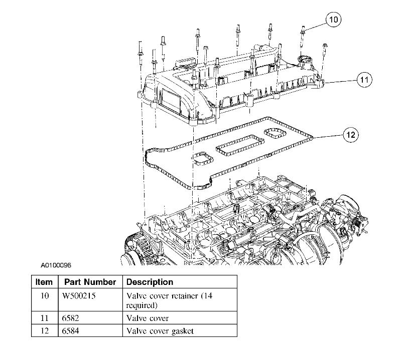
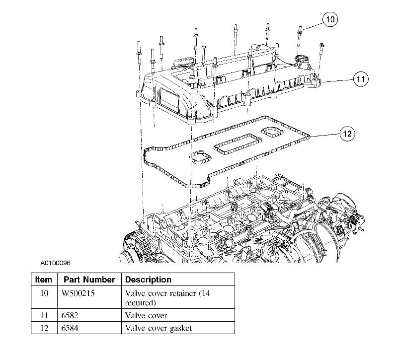
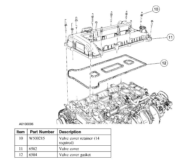
Remove the 14 valve cover retainers, the valve cover and gas
Clean and inspect the sealing surfaces.
NOTE:Clean and inspect the gasket. Install a new gasket, if necessary.

Install the valve cover, gasket and retainers.
Tighten in the sequence shown to 10 Nm (89 lb-in).
Fig. 7: Identifying Bolt Tightening Sequence Of Valve Cover
Courtesy of FORD MOTOR CO.
Position the wiring harness and attach all of the wiring harness retainers to the valve cover studs.
Position the power steering tube and bracket.
Tighten to 6 Nm (53 lb-in).
Position the accelerator control cable and brackets.
Tighten to 6 Nm (53 lb-in).
Attach the vacuum tube and the pin-type retainer to the intake manifold.
Connect the CHT sensor electrical connector.
Connect the fuel rail pressure and temperature sensor electrical connector.
Connect the CMP sensor electrical connector.
Install the coolant vent tube, brackets and nuts.
Tighten to 6 Nm (53 lb-in).
Connect the crankcase vent hose.
Install the ignition coil-on-plugs. For additional information
see pics
Was this
answer
helpful?
Yes
No
+6
Thursday, January 16th, 2014 AT 7:29 AM

Please login or register to post a reply.