Overheating while in idle only

Tiny
CRYSTOLPYSTOL
  • MEMBER
  • 2005 DODGE STRATUS
  • 4 CYL
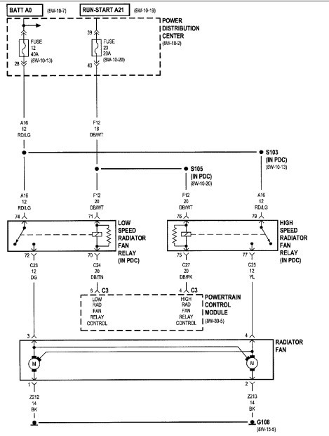
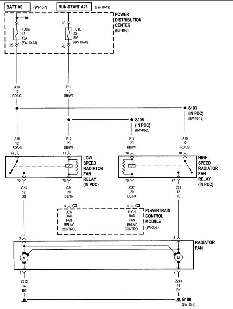
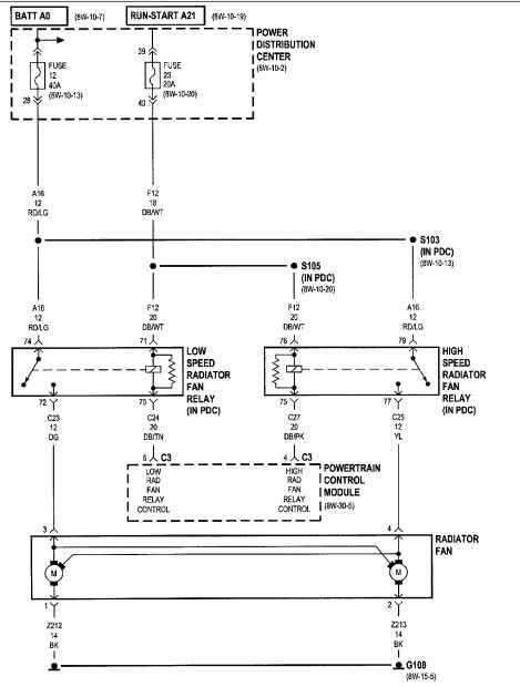
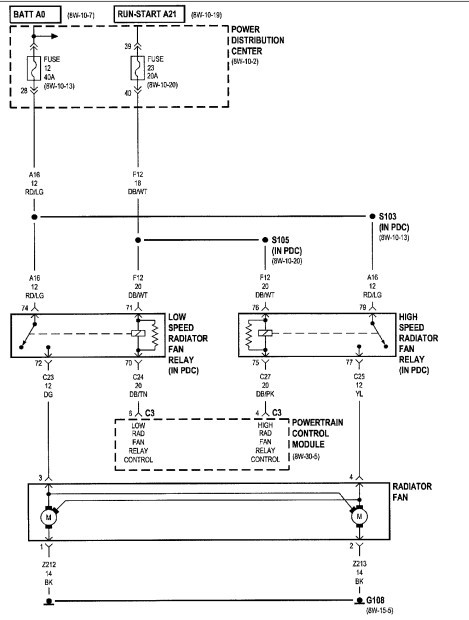
My car is overheating in the idle position only, gage goes back to normal while driving (no ac/heater running, both work fine)I let my car run until the gage started rising I noticed that my Radiator fan is not coming on, how do I check to see whats wrong, before I buy a bunch of un-needed parts? Where would the relay fuses be, and what else should I check before buying new fan? If I need a new fan, do I need to replace all the other components also?
2005 dodge stratus 2.4L
Friday, March 25th, 2011 AT 4:02 PM

1 Reply

Tiny
WRENCHTECH
  • MECHANIC
  • 20,761 POSTS
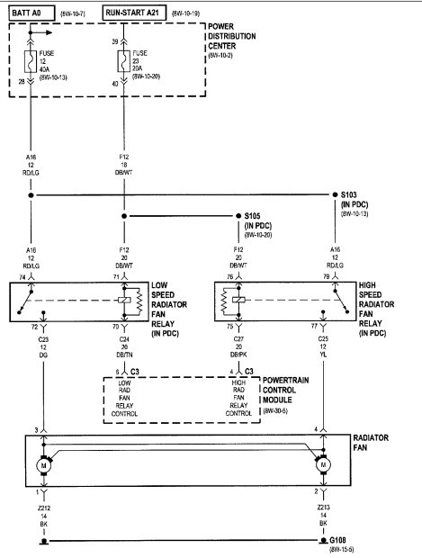
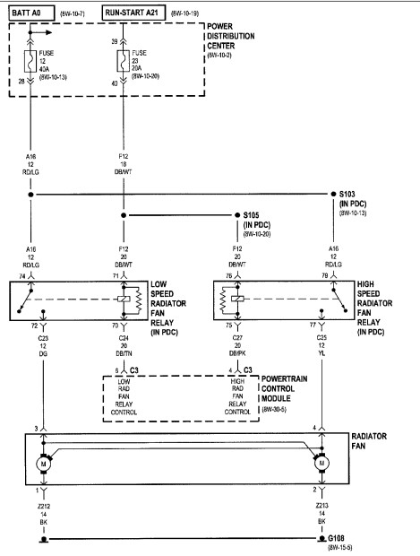
You need to do some testing starting with running power and ground directly to the motor to test it.

This is a dual fan system that has 2 speeds and it's unlikely both speeds or both fans quit at the same time, so the fuses are the first things to look at.
Was this
answer
helpful?
Yes
No
+1
Friday, March 25th, 2011 AT 4:50 PM

Please login or register to post a reply.