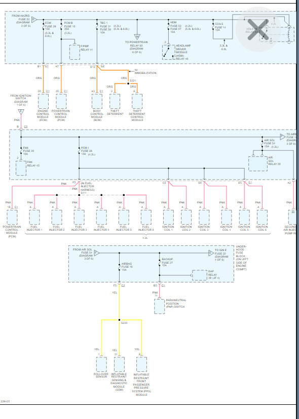
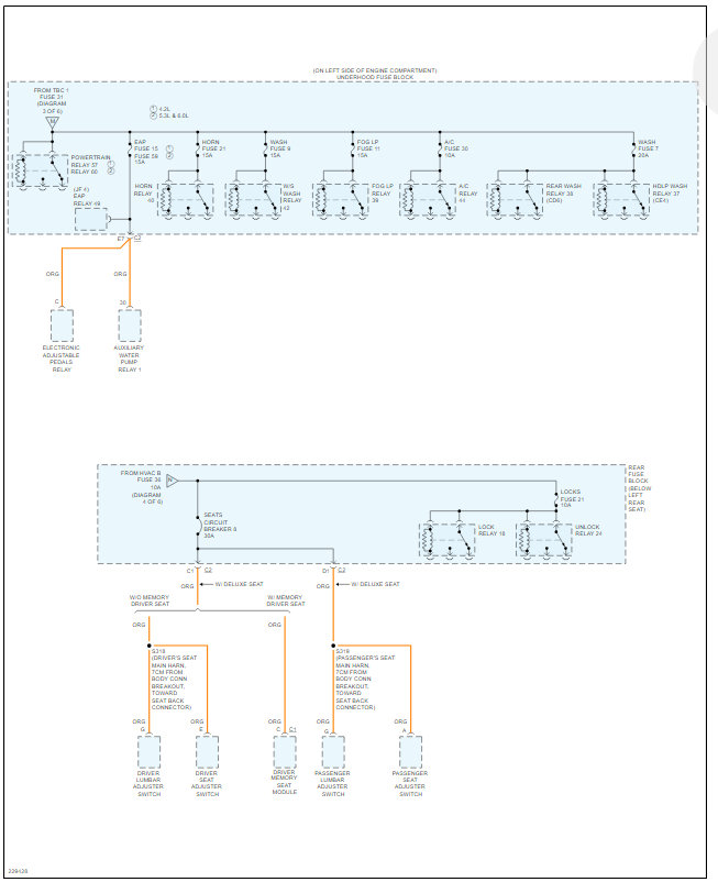
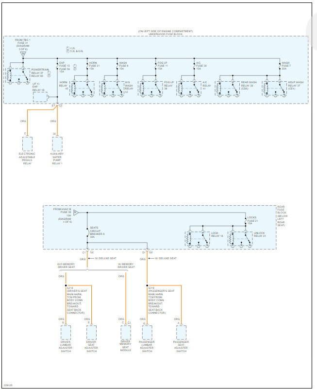
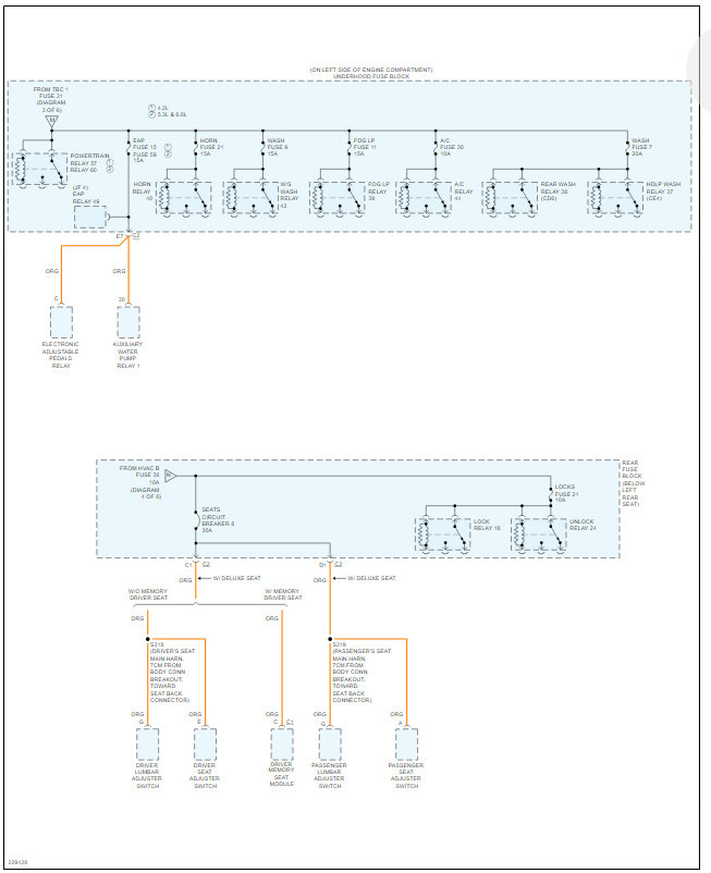
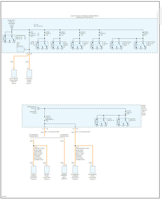
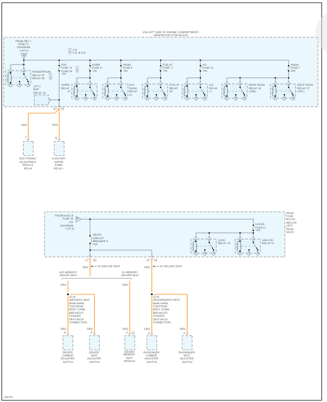
Wednesday, February 13th, 2019 AT 7:02 AM
The interior electrical in the car (power doors and Windows) and the dash as well, stopped working completely. I've changed the 125 amp fuse to No avail. I've tried bypassing the anti-theft using the three times cycling method, still nothing. Then I tried the fob, it chirped, ran to start it up and it did. I then cut it off and tried to restart it, then it went back to making no sound and it won't start again. Please help!










