Engine Coolant Thermostat Replacement (4.2L Engine)
Tools Required
J 38185 Hose Clamp Pliers
Removal Procedure
Remove the necessary coolant from the radiator. Refer to Cooling System Draining and Filling .
Remove the generator. Refer to Generator Replacement .
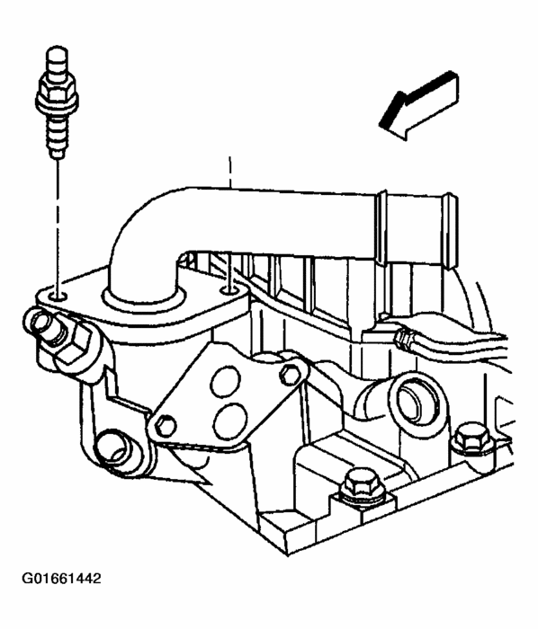
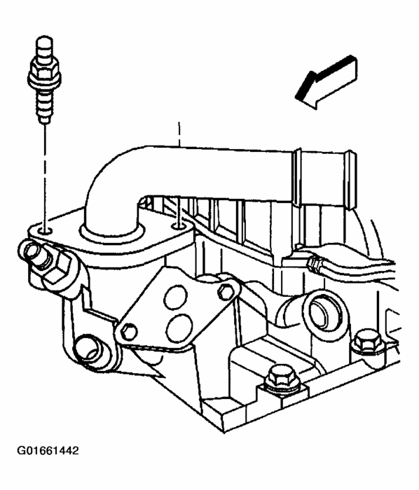
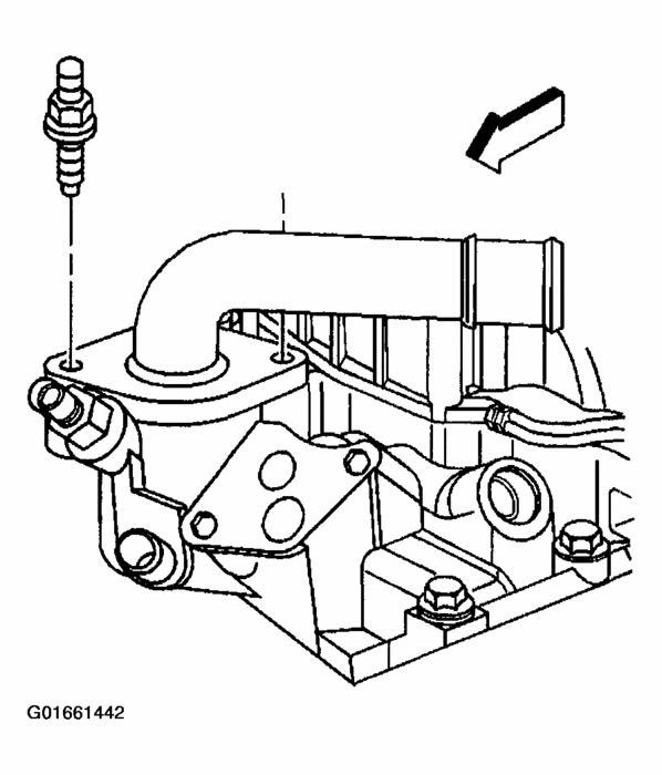
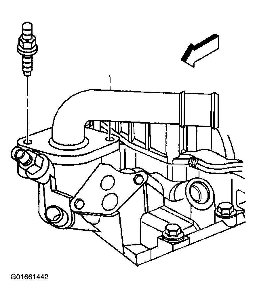
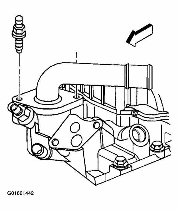
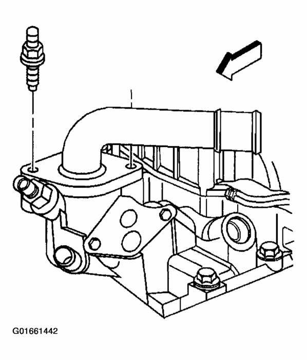
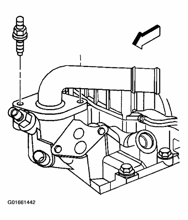
Loosen the outlet hose clamp at the thermostat housing (1). Remove the outlet hose from the thermostat housing.
Remove the thermostat housing bolts.
Remove the thermostat housing from the engine block.
Clean all of the surfaces of the thermostat housing.
Clean the sealing surface of the engine block.
Installation Procedure
Install the thermostat housing to the engine block.
Notice: Refer to Fastener Notice in the Preface section.
Install the thermostat housing bolts.
Tighten
Tighten the bolts to 10 NÂ m (89 lb in).
Lubricate the inner diameter of the radiator hose with engine coolant.
Install the outlet hose to the thermostat housing (1). Secure the hose with the clamp.
Install the generator. Refer to Generator Replacement .
Fill the cooling system with specified coolant and concentration. Refer to Cooling System Draining and Filling .
Inspect all sealing surfaces for leaks after starting the engine.


Wednesday, March 31st, 2021 AT 12:21 PM
(Merged)