Monday, February 6th, 2012 AT 2:14 PM
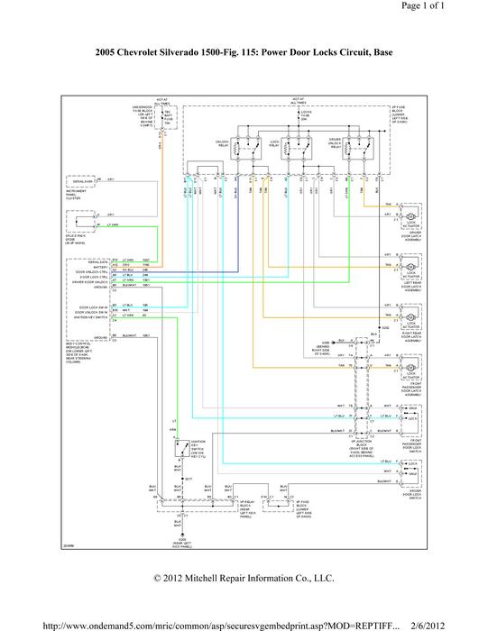
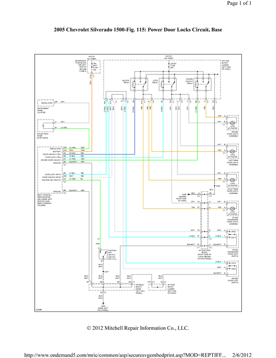
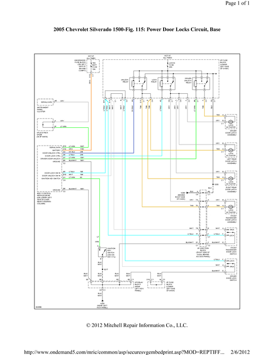
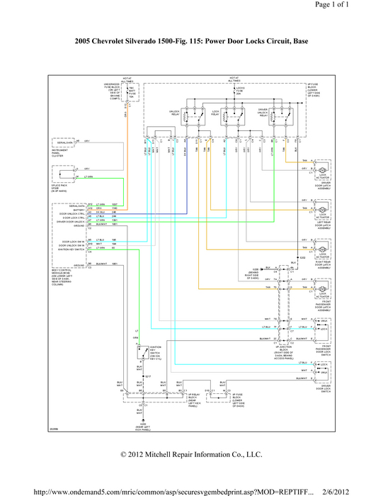
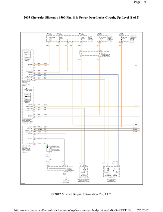
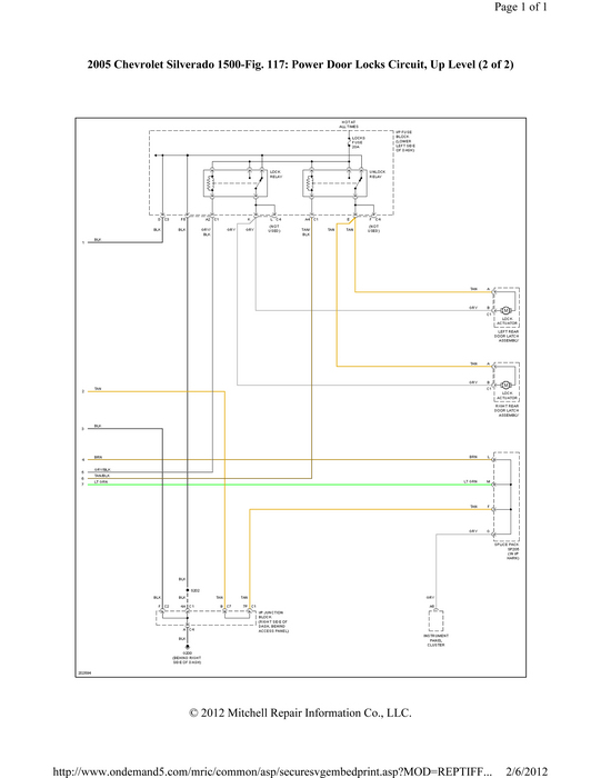
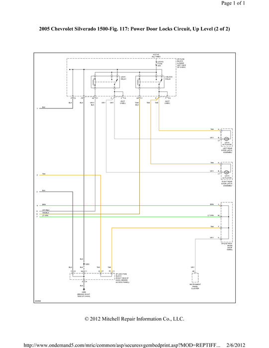
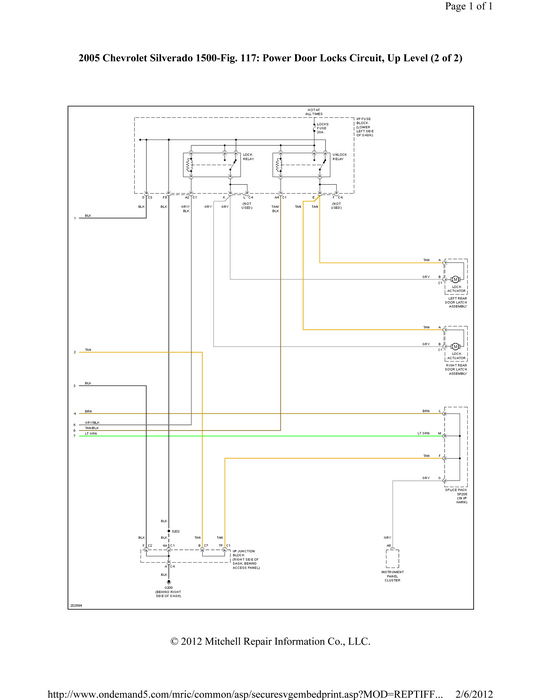
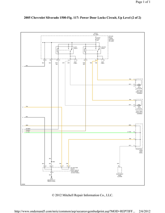
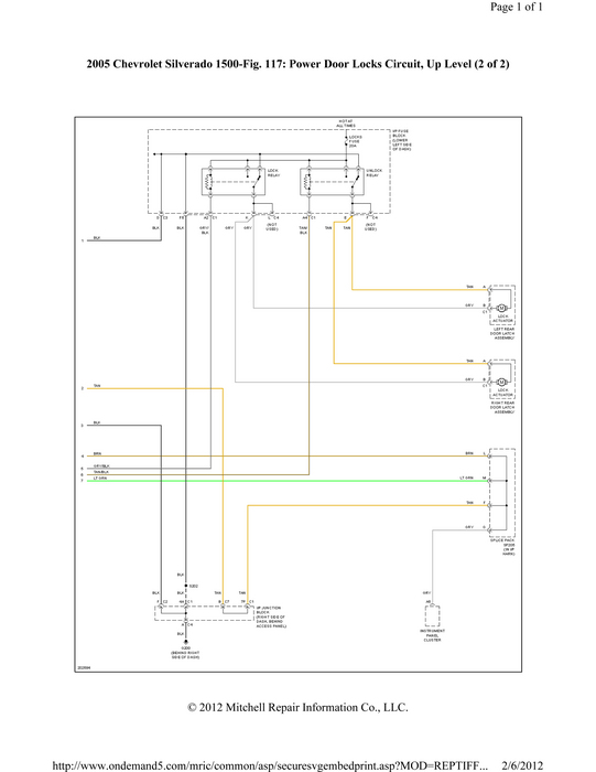
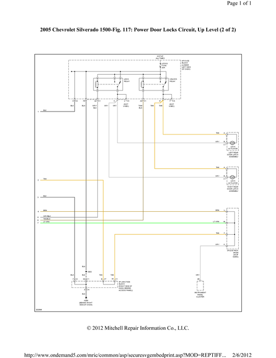
When I push the switch to lock my truck the only doors that lock are the two front ones. The back doors do not lock or unlock. Is this a relay problem? I am assuming the relay is under the dash. I did not see it in the electric center under the hood. Thanks. MikeFLA.




