Wednesday, August 24th, 2011 AT 4:30 PM
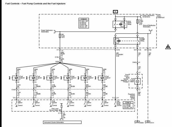
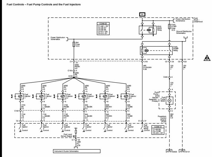
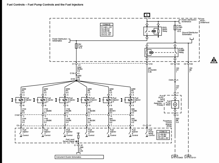
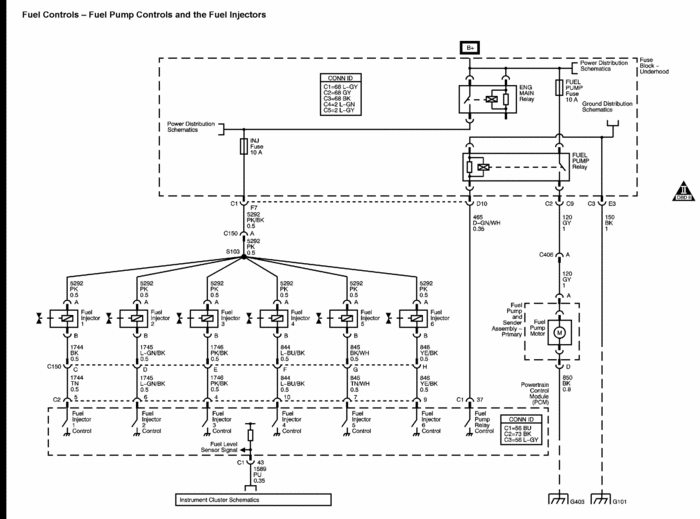
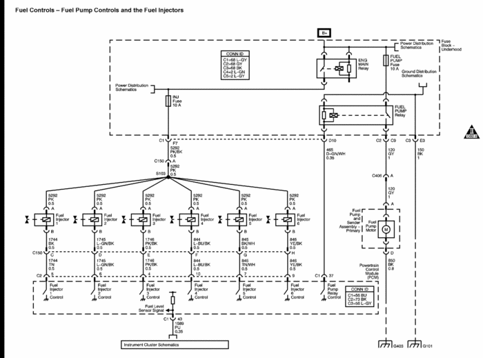
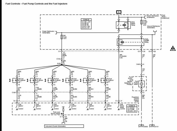
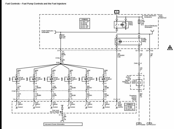
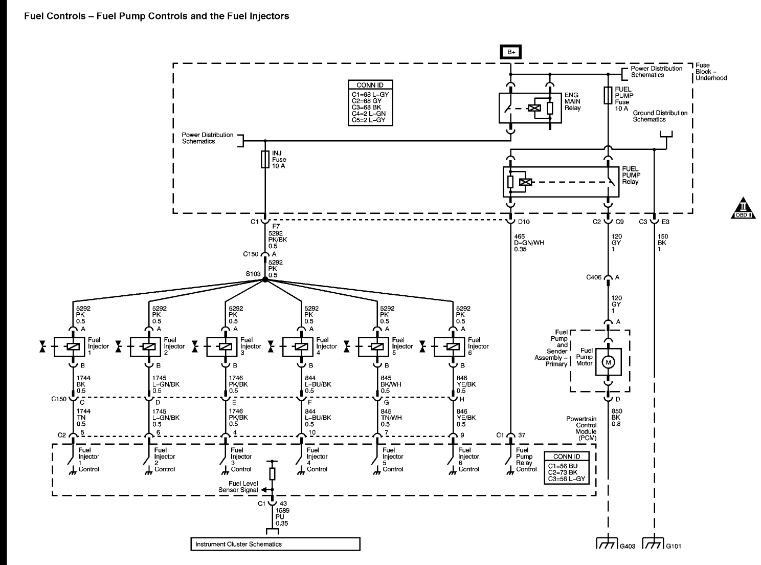
Trying to find out if ground wire side of fuel pump relay goes directly to PCM.I dont seem to have a diagram on this car. Cant get relay to turn on the pump.I think when they got fuse panel wet and shorted it out. It did a back feed and got the pcm driver as well



