Power seat, adjustable steering wheel and heated seats not working

Tiny
JUDYFAYE
  • MEMBER
  • 2005 CADILLAC STS
  • 94,000 MILES
All of the sudden the adjustable steering wheel, powers seats and the heated seat on the driver's side stopped working
Saturday, January 14th, 2012 AT 8:42 PM

23 Replies

Tiny
FACTORYJACK
  • MECHANIC
  • 4,159 POSTS
The passenger heated seat works? All the functions are controlled by the memory seat module, heated seat functions are through bussed messages to the climate controlled seat module. Since you have memory seat/steering column issues, I would suspect your source of problems to be from the memory seat module. Aside from checking powers and grounds to the seat module, I would first do a master reset on all systems. Disconnect both battery cables, and touch them together firmly for a minute or so. See if all your problems are resolved. You only have two elements per seat, and the heated seat switch is part of the climate control panel. To replace the switch/panel would be an expensive shotgun. It sounds like you have a logic lock condition, and performing the above reset procedure will correct the condition if that is the case.
Was this
answer
helpful?
Yes
No
+4
Sunday, January 15th, 2012 AT 6:19 AM
Tiny
GARY5ABRAHAM
  • MEMBER
  • 1 POST
Did this work? Both of my seat warmers are out and when I moved the passenger seat forward for easy access to the rear seat fuse blocks, the seat has frozen in the full forward position.
Was this
answer
helpful?
Yes
No
+1
Sunday, January 22nd, 2012 AT 3:08 PM
Tiny
JUDYFAYE
  • MEMBER
  • 1 POST
No, none of this worked. Next step repair shop.
Was this
answer
helpful?
Yes
No
+3
Sunday, January 22nd, 2012 AT 3:52 PM
Tiny
KEN L
  • MASTER CERTIFIED MECHANIC
  • 55,248 POSTS
Hey JUDYFAYE,

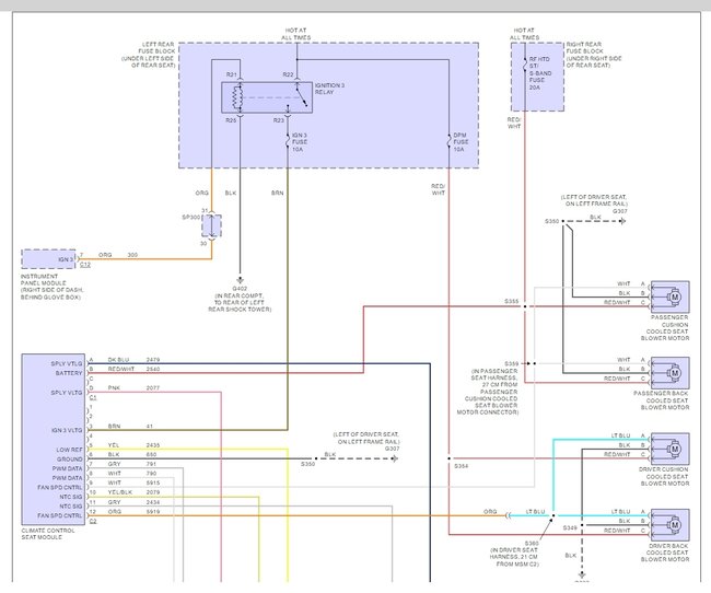
Before you go to the shop I think I found the problem. There is a ignition 3 relay that control both systems, and two fuses here is there location and a couple of guide to help you get the problem fixed.

https://www.2carpros.com/articles/how-to-check-an-electrical-relay-and-wiring-control-circuit

Make the the fuses are getting power through them if all okay there is a driver side seat memory module that goes out I would try to find a used one and plug it in to see whats happens.

Here are the seat wiring diagrams so you can see how they system works and where the seat module is.

Check out the diagrams (Below). Please run some tests and get back to us.

Cheers, Ken
Was this
answer
helpful?
Yes
No
+5
Wednesday, December 14th, 2016 AT 4:57 PM
Tiny
JUDYFAYE
  • MEMBER
  • 1 POST
Thanks you for responding I did what you said the relay was fine so I got a used seat module worked great! I love this site.
Was this
answer
helpful?
Yes
No
Thursday, December 22nd, 2016 AT 10:21 AM
Tiny
IL CHRIS
  • MEMBER
  • 10 POSTS
  • 2000 CADILLAC STS
Heater problem
2000 Cadillac STS V8 Front Wheel Drive Automatic

I have a 2000 Cadillac Seville STS. I am having issues with the drivers seat not heating. The other 3 heated seats work fine. When I depress the switch in the console, the switch will illuminate either 'HI" or "LO". So I still have power to the switch. Does anyone know if that switch feeds a relay that may be bad or does it run directly to the seat? I will add that I have checked all of the fuses that I can locate and they all look fine and all of the other seat functions work as they should. Any other ideas on where I should search for the problem?
Was this
answer
helpful?
Yes
No
Monday, October 22nd, 2018 AT 10:22 AM (Merged)
Tiny
JAMES W.
  • MECHANIC
  • 2,394 POSTS
You will find a control module under the driver's seat for the heat. You can test output to the seat heater with a test light or volt meter. You can check the heat grid itself with a ohmeter. Hope this helps.
Was this
answer
helpful?
Yes
No
Monday, October 22nd, 2018 AT 10:23 AM (Merged)
Tiny
IL CHRIS
  • MEMBER
  • 10 POSTS
James, thanks for the quick reply. Assuming that there will be a bunch of wiring for all of the seat controls exiting the control module, would you happen to know the color of the wires for the seat heater?
Was this
answer
helpful?
Yes
No
Monday, October 22nd, 2018 AT 10:23 AM (Merged)
Tiny
JAMES W.
  • MECHANIC
  • 2,394 POSTS
Do you have, or have access to, a fax #? If so, I can send you a couple of diagrams. I'm able to download to this site, but they are so compressed they're hard to read. Please advise.
Was this
answer
helpful?
Yes
No
+1
Monday, October 22nd, 2018 AT 10:23 AM (Merged)
Tiny
IL CHRIS
  • MEMBER
  • 10 POSTS
Unfortunately I do not have access to a fax. Can you attach the file to an email? I'll send you a PM with the email address if that works. Thanks for the help.
Was this
answer
helpful?
Yes
No
+1
Monday, October 22nd, 2018 AT 10:23 AM (Merged)
Tiny
IL CHRIS
  • MEMBER
  • 10 POSTS
Well, I guess as I don't have 10 posts, I can't send a PM. As a moderator, do you have access to my email address from when I registered?
Was this
answer
helpful?
Yes
No
Monday, October 22nd, 2018 AT 10:23 AM (Merged)
Tiny
JAMES W.
  • MECHANIC
  • 2,394 POSTS
I don't have access to your personal Email address. Everything has to go through the system. I tried downloading the seat diagram to my test site, and it was barely legible.
Was this
answer
helpful?
Yes
No
-1
Monday, October 22nd, 2018 AT 10:23 AM (Merged)
Tiny
IL CHRIS
  • MEMBER
  • 10 POSTS
Post #5
Was this
answer
helpful?
Yes
No
Monday, October 22nd, 2018 AT 10:23 AM (Merged)
Tiny
IL CHRIS
  • MEMBER
  • 10 POSTS
#6
Was this
answer
helpful?
Yes
No
Monday, October 22nd, 2018 AT 10:23 AM (Merged)
Tiny
IL CHRIS
  • MEMBER
  • 10 POSTS
#7
Was this
answer
helpful?
Yes
No
Monday, October 22nd, 2018 AT 10:23 AM (Merged)
Tiny
IL CHRIS
  • MEMBER
  • 10 POSTS
#8; only 2 more to go!
Was this
answer
helpful?
Yes
No
Monday, October 22nd, 2018 AT 10:23 AM (Merged)
Tiny
IL CHRIS
  • MEMBER
  • 10 POSTS
#9
Was this
answer
helpful?
Yes
No
Monday, October 22nd, 2018 AT 10:23 AM (Merged)
Tiny
IL CHRIS
  • MEMBER
  • 10 POSTS
Okay, I should be able to send you a PM now.
Was this
answer
helpful?
Yes
No
Monday, October 22nd, 2018 AT 10:23 AM (Merged)
Tiny
BBUCHLI
  • MEMBER
  • 1 POST
I am having the same exact problem as IL, Chris. I was wondering if there was a chance you could send me the same information to me as you did him with the diagram. The only difference is mine is a 1998 STS. Thanks Brock. Bbuchli@hotmail. Com
Was this
answer
helpful?
Yes
No
Monday, October 22nd, 2018 AT 10:23 AM (Merged)
Tiny
JAMES W.
  • MECHANIC
  • 2,394 POSTS
'98-'00 diagrams are the same. It's on it's way to your email.
Was this
answer
helpful?
Yes
No
-1
Monday, October 22nd, 2018 AT 10:23 AM (Merged)

Please login or register to post a reply.