Rear suspension

Tiny
TEDLUDWIG
  • MEMBER
  • 2005 CADILLAC DEVILLE
  • V8
  • FWD
  • AUTOMATIC
  • 110,000 MILES
Car is riding too low in back end. What do I check?
Friday, December 17th, 2010 AT 4:21 AM

9 Replies

Tiny
JACOBANDNICKOLAS
  • MECHANIC
  • 110,194 POSTS
Do you have the air ride system?
Was this
answer
helpful?
Yes
No
+5
Monday, December 20th, 2010 AT 10:54 PM
Tiny
TEDLUDWIG
  • MEMBER
  • 5 POSTS
Thanks. Yes, I used to hear the pump motor run after starting the engine. I have checked the Automatic Level Control Compressor, Exhaust fuse and the Automatic Level Control Compressor relay and both were good. I don't know where else to go from there.
Thanks,
Ted
Was this
answer
helpful?
Yes
No
-1
Tuesday, December 21st, 2010 AT 6:33 PM
Tiny
JACOBANDNICKOLAS
  • MECHANIC
  • 110,194 POSTS
There has to be a leak in one of the air shocks or line. Have you checked them?
Was this
answer
helpful?
Yes
No
+1
Tuesday, December 21st, 2010 AT 6:42 PM
Tiny
TEDLUDWIG
  • MEMBER
  • 5 POSTS
No I did not check for leaks because I thought the pump motor would constantly run if the system was leaking. Does it automatically shut down if the system has a leak?
Was this
answer
helpful?
Yes
No
-1
Tuesday, December 21st, 2010 AT 6:47 PM
Tiny
JACOBANDNICKOLAS
  • MECHANIC
  • 110,194 POSTS
One would think because that would make sense. However, the pump may have burned up as a result.
Was this
answer
helpful?
Yes
No
Wednesday, December 22nd, 2010 AT 1:15 PM
Tiny
TEDLUDWIG
  • MEMBER
  • 5 POSTS
Got it. Thanks. Can you please tell me where the pump is located and what to check to determine if it is still good? So many fellow drivers are flashing their bright lights at me since the pump quit working. Bums me out to blind on-coming traffic. I may have to adjust the headlights if I can't get this pump thing figured out. Thanks for your advice and insight.
Ted
Was this
answer
helpful?
Yes
No
Saturday, December 25th, 2010 AT 12:21 AM
Tiny
JACOBANDNICKOLAS
  • MECHANIC
  • 110,194 POSTS
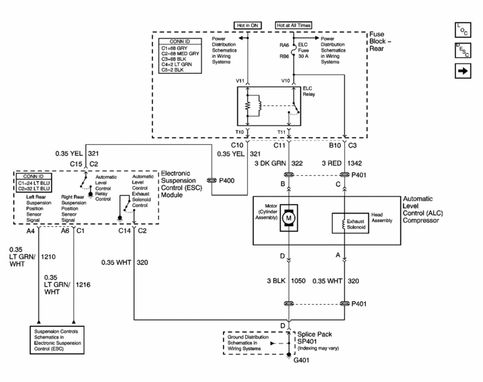
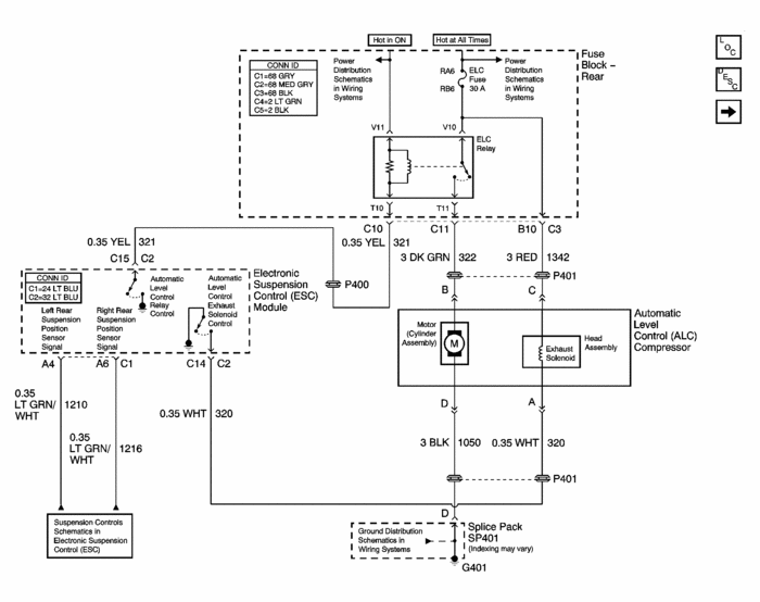
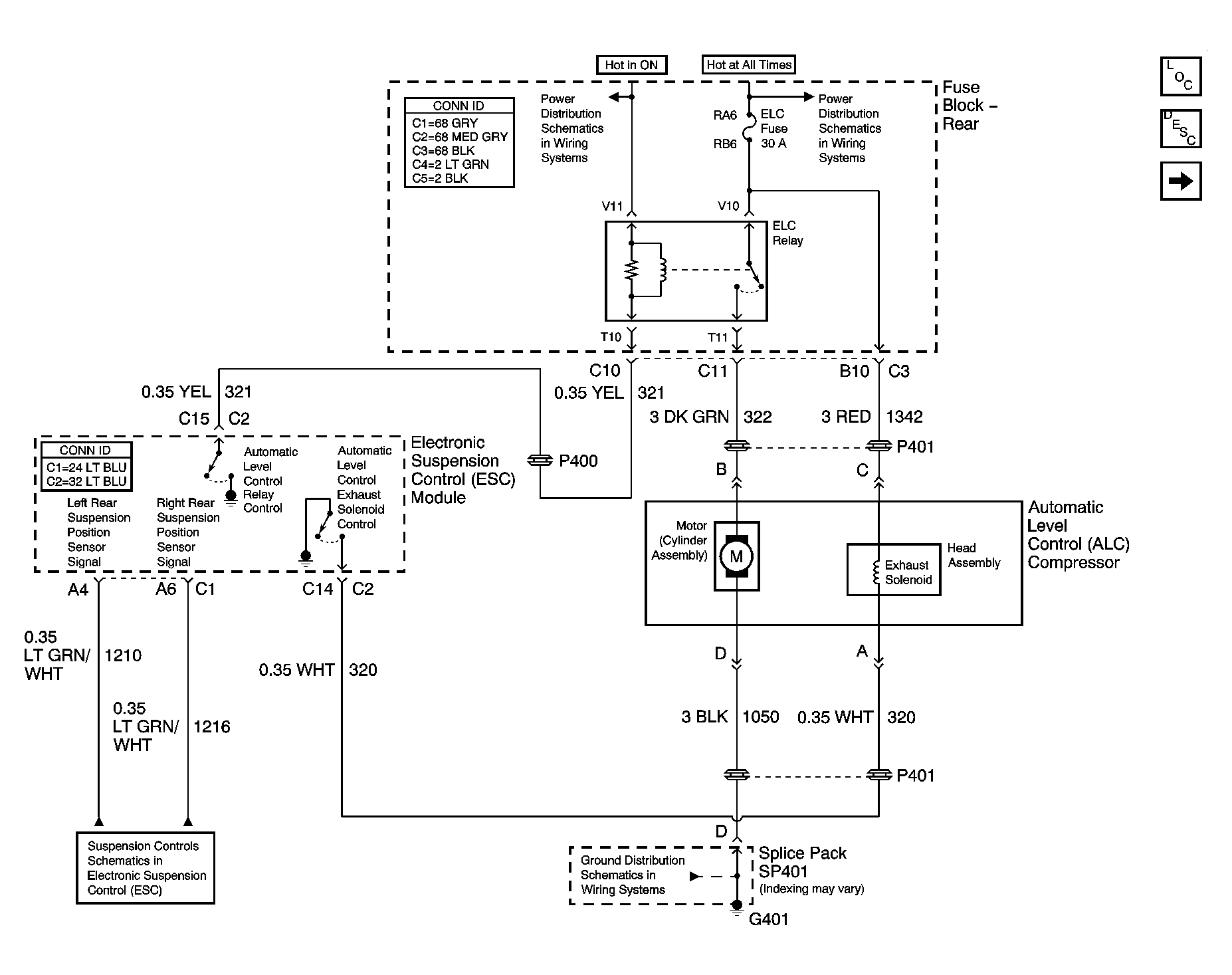
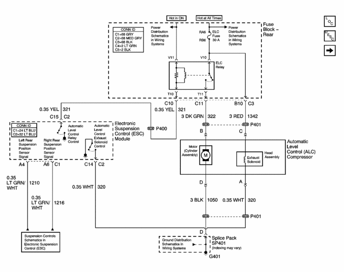
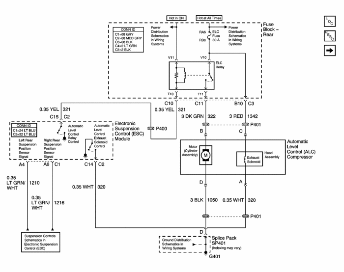
Under the hood. Here is a schematic and the location of the rear sensor assembly
Was this
answer
helpful?
Yes
No
+1
Sunday, December 26th, 2010 AT 7:27 AM
Tiny
TEDLUDWIG
  • MEMBER
  • 5 POSTS
Thank you for all the help.
Was this
answer
helpful?
Yes
No
Sunday, December 26th, 2010 AT 4:27 PM
Tiny
JACOBANDNICKOLAS
  • MECHANIC
  • 110,194 POSTS
Glad to help. I just hope it actually gets you to the problem. Let me know how things work out or if you need additional information. I plan to be here for a long time, so I'll get back to you.

Take care and happy new year!

Joe
Was this
answer
helpful?
Yes
No
Monday, December 27th, 2010 AT 2:11 AM

Please login or register to post a reply.