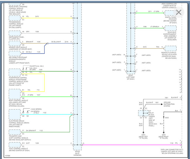
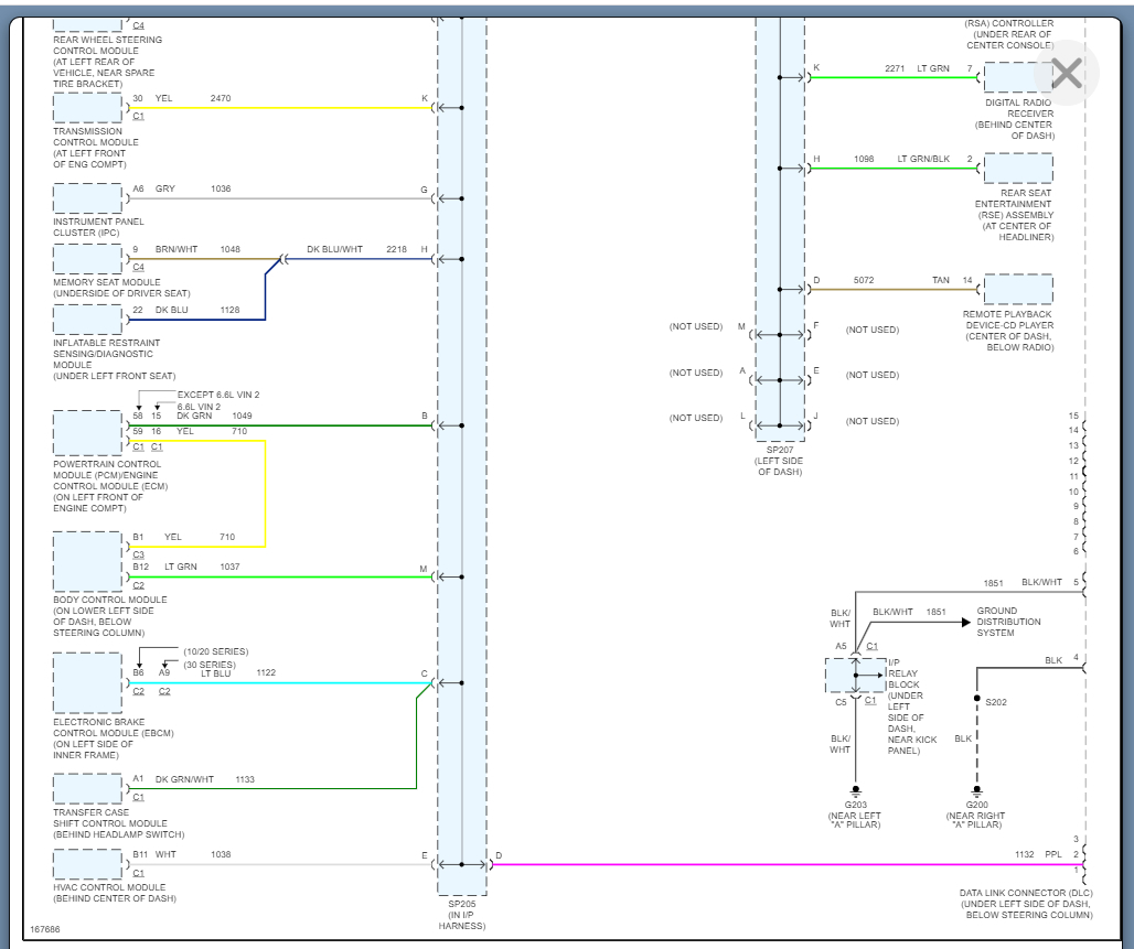
I found a 2004 Avalanche Seat, hotwired the power so the seat motors work by removing the orange and black leads from the seat side of the connector and providing ground and power. So far, I have only done this temporarily using jumper cables but will provide a permanent ground to a seat bolt and fused connection.
The Seat bag light was on before the swap since the seat had no wiring at all and is still on after the swap. The passenger seat is working, showing air bag on/off condition on the mirror if I sit in the seat or get out.
After removing the power ground wires, I simply plugged in the seat connector to the current three wire connector from the body side and cannot get the air bag light to go off. Is it possible I need to provide a real permanent ground first? I have no idea what wires in the Avalanche seat harness match up the three-wire connector from the truck side.
I should mention I can't get a diagnostic code reading as plugging in a code reader blows the fuse. Since there is power to the right side lighter and none to the left, I believe there is a short going on there and will be replacing that too.
Sunday, November 14th, 2021 AT 2:18 PM



