Tuesday, March 1st, 2011 AT 9:55 PM
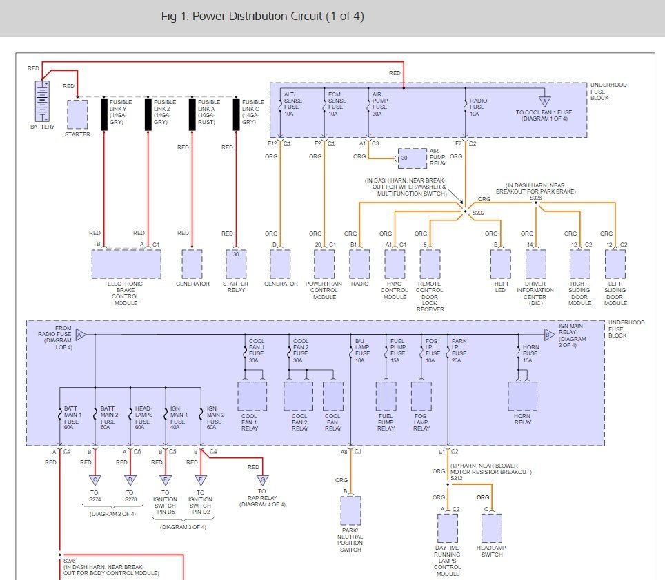
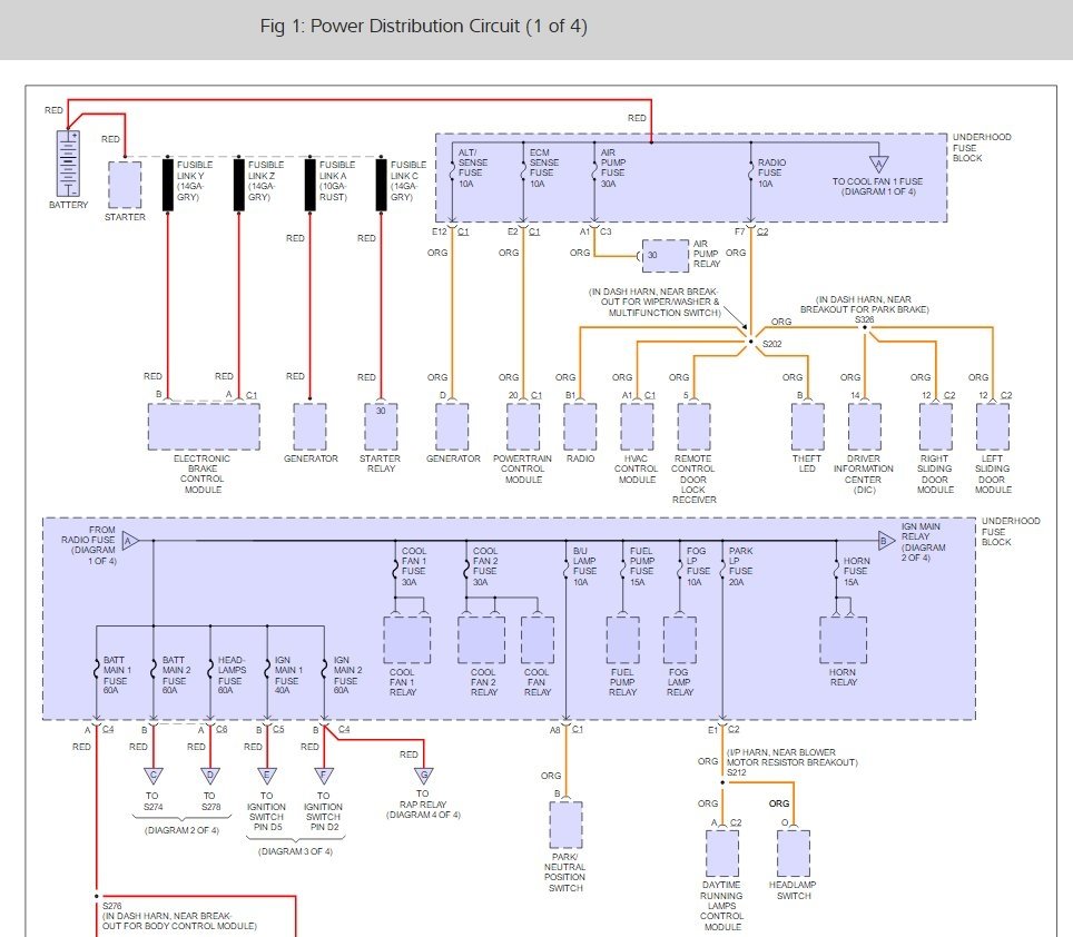
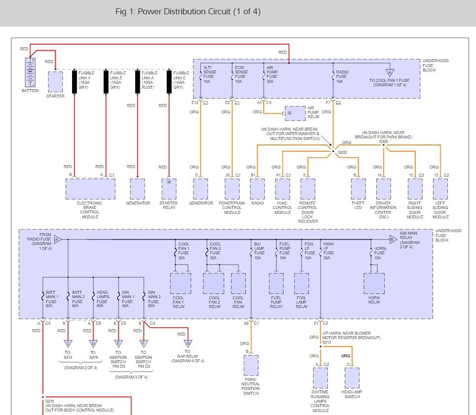
Van and the front cigarette lighters have quit working were are the fuses there is nothing in the fuse box that says cigarette lighter? Could it be something else?



