Horn will not stop blowing

Tiny
MALCOLM J. MITCHELL
  • MEMBER
  • 2004 PONTIAC GRAND AM
  • 76,000 MILES
I have to pull the fuse to get the horn to stop. How do I fix it?
Saturday, April 21st, 2012 AT 8:56 PM

7 Replies

Tiny
RASMATAZ
  • MECHANIC
  • 75,992 POSTS
Could be the horn relay sticking or the horn button circuit is shorted out
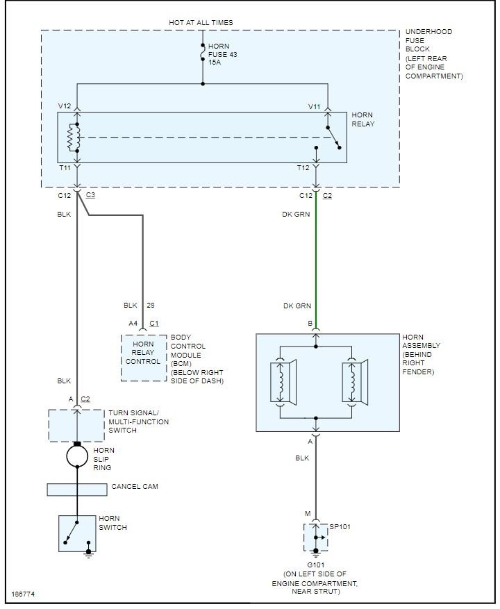
Looks like fuse 43 is strictly for the horn, you could pull it, if that causes other things to not work, pull the horn relay

See the diagram below for fuse/relay locations and full wiring diagram
Was this
answer
helpful?
Yes
No
+2
Saturday, April 21st, 2012 AT 9:05 PM
Tiny
LASHAE67
  • MEMBER
  • 1 POST
  • 2004 PONTIAC GRAND AM
2004 Pontiac Grand Am

My horn goes off at night and wont stop until you disconnect the battery. Is there a horn relay or a sensor that needs to be replaced?
Was this
answer
helpful?
Yes
No
+5
Saturday, November 10th, 2018 AT 8:17 AM (Merged)
Tiny
JDL
  • MECHANIC
  • 16,098 POSTS
Hi, there should be a horn relay, underhood fuse box, unplugging the relay should kill the horn. I'd have all trouble-codes checked. Your theft system could set off the horn, problem with horn switch and wiring circuits?
Was this
answer
helpful?
Yes
No
+2
Saturday, November 10th, 2018 AT 8:17 AM (Merged)
Tiny
GABY04
  • MEMBER
  • 8 POSTS
  • 2003 PONTIAC GRAND AM
Electrical problem
2003 Pontiac Grand Am 6 cyl Automatic

Hello, I am having a problem with the horn in my car. The brass ring that makes activates the horn is damaged and I rather not replace it because of the work involved. I heard some people have bypassed the steering column and have wired the horn to a push button, which I do not mind doing. I know what color the horn wire is, I just do not know the exact wire in the steering wheel column. There are 2 black wires in the steering column, I just dont know which of the 2 is the horn wire.
Was this
answer
helpful?
Yes
No
+1
Saturday, November 10th, 2018 AT 8:18 AM (Merged)
Tiny
MMPRINCE4000
  • MECHANIC
  • 8,548 POSTS
The problem with dealing with the steering column is that there is always a chance that you could accidently deploy the airbag.

I would get a horn from an autoparts store and wire it in seperatly.
Was this
answer
helpful?
Yes
No
Saturday, November 10th, 2018 AT 8:18 AM (Merged)
Tiny
MILLERGENT
  • MEMBER
  • 2 POSTS
  • 2005 PONTIAC GRAND AM
Electrical problem
2005 Pontiac Grand Am 6 cyl Front Wheel Drive Automatic 36.000 miles

HORN WON'T STOP BLOWING
Was this
answer
helpful?
Yes
No
+2
Saturday, November 10th, 2018 AT 8:18 AM (Merged)
Tiny
MMPRINCE4000
  • MECHANIC
  • 8,548 POSTS
Pull horn connector to stop it, but it is either a stuck relay or horn button.

Quickly touch the horn relay, if it is warm/hot then most likely the relay.
Was this
answer
helpful?
Yes
No
Saturday, November 10th, 2018 AT 8:18 AM (Merged)

Please login or register to post a reply.