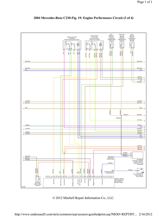
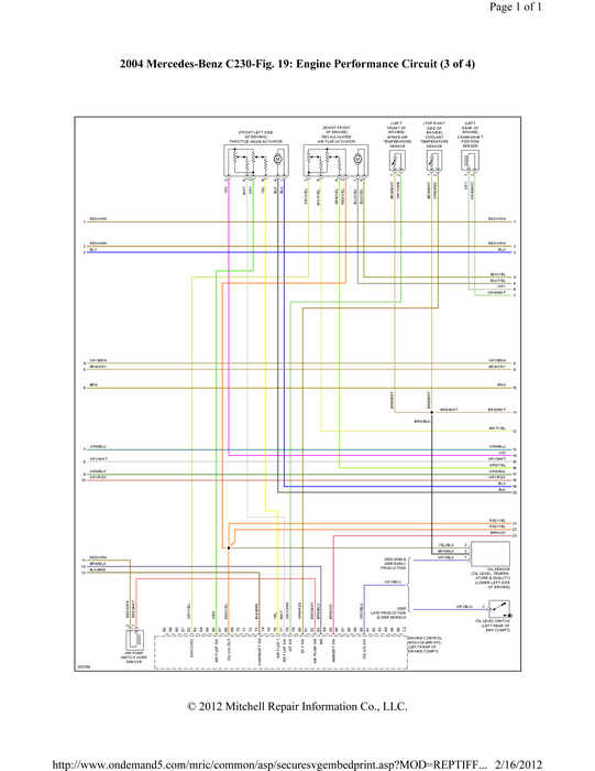
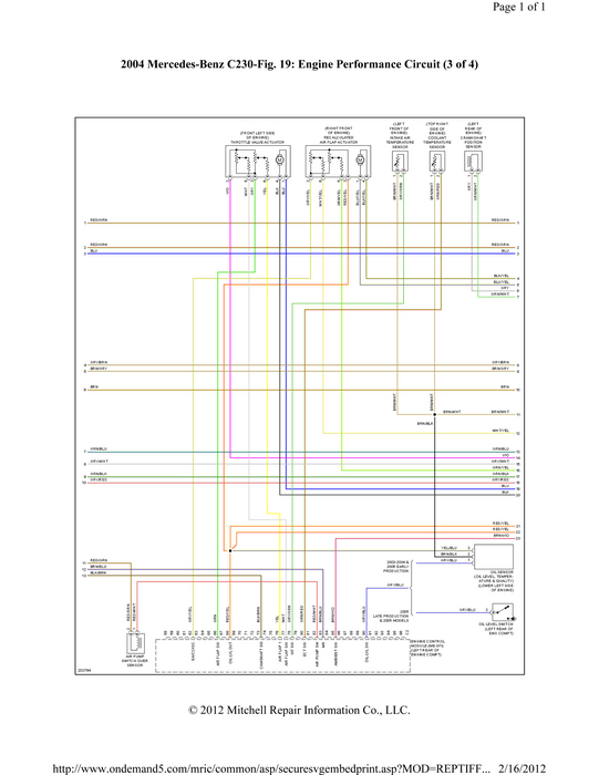
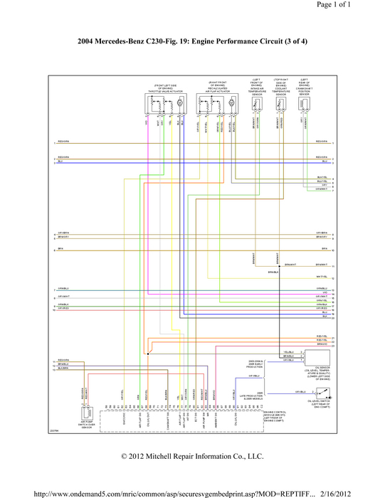
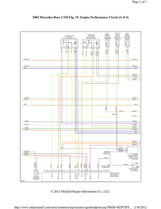
Wednesday, February 15th, 2012 AT 5:25 PM
I have a 2004 Mercedes C230 with the 1.8 L engine. The IAT is new and the wiring from the IAT to the ECM check out for continuity. I still get the engine code 0110. Is there a way to verify if the IAT is good?





