2004 Lincoln Aviator

Tiny
CARRIEWILSON488
  • MEMBER
  • 2004 LINCOLN AVIATOR
  • 2WD
  • AUTOMATIC
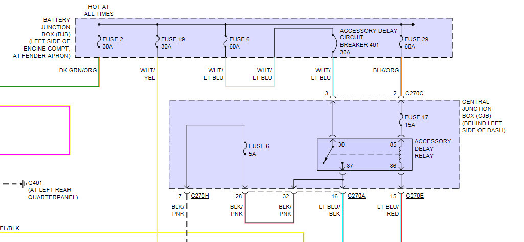
Power windows and radio stopped working at the same time. Checked all fuses and delay relay.
Sunday, July 12th, 2015 AT 1:51 PM

1 Reply

Tiny
HMAC300
  • MECHANIC
  • 48,601 POSTS
For windows check all fuses and circuit breaker and relays in pic if still a problem have a pro scan it. It may have a broken wire that effects radio as well which a pro should look at
Was this
answer
helpful?
Yes
No
Monday, July 13th, 2015 AT 7:18 AM

Please login or register to post a reply.