Engine wont crank over, replaced starter still won't start?

Tiny
HARRIS STEWART
  • MEMBER
  • 2004 LEXUS ES 330
  • 3.0L
  • 6 CYL
  • 2WD
  • AUTOMATIC
  • 110,000 MILES
Replaced starter still wont start all lights, windows work just start even tried to jump still nothing
Sunday, January 25th, 2015 AT 9:56 AM

2 Replies

Tiny
HMAC300
  • MECHANIC
  • 48,601 POSTS
There is a starter reply I would check, also does the engine crank over in neutral? IF so the gear range sensor is bad, please go over this guide which can help

https://www.2carpros.com/articles/starter-not-working-repair

Please go over this guide and get back to us.
Was this
answer
helpful?
Yes
No
-1
Sunday, January 25th, 2015 AT 10:12 AM
Tiny
KEN L
  • MASTER CERTIFIED MECHANIC
  • 55,322 POSTS
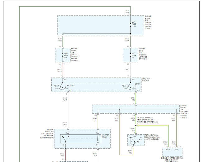
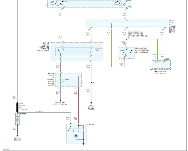
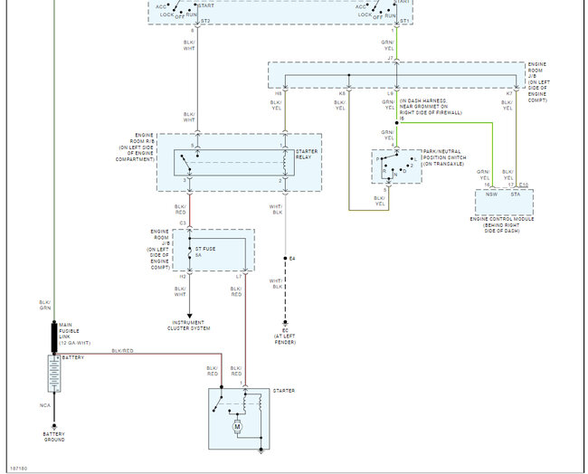
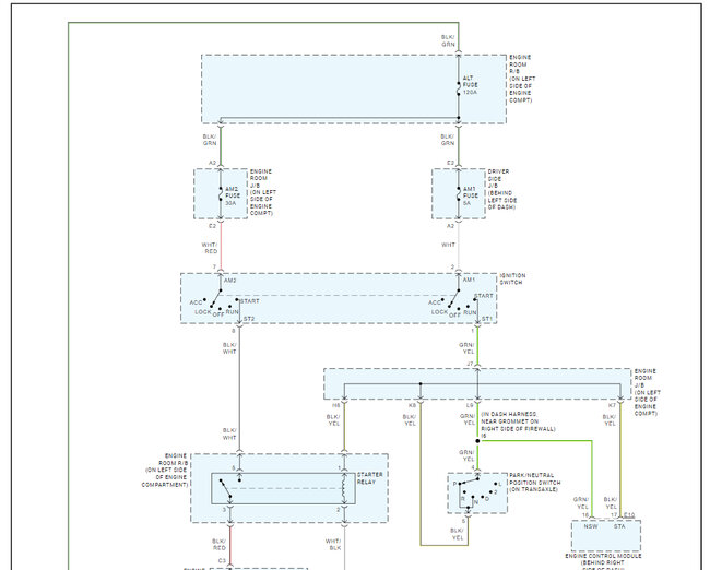
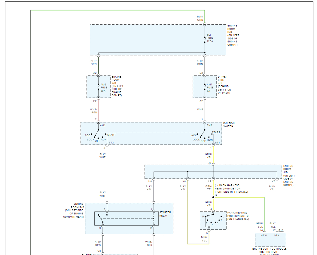
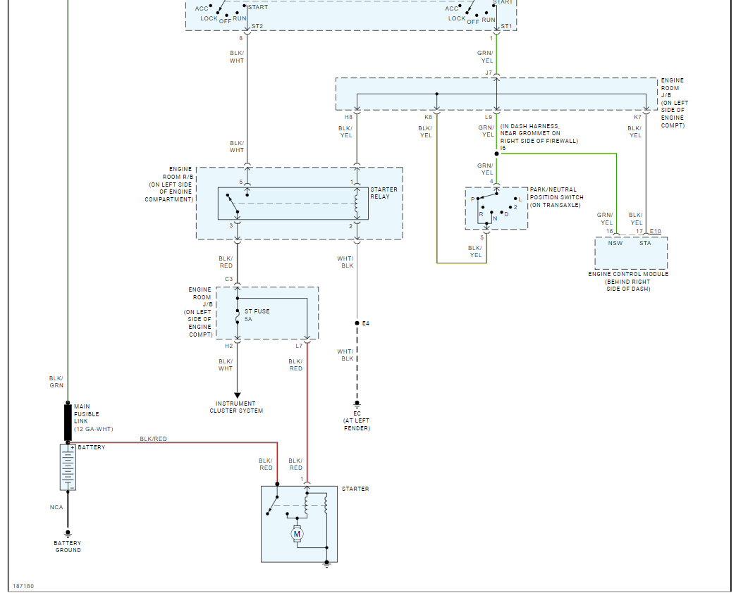
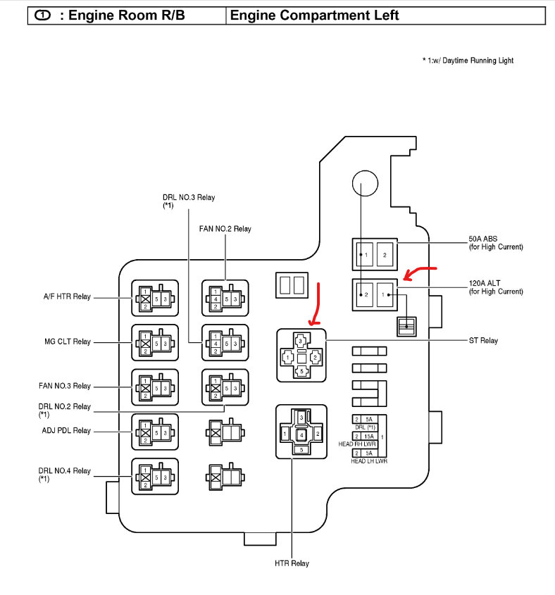
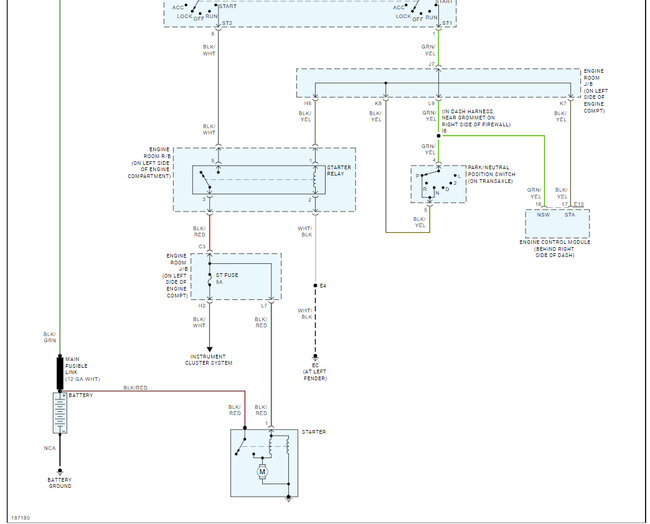
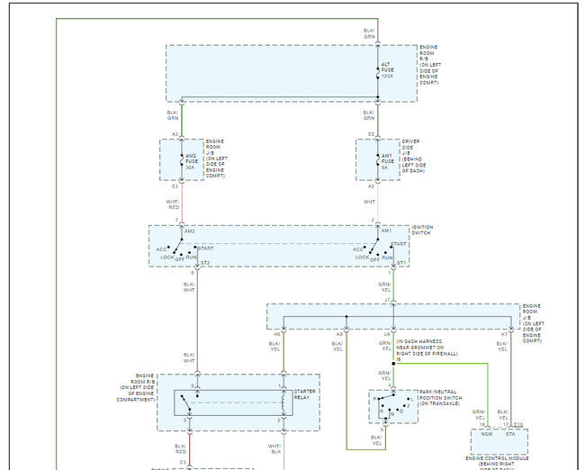
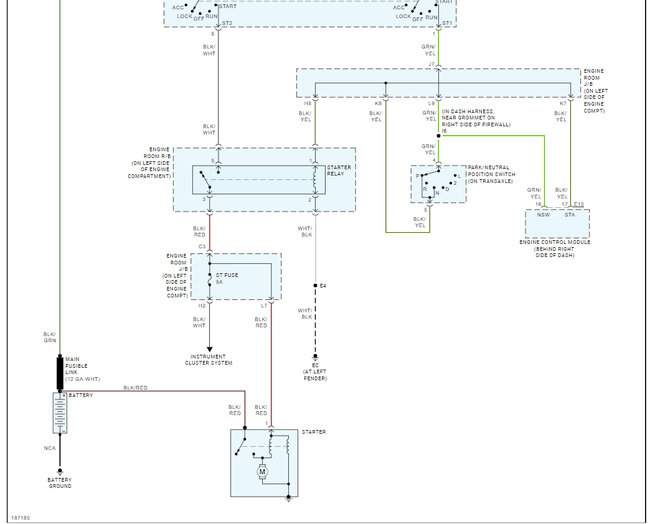
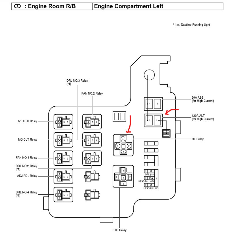
There are 4 fuses that run the system I would check here is a guide and I have included the starter wiring diagrams so you can see which fuses to check and how the system works. Also please go over this video it can help you.

https://youtu.be/6YRW8fyNudY?si=jHAjHZVTVCKpGD7l

and

https://www.2carpros.com/articles/how-to-check-a-car-fuse

Here are the fuse locations as well. Check out the images (below). Please let us know what happens.
Was this
answer
helpful?
Yes
No
Thursday, September 12th, 2024 AT 5:13 PM

Please login or register to post a reply.