Thursday, January 9th, 2014 AT 2:18 PM
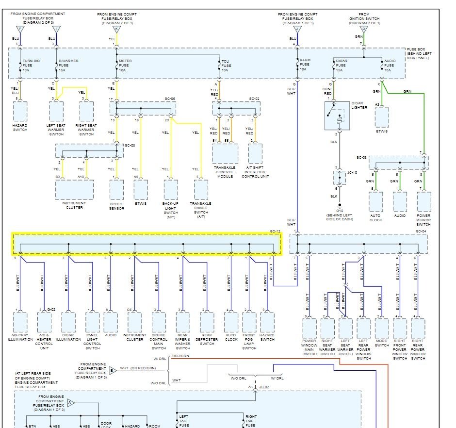
When it is cold outside some things do not work until the car warms up. The colder it is the longer it takes. When it is cold the keyless entry, power windows, power door locks, dashboard lights, rear window defroster, intermittent wipers, dome light and tail lights do not work. I replaced the water pump and all belts in March of 2013 and put in a new battery in January of 2014. That else could be the problem?





