Where is the fusible link cause I replaced the.

Tiny
ANONYMOUS
  • MEMBER
  • 2004 KIA OPTIMA
Where is the fusible link cause I replaced the battery and alternator
Monday, February 11th, 2013 AT 1:36 AM

1 Reply

Tiny
ASEMASTER6371
  • MECHANIC
  • 52,796 POSTS
Ok, what caused it to go bad?? is it bad and how did you check it??

why did you replace the battery and alternator.

Roy
Read this guide on testing wiring, it will help

https://www.2carpros.com/articles/how-to-check-wiring

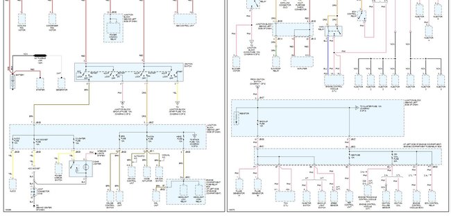
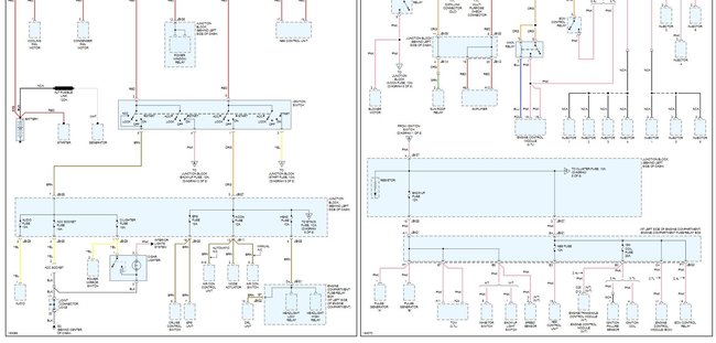
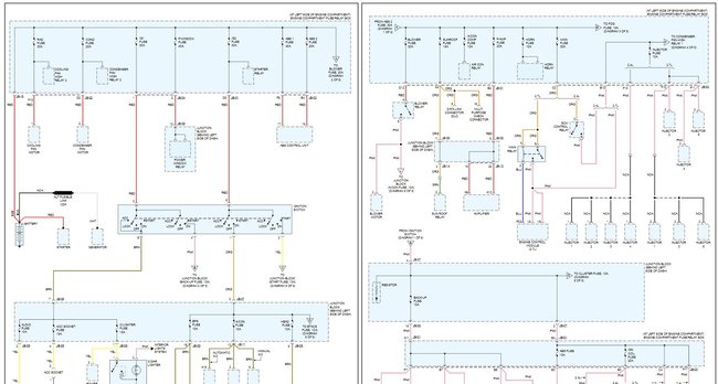
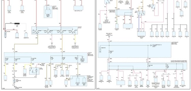
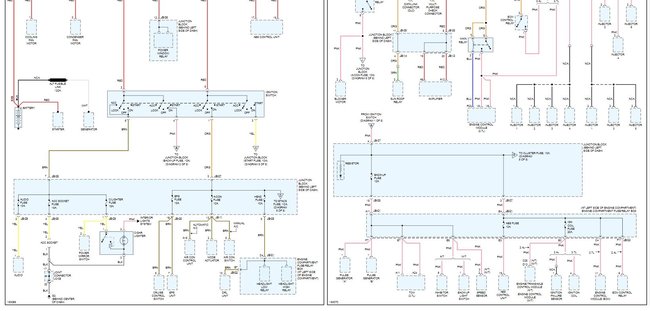
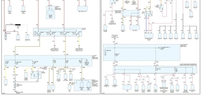
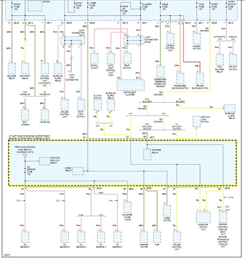
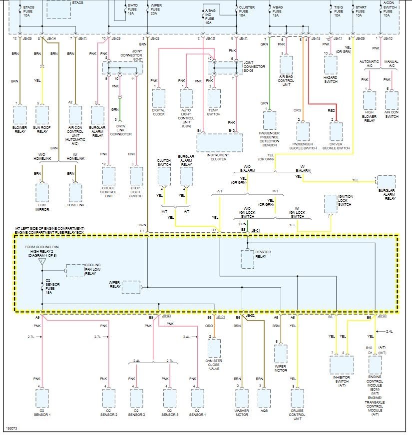
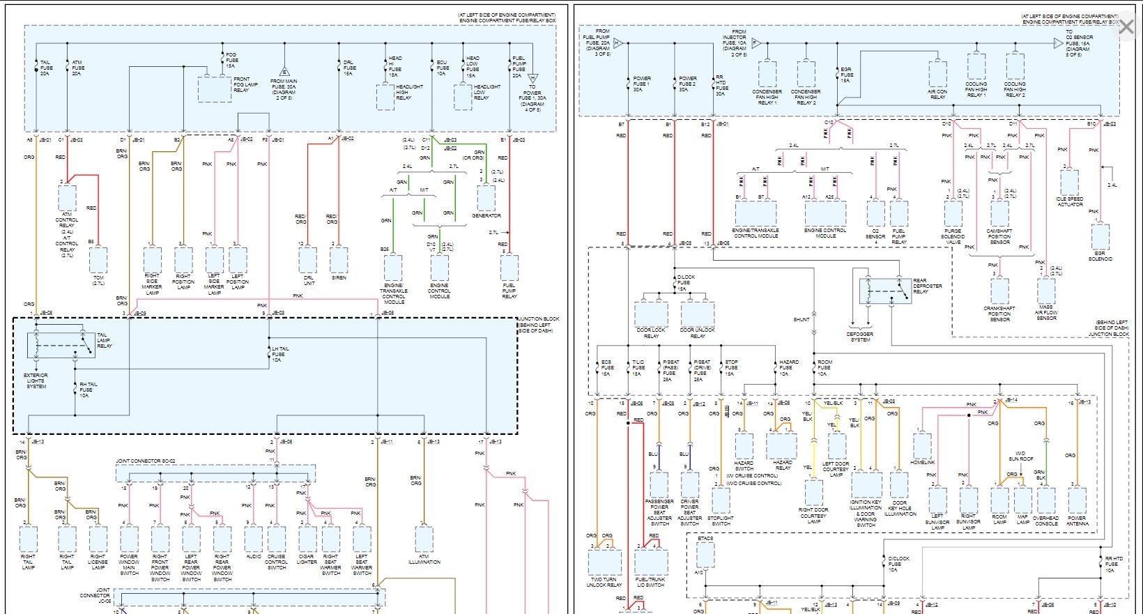
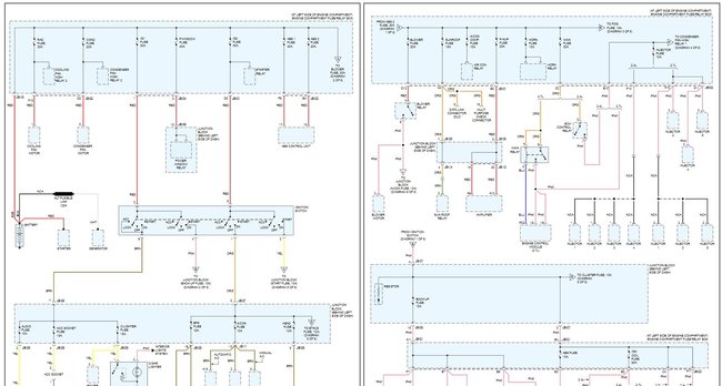
Since you gave no specifics, we are not able to locate what diagram you need, attached below you will find all of the power distribution wiring diagrams
Was this
answer
helpful?
Yes
No
Monday, February 11th, 2013 AT 1:39 AM

Please login or register to post a reply.