Saturday, October 26th, 2013 AT 9:45 AM
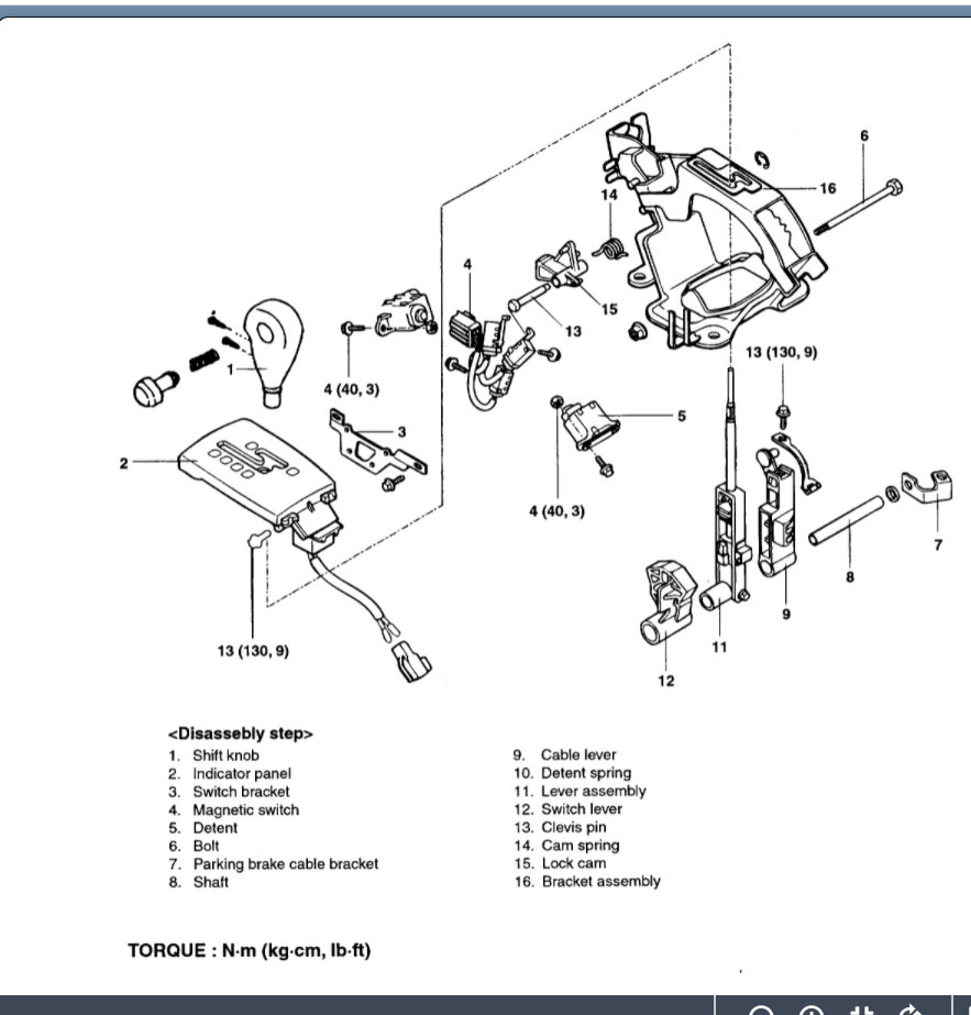
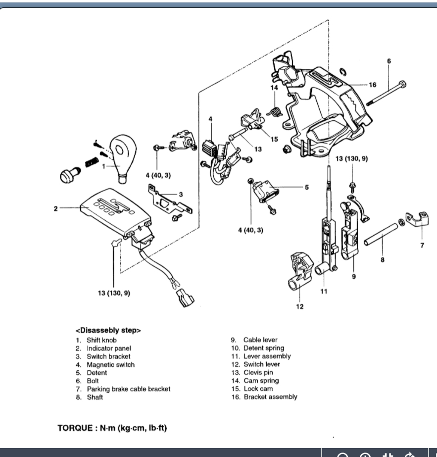
Went to go to store and shifter is stuck in park. I took off center console, shifter lever/catch is working properly when brake is depressed, when knob is depressed on gearshift, plastic lever is disengaged but cable will not give to move gearshift out of Park.






