How do you change the front brakes on a 2004 Hyundai Elantra

Tiny
HOPEITWORKS
  • MEMBER
  • 2004 HYUNDAI ELANTRA
  • 178,000 MILES
Just want to do routine maintenance for cost effectivley
Wednesday, December 28th, 2011 AT 11:00 PM

2 Replies

Tiny
RASMATAZ
  • MECHANIC
  • 75,992 POSTS
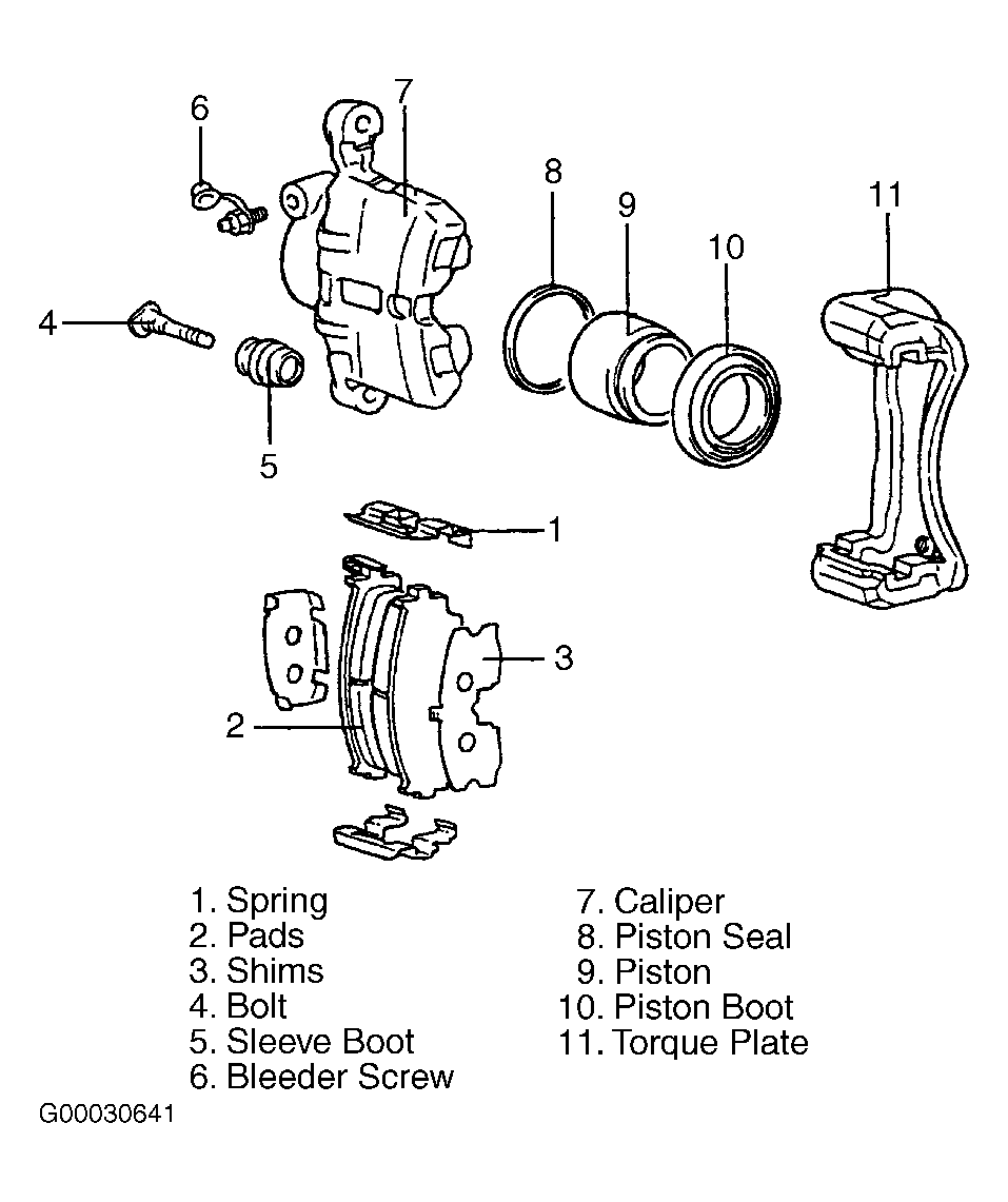
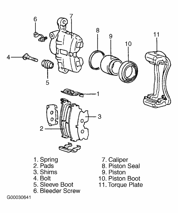
FRONT DISC BRAKE PADS
Removal
Raise and support vehicle. Remove front wheel. Remove caliper lower guide bolt. Rotate caliper upward, and support with wire. Remove disc pads, shims and springs. See Fig. 3. Note location and order of assembly for installation reference.
Check disc pad minimum thickness wear limit specification.
Was this
answer
helpful?
Yes
No
Wednesday, December 28th, 2011 AT 11:14 PM
Tiny
CARADIODOC
  • MECHANIC
  • 34,485 POSTS
I don't mean to sound sarcastic, but if you have to ask, there are way too many things you can overlook or can accidentally do to cause noise or other problems. Those are the things we pay mechanics to know.

That said, if you can figure out how to remove the calipers and rotors, I can post a big list of not-well-known things to make your brake job turn out like the professionals. Even they run into complaints when they cut corners or forget some of these seemingly unimportant details.

As far as saving money, I certainly can't fault you for that, and I respect anyone's attempt at learning more about their cars, but you'll need some basic tools, the rotors will have to be measured to the thousandth of an inch to see if they can be machined or if they must be replaced, and you'll need a high-temperature brake grease and must know where to put it. All of those things are included with the brake job you pay a mechanic to do. It's not cost effective to buy all of that stuff for one brake job, but if you think you'll be doing more brake work in the future, you will be money ahead to invest in the needed items now. If that sounds acceptable, I'll post my list of things to watch out for.
Was this
answer
helpful?
Yes
No
Wednesday, December 28th, 2011 AT 11:17 PM

Please login or register to post a reply.