center console lights

2004 HONDA PILOT
6 CYL • AWD • AUTOMATIC
Avatar
CTPILOT
  • MEMBER
  • 2 POSTS
lights behind the hvac switches are out...how are they replaced
Nov 25, 2010 at 4:26 PM
Advertisement
Avatar
KHLOW2008
  • CAR REPAIR CONTRIBUTOR
  • 41,814 POSTS
The control panel has to be removed to replace the bulbs.


HEATER CONTROL PANEL REMOVAL & INSTALLATION

1. Remove the center front covers and the center lower cover.

2. Remove the screws, and remove the heater control panel (A) with the brackets from the dashboard, then disconnect the connector (B).


3. Remove the screws and the heater control panel (A) from the brackets (B).

4. Bulbs are plugged and turned to lock.

5. Install the control panel in the reverse order of removal. After installation, operate the control panel controls to see whether it works properly.

5. Run the self-diagnosis function to confirm that there are no problems in the system.

Nov 26, 2010 at 3:31 PM
Advertisement
Avatar
CTPILOT
  • MEMBER
  • 2 POSTS
Thank You! This looks very clear. I have one additiional question. "Remove the center front covers and the center lower cover." Do these just pop out with a gentle pry from a flat blade screwdriver?

Nov 26, 2010 at 11:00 PM
Avatar
KHLOW2008
  • CAR REPAIR CONTRIBUTOR
  • 41,814 POSTS
Not really that simple. You need to remove some screws as well. Here are the procedures and you can skip any that is not relevant.

CENTER CONSOLE REMOVAL/INSTALLATION

NOTE:
• When prying with a flat-tip screwdriver, wrap it with protective
tape, and apply protective tape around the related parts to prevent damage.
• Take care not to scratch the front seat, dashboard, and related
parts.

1. Starting at the top, gently pull the center front covers (A) out to detach the clips (B), then pull the cover out to detach the remaining clips (C), and remove the covers from both sides. Fig 19.

2. Remove the center lower cover (A).
a. Remove the coin pocket (B).
b. Remove the screws (C).
c. Pull the cover out to detach the clips (D).
d. Disconnect the accessory power socket connector (E) and console light connector (F).
Fig 20.

3. For some models: Remove the center lower cover (A) with the seat heater switches.
a. Remove the screws (B).
b. Pull the cover out to detach the clips (C).
c. Disconnect the accessory power socket connector (D), seat heater switch connectors (E), and console light connector (F).
Fig. 21

4. Detach the clips and release the hooks (A), then remove the driver's console side trim (B) and passenger's console side trim (C).
Fig. 22:

5. Starting at the top, gently pull out the console rear trim (A) to detach the clips (B), then pull out the trim to detach the remaining clips (C), and disconnect the rear heater-A/C passenger's control panel-unit connectors (D) and accessory power socket connector (E). If equipped with rear entertainment system, disconnect the rear entertainment system jack connector (F).
Fig. 23:

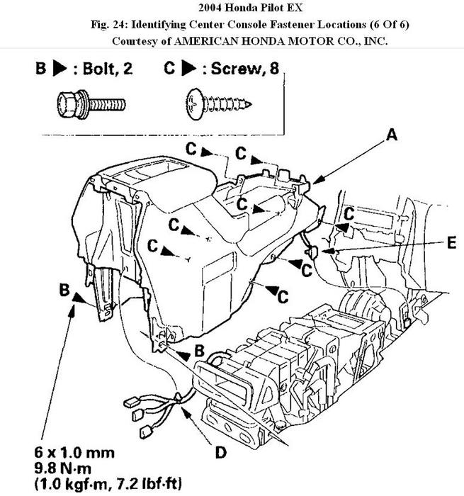
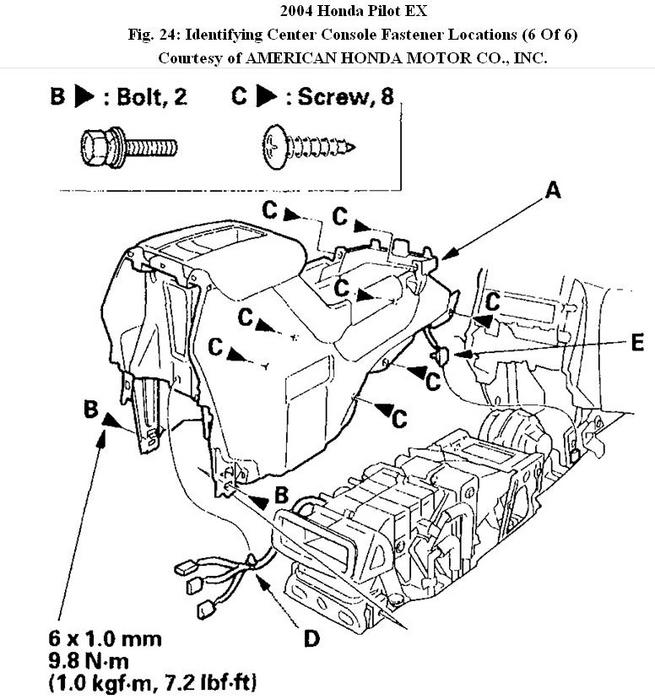
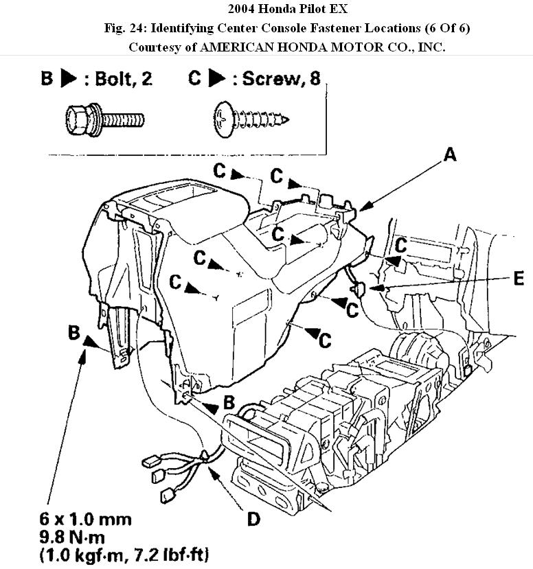
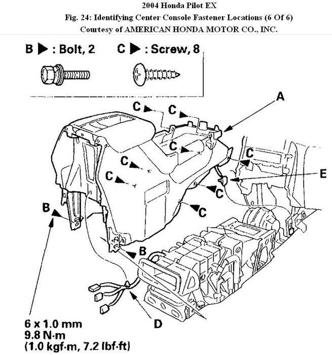
6. Remove the center console (A).
a. From both sides, remove the bolts (B) and screws (C).
b. Detach the harness clip (D).
c. Disconnect the accessory power socket connector (E), and detach it.
d. Lift the console up, then remove it.
Fig. 24:

7. Install the center console in the reverse order of removal, and note these items:
• Replace any damaged clips.
• Make sure all the connectors are plugged in properly.
• Push the clips into place securely.

© 2008 Mitchell Repair Information Co., LLC.


Nov 27, 2010 at 11:25 AM
Repair Safety Notice: This information is for general instructional purposes only. Vehicle repair can be dangerous. Verify all information, follow manufacturer service procedures, use proper tools and safety equipment, and consult a qualified repair shop when needed.