2004 GMC Sierra EBCM

Tiny
BARBERP2277
  • MEMBER
  • 2004 GMC SIERRA
  • 5.3L
  • V8
  • 4WD
  • AUTOMATIC
  • 100,000 MILES
How would you recommend I remove the EBCM I watched your video but on the Sierra I don't have that kind of room to loosen the screws. Do I need to loosen the bracket?

Thanks for your help
Paul
Friday, February 7th, 2014 AT 3:30 PM

3 Replies

Tiny
HMAC300
  • MECHANIC
  • 48,601 POSTS
Why are you taking the ecm out in the first place? It slides in from where the wires are there is a clip on the bracket that holds it.
Was this
answer
helpful?
Yes
No
Friday, February 7th, 2014 AT 3:49 PM
Tiny
BARBERP2277
  • MEMBER
  • 2 POSTS
EBCM is bad the ABS light and brake light are coming on when the truck is turned off the ABS pumps run until the battery dies. I have had this happen three times. I pulled the ABS fuse and the pump stops running which leads me to believe the EBCM is bad
Was this
answer
helpful?
Yes
No
Friday, February 7th, 2014 AT 5:01 PM
Tiny
HMAC300
  • MECHANIC
  • 48,601 POSTS
Boy did I screw up on tis one thought it was ecm. Ok here is how to take it out. See pics as well.
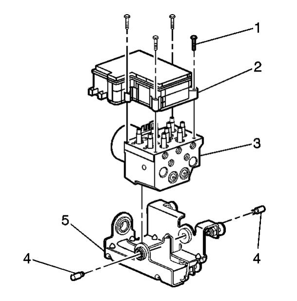
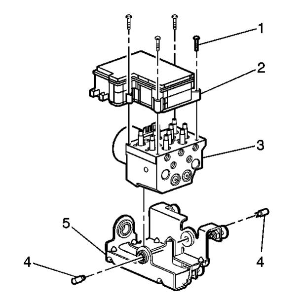
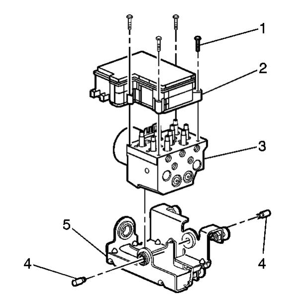
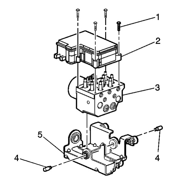
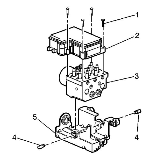
Disconnect the chassis electrical connectors from the EBCM.
Fig. 5: Identifying Chassis Electrical Connectors To EBCM
Courtesy of GENERAL MOTORS CORP.
Remove the mounting screws (1) that fasten the EBCM (2) to the BPMV (3).
Fig. 6: Removing EBCM To BPMV Mounting Screws
Courtesy of GENERAL MOTORS CORP.
Remove the EBCM (2) from the BPMV (3). Removal may require a light amount of force.
NOTE:Do not use a tool to pry the EBCM or the BPMV. Excessive force will damage the EBCM.

Fig. 7: Removing EBCM From BPMV
Courtesy of GENERAL MOTORS CORP.
Disconnect the BPMV electrical connector from the EBCM.
Fig. 8: Disc
Courtesy of GENERAL MOTORS CORP.
Clean the BPMV to EBCM mounting surfaces with a clean cloth
After installation, calibrate the new EBCM to the tire size that is appropriate to the vehicle.
NOTE< MAKESURE THAT THERE IS NO DIRT OR LOOSE THINGS SO NOT TO DAMAGEABS UNIT.
Was this
answer
helpful?
Yes
No
Saturday, February 8th, 2014 AT 6:09 AM

Please login or register to post a reply.

Related General Content