Thursday, October 27th, 2011 AT 9:00 PM
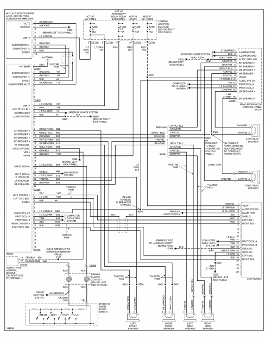
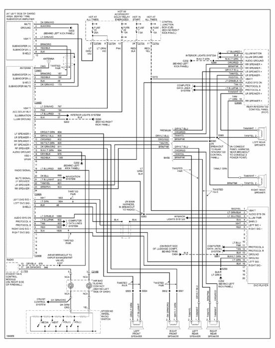
2004 Ford Expedition Radio Problem The ONLY thing that doesn't work is the Radio CD player (It is the CD=6 system). There is no clock, no power, nothing.I have checked the Everything appears to work, except for the radio/cd player. I checked the two fuses listed as covering the radio/cd player in the owners manual, and they were fine. Is there an in-line fuse, or something else I can check? I have 6 CD's in the unit, and NOTHING is working.



