HOME
ASK A QUESTION
REPAIR GUIDES
BECOME A MEMBER
LOG IN
Login with Facebook
OR
Remember me
NOT A MEMBER?
FORGOT PASSWORD?
CONTACT US
PRIVACY POLICY
TERMS AND CONDITIONS
☰
Home
Chevrolet
Silverado
Body
Wiper
Switch
Windshield wipers
JBRUIN
MEMBER
2004 CHEVROLET SILVERADO
140,000 MILES
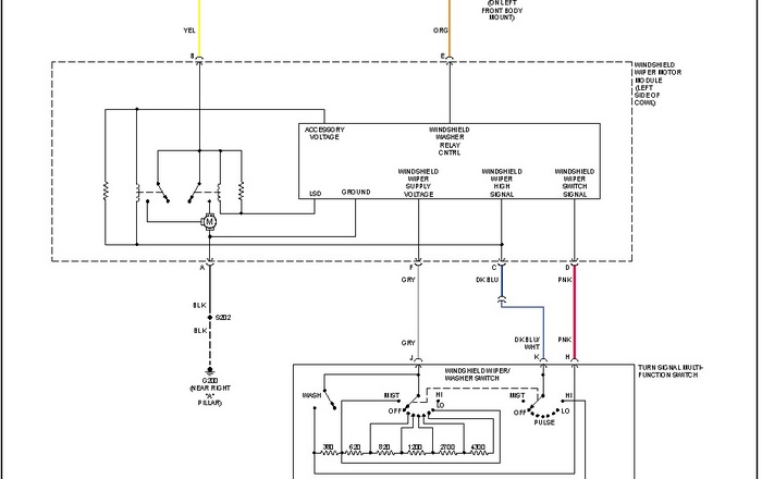
My windsheld wipers 2004 silverado won't shut off and the switch is not the problem
Thursday, February 17th, 2011 AT 8:57 PM
2 Replies
JDL
MECHANIC
16,098 POSTS
Our database shows this for testing. The rest is up to you.
Images (Click to make bigger)
Was this
answer
helpful?
Yes
No
Thursday, February 17th, 2011 AT 9:10 PM
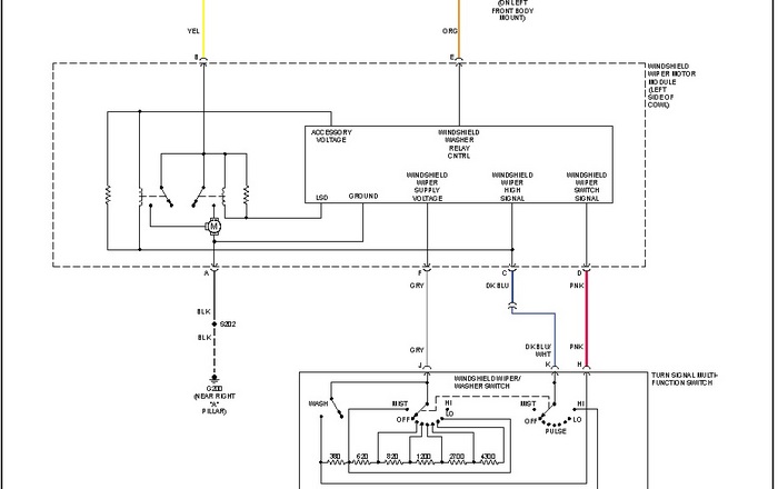
JDL
MECHANIC
16,098 POSTS
Just wanted to add this.
Images (Click to make bigger)
Was this
answer
helpful?
Yes
No
Thursday, February 17th, 2011 AT 9:22 PM
Please
login
or
register
to post a reply.
Related Wiper Switch Content
Windshield Wiper Switch
Replace Windshield Wiper Switch, Do I Need To Remove Steering Wheel To Replace Multifunction Switch?
Asked by
georgeyoung
·
2 ANSWERS
1988
CHEVROLET SILVERADO
2004 Chevy Silverado Windshield Wipers
My Windshield Wipers Will Not Turn Off. Im A Single Mother With A Very Small Budget. I Have Tried To Take Out The Fuse. Did Not Work. I...
Asked by
crackbackjack
·
19 ANSWERS
2004
CHEVROLET SILVERADO
1996 Chevy Silverado Wipers Not Working Correctly
1996 Chevy Silverado The Wipers On My 1996 Silverado Truck Do Not Work Correctly Now. The Low Speed On The Wipers Does Not Work....
Asked by
rdgallo
·
6 ANSWERS
1996
CHEVROLET SILVERADO
Wiper Module. Can't Find Part Anywhere 2003 Silverado
When We Search Online The Part Goes To 2002 And Starts Again For 2004. But Cant Find The Wiper Module For 2003 Chevrolet Silverado. Are We...
Asked by
ckim25
·
3 ANSWERS
2003
CHEVROLET SILVERADO
Windsheild Wiper Don't Turn Off Even With The Key Off.
The Wipers On My 2008 Chevrolet 2500 Don't Shut Off. The Only Way To Get Them To Turn Off Is By Pulling The Fuse. At The Wiper Motor, I...
Asked by
hoosier21x
·
3 ANSWERS
2008
CHEVROLET SILVERADO
VIEW MORE
Ask a Car Question. It's Free!
How to Use a Test Light