I need to know where any relays - fuses are for the air temperature adjustment sliders
2004 CHEVROLET MONTE CARLO
ROBERT L F
MEMBER
1 POST
FOLLOW
Drivers side won't get hot/warm. Can hear passenger side working when adjusted, hear nothing when adjusting drivers side.
Dec 25, 2011 at 7:19 PM
Advertisement
RIVERMIKERAT
CAR REPAIR CONTRIBUTOR
6,110 POSTS
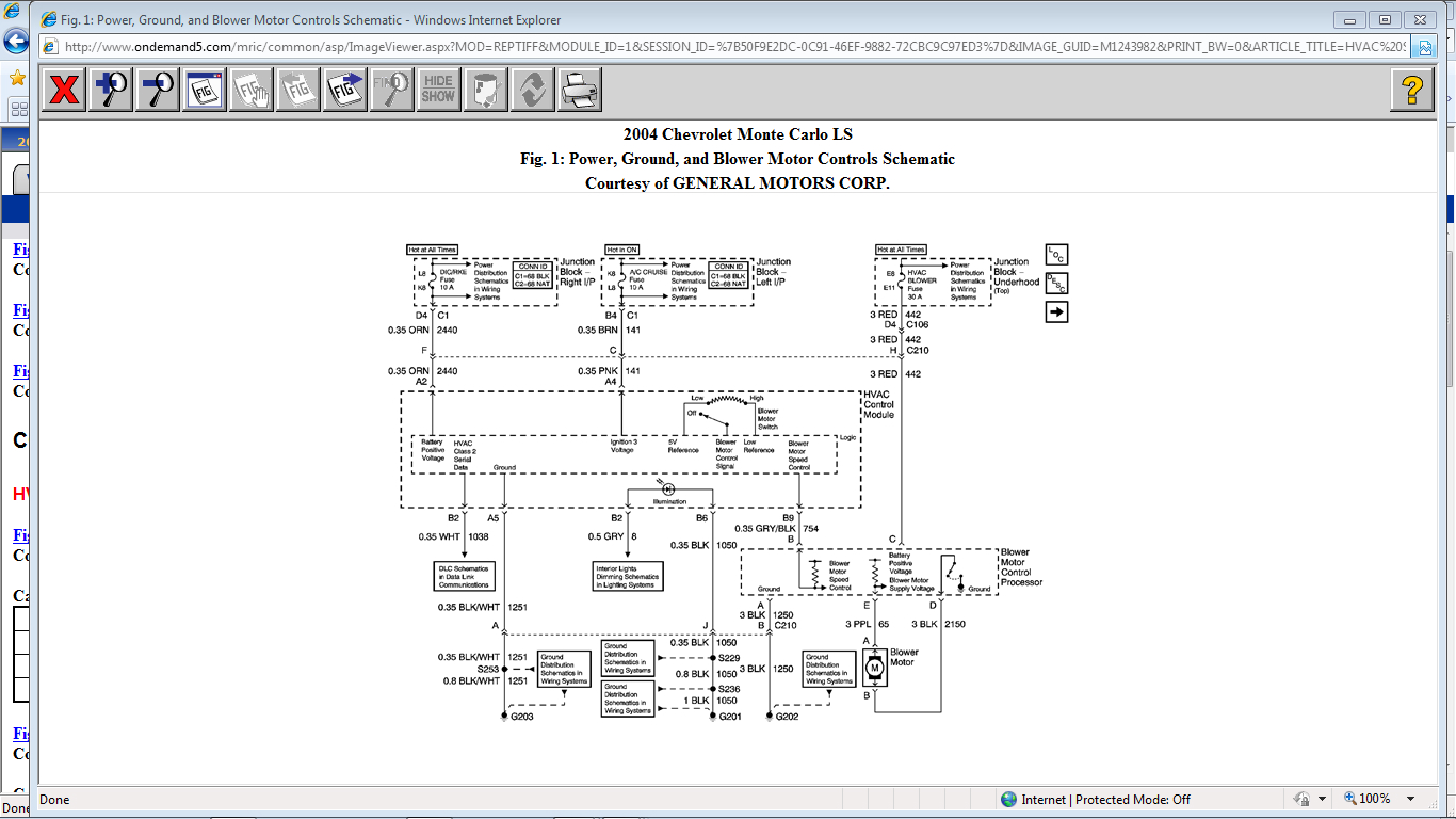
See image. Temperature control is usually vacuum-operated, though.
Image (Click to enlarge)
Dec 25, 2011 at 7:36 PM
Advertisement
WRENCHTECH
CAR REPAIR CONTRIBUTOR
20,761 POSTS
The blend door actuator is electric but it doesn't have any dedicated fuses or relays. It's operated by the control head which operates everything else.
Dec 25, 2011 at 8:12 PM
Repair Safety Notice: This information is for general instructional purposes only. Vehicle repair can be dangerous. Verify all information, follow manufacturer service procedures, use proper tools and safety equipment, and consult a qualified repair shop when needed.