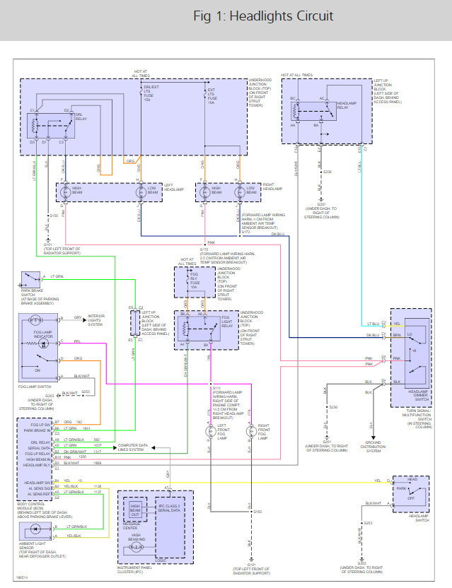
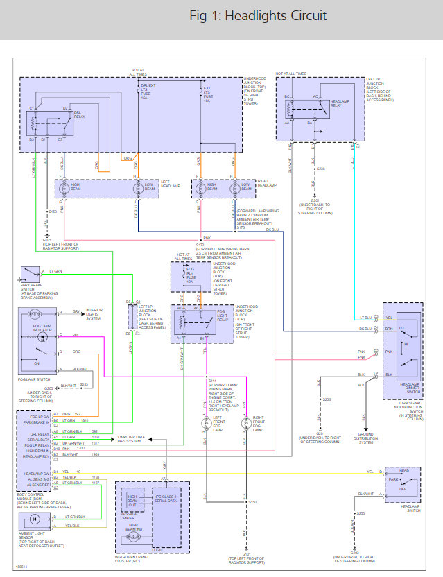
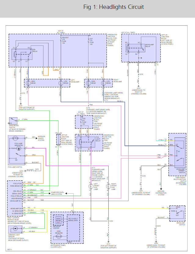
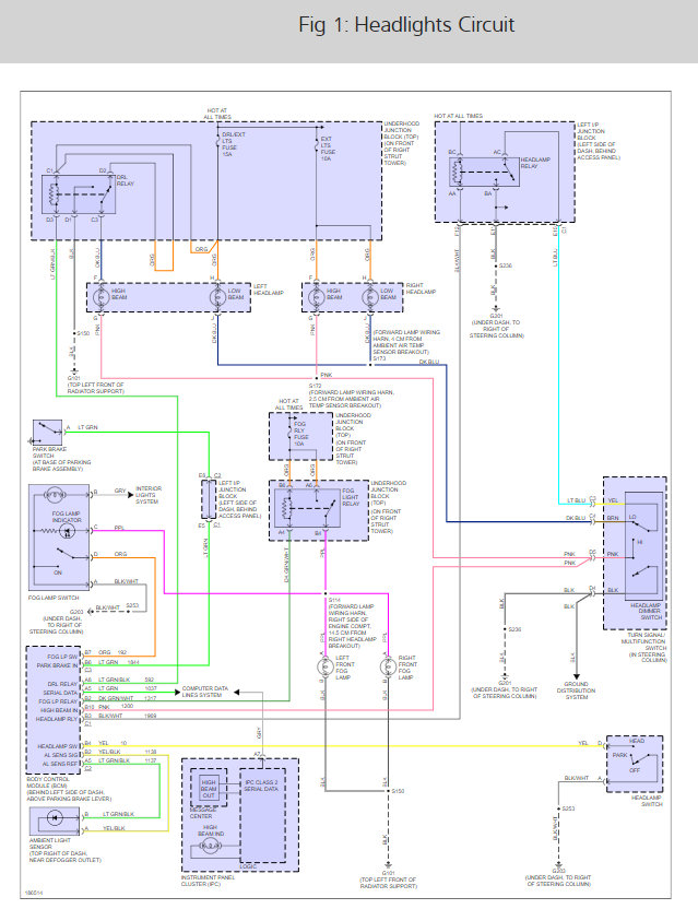
My highbeam light will not click on. You can hold them on and they work. But I know that there is a reason why they are not working just need to know what it is. Can you help me find out what it is? All other lights work and like I said highbeams work just will not click on. Could it be DTR lights I have checked the eye and it is not dusty. Not sure if maybe this is a problem in chevys or not.
Wednesday, October 19th, 2011 AT 2:18 PM





