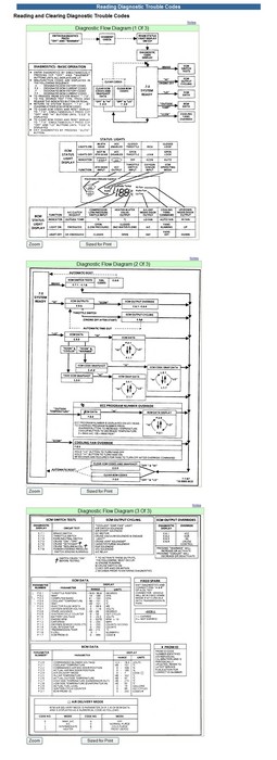
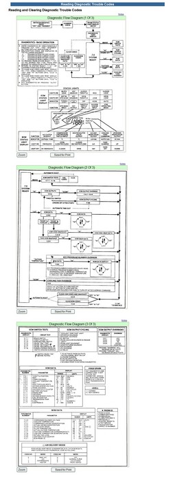
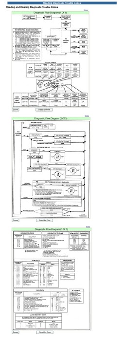
Sunday, April 17th, 2011 AT 8:38 PM
I know somewhere on here I read how to use the Feature Programming buttons on my 04 Cadillac to locate trouble codes. Can you please tell me where that is?
