My car wont start but the radio and AC is.

Tiny
ANONYMOUS
  • MEMBER
  • 2003 TOYOTA AVENSIS
  • 97,000 MILES
My car wont start but the radio and ac is working all lights on dasboard are ok
Sunday, April 7th, 2013 AT 12:40 PM

1 Reply

Tiny
HMAC300
  • MECHANIC
  • 48,601 POSTS
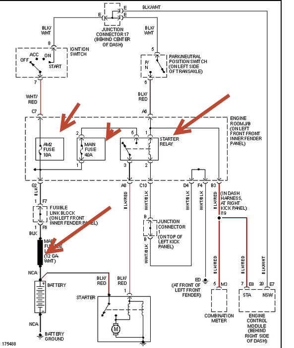
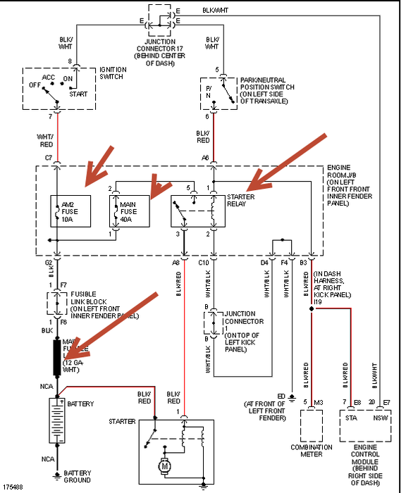
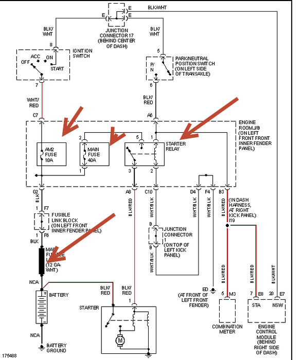
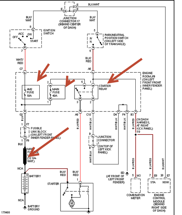
We don't have avensis model in u.S but am sending a diagram of a Avalon and yours should be similar. Check the things I've pointed out as it could be a blown fuse or fusible link burnt or a bad relay. Make sure battery is in good condition including a load test
Was this
answer
helpful?
Yes
No
Sunday, April 7th, 2013 AT 3:06 PM

Please login or register to post a reply.