How do you remove the starter?

Tiny
HROD
  • MEMBER
  • 2003 SATURN VUE
  • 110,000 MILES
I am removing the engine. I need to remove the starter to get to the flex plate and I can only see one bolt for the starter.
Saturday, December 24th, 2011 AT 1:18 AM

2 Replies

Tiny
KEN L
  • MASTER CERTIFIED MECHANIC
  • 55,244 POSTS
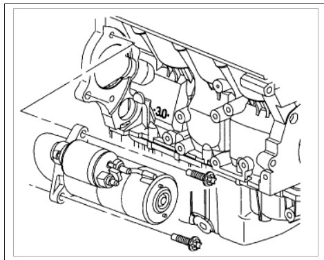
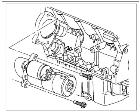
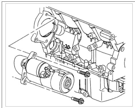
Yep these can be tough because the top bolt you need to use an extension and a universal 14mm socket. Here is a guide to show you what you are in for when doing the job.

https://www.2carpros.com/articles/how-to-replace-a-starter-motor

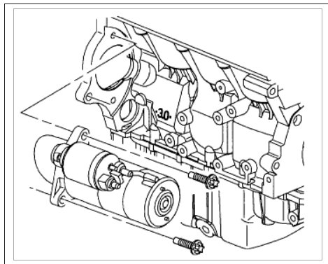
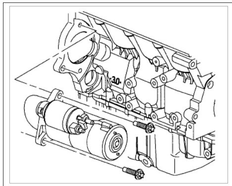
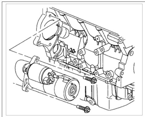
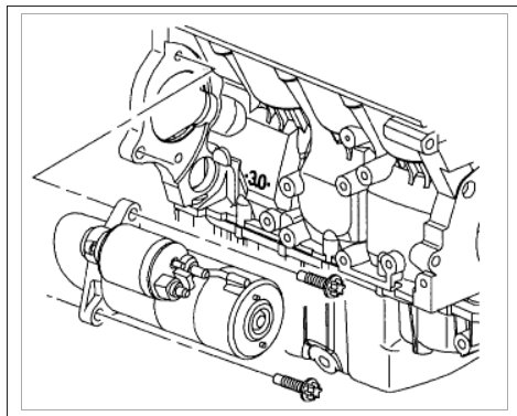
Here are diagrams of what it will be like for your car (below)

Please let us know if you need anything else to get the problem fixed.

Cheers, Ken
Was this
answer
helpful?
Yes
No
Saturday, December 24th, 2011 AT 1:59 AM
Tiny
SATURNTECH9
  • MECHANIC
  • 30,869 POSTS
Just to add to this if its the V6 engine its going to be a lot harder then the 4cyl one. That starter is under the intake on the v6 and you have to feel around for the bottom bolt.
Was this
answer
helpful?
Yes
No
Saturday, December 24th, 2011 AT 2:42 AM

Please login or register to post a reply.