How to troubleshoot fan

Tiny
CONAIR64
  • MEMBER
  • 2003 SATURN ION
  • 200,000 MILES
Radiator cooling fan will not come on?
Saturday, July 21st, 2012 AT 9:44 PM

3 Replies

Tiny
SATURNTECH9
  • MECHANIC
  • 30,869 POSTS
Does your ac work?If so turn the ac on and see if you have power and ground to the fan motor. Most likely its the cooling fan motor thats bad.
Was this
answer
helpful?
Yes
No
+3
Saturday, July 21st, 2012 AT 10:56 PM
Tiny
ALAN LE
  • MEMBER
  • 4 POSTS
The late question replaced the cooling fan, it worked for a few days. Now it is not turn on when the temperature at the fan-on level, replaced the sensor, still not on.
Was this
answer
helpful?
Yes
No
-1
Saturday, June 15th, 2019 AT 12:36 AM
Tiny
KEN L
  • MASTER CERTIFIED MECHANIC
  • 55,281 POSTS
Hello,

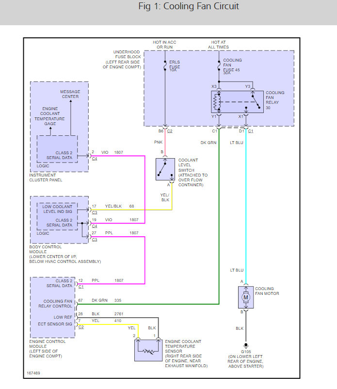
It sounds like the cooling fan relay is not working. but to be sure here is a guide and the cooling fan wiring diagrams so you can see how the system works with the relay location as well:

https://www.2carpros.com/articles/how-to-check-an-electrical-relay-and-wiring-control-circuit

Check out the diagrams (below). Please let us know what you find. We are interested to see what it is.

Was this
answer
helpful?
Yes
No
Tuesday, June 18th, 2019 AT 12:49 PM

Please login or register to post a reply.