Husband heard a pop then car stopped Abd had not.

Tiny
ANONYMOUS
  • MEMBER
  • 2003 PONTIAC VIBE
  • 175 MILES
Husband heard a pop then car stopped Abd had not moved since. Motor turns by hand, checked fuses, theyare fine, checked And replaced soleinoid, also had starter and alternator tested as well when key is inserted lights radio and everything turns on. There is sound at all when moved to on position. ODM will not link. Please help.
Friday, March 22nd, 2013 AT 8:49 PM

8 Replies

Tiny
MHPAUTOS
  • MECHANIC
  • 31,937 POSTS
So you are saying that engine will not run or the engine runs and the car will not drive?
Was this
answer
helpful?
Yes
No
Friday, March 22nd, 2013 AT 9:53 PM
Tiny
DEEVAUGHN
  • MEMBER
  • 3 POSTS
Nothing is happening. Engine willnot run and car will not drive. It willnot turn over. Nothing not a sound.
Was this
answer
helpful?
Yes
No
Friday, March 22nd, 2013 AT 10:10 PM
Tiny
MHPAUTOS
  • MECHANIC
  • 31,937 POSTS
Start with the battery, is it charged? Check for voltage at the main starter cable and check for power at the starter solenoid with the key on start, check all fuses and fusible links, I feel that a main fuse has blown, let me know what you find.
Was this
answer
helpful?
Yes
No
Friday, March 22nd, 2013 AT 10:21 PM
Tiny
DEEVAUGHN
  • MEMBER
  • 3 POSTS
The have done all of this when the solenoid was replaced. We also replaced the main fuse as well. Could it be a cpu issue? If so canit be rebooted and how or does it have to be replaced and reprogramed my a mechanic?
Was this
answer
helpful?
Yes
No
Saturday, March 23rd, 2013 AT 12:49 AM
Tiny
MHPAUTOS
  • MECHANIC
  • 31,937 POSTS
If the battery is sound, you will have to trace the power supply through to the ECU and ensure there is continuity of power, have you checked ALL fuses and fusible links>
Was this
answer
helpful?
Yes
No
Saturday, March 23rd, 2013 AT 12:57 AM
Tiny
DEEVAUGHN
  • MEMBER
  • 3 POSTS
That was our first thought so we have been very through checking the power through the system. All fuses and links have been checked. Any thoughts on why the OBD 2 did not give error or any codes. It stated unable to link.
Was this
answer
helpful?
Yes
No
Saturday, March 23rd, 2013 AT 1:07 AM
Tiny
MHPAUTOS
  • MECHANIC
  • 31,937 POSTS
OBD system covers engine management if there was a fault there it should pick it up, so that is why I feel it is in power supply this will not be covered by OBD
Was this
answer
helpful?
Yes
No
Saturday, March 23rd, 2013 AT 1:11 AM
Tiny
CJ MEDEVAC
  • MECHANIC
  • 11,005 POSTS
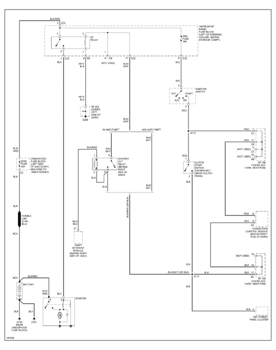
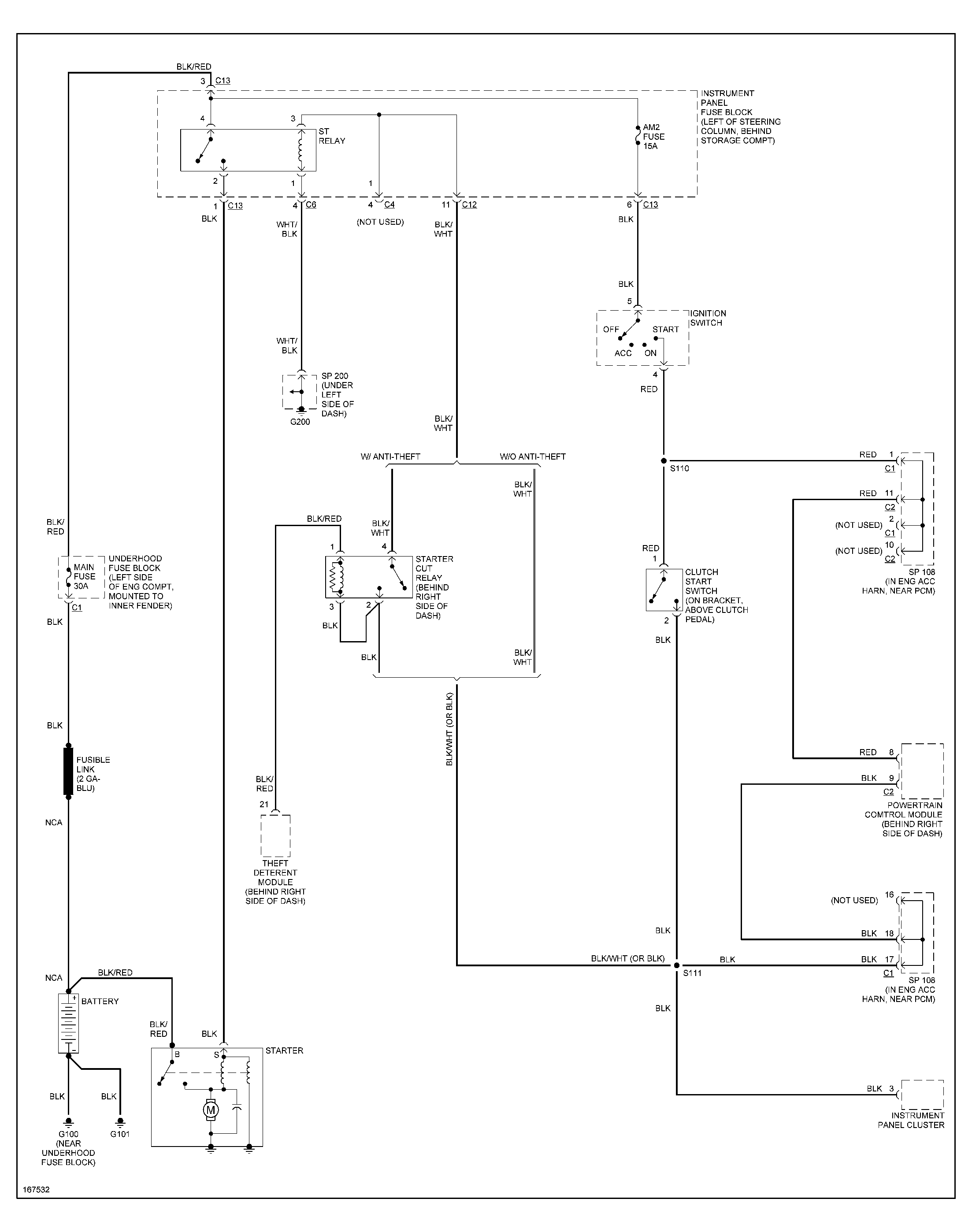
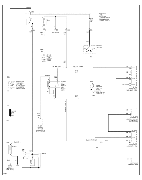
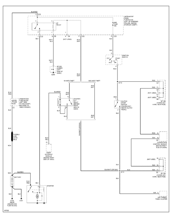
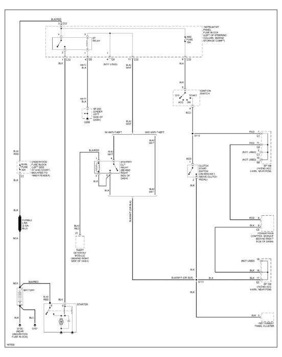
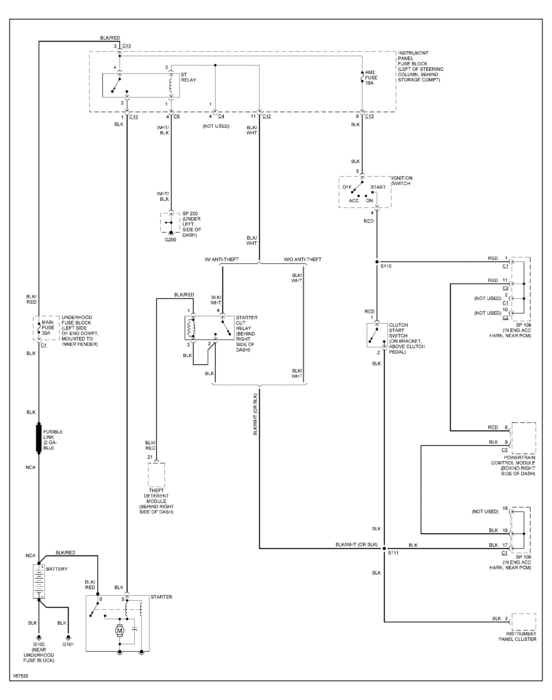
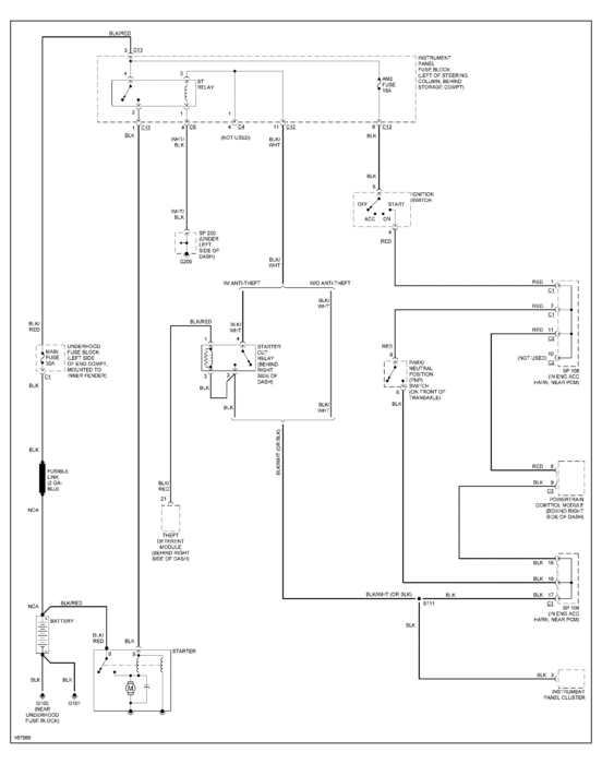
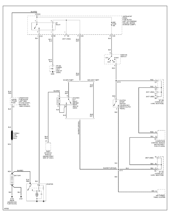
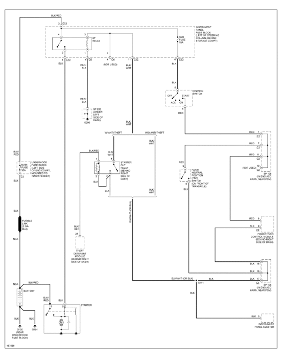
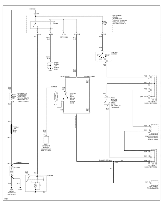
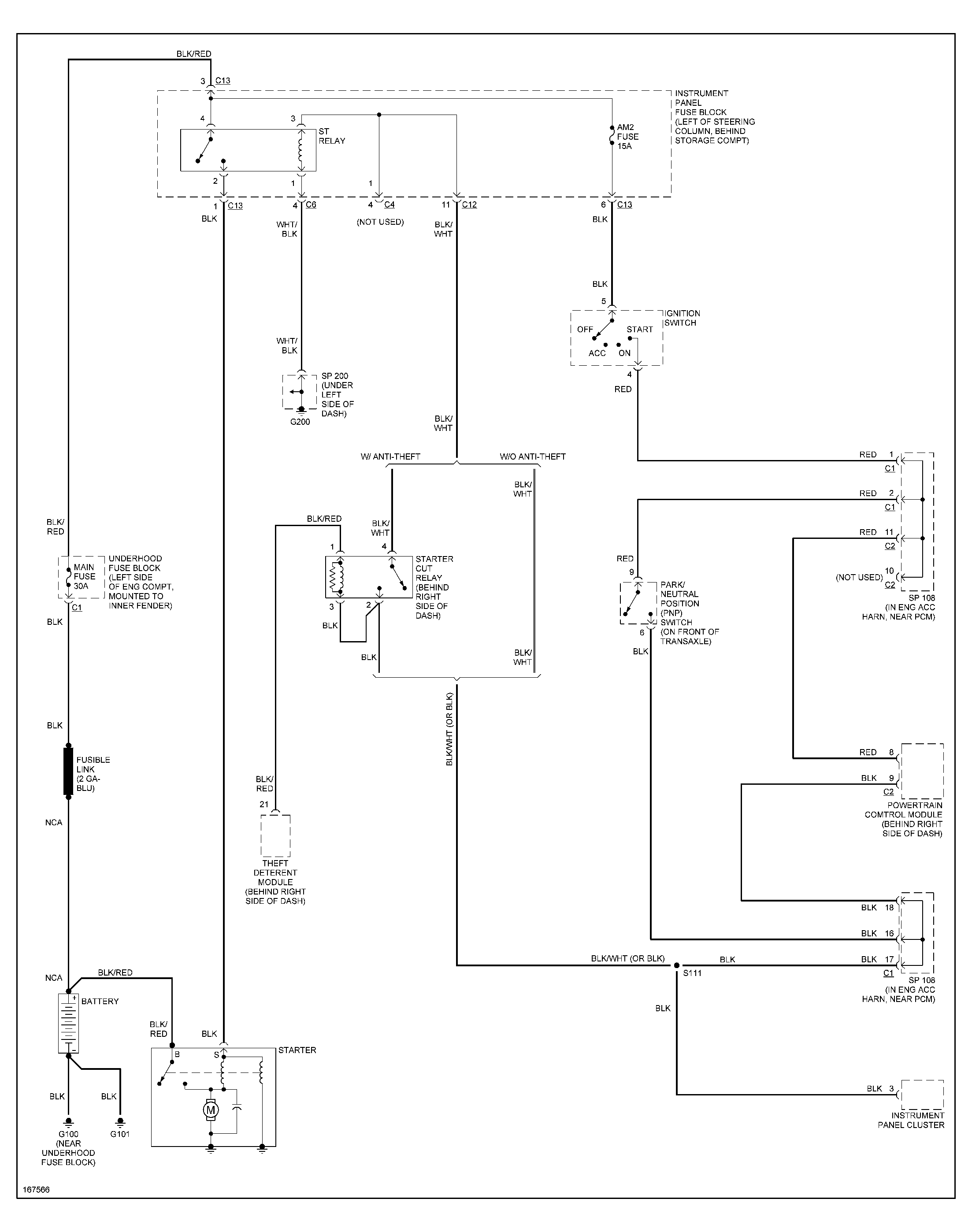
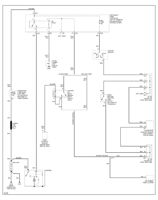
YOUR NOMENCLATURE AND ENGINE SIZE SORTA SEEM TO STILL BE WITH YOU

I GRABBED 2 DIAGRAMS FROM "MITCHELL I"

1) STARTING CIRCUIT W/ AUTOMATIC TRANNY

2) STARTING CIRCUIT W/ MANUAL TRANNY

I FEEL SURE THESE DIAGRAMS AND SOME SIMPLE TESTS SHOULD POINT YOU IN A DIRECTION TO FOLLOW---THESE START AT THE BATTERY AND EVENTUALLY WIND UP AT THE STARTER........YOUR ISSUE IS SOMEWHERE IN BETWEEN!

3) ONE OF MY HOME-MADE PICS----A SIMPLE WAY OF USING A TEST LIGHT TO CHECK FOR CONTINUITY OF A FUSE/ A FUSIBLE LINK/ ANYTHING THAT 12 VOLTS OF POWER "SHOULD RUN THRU".......BUT YOU CAN'T SEE THAT IT'S "OBVIOUSLY" GOOD OR BLOWN .......JUST LOOKIN' AT STUFF, DOESN'T QUALIFY IT AS BEING "GOOD"

4) JUST AN OPINION AFTER 32 YEARS OF NEARLY EVERYDAY STUDY

YOU MAY HAVE TO "MODIFY" THE TECHNIQUE BY INSERTING A PAPER CLIP, ETC INTO A CONNECTOR FOR THIS TO WORK ON SOME STUFF

SO MANY PEOPLE DON'T "GET ON IN THERE" AND DO A THOROUGH JOB........THIS POST MIGHT ENCOURAGE YOU ALSO

https://www.2carpros.com/questions/1996-chevrolet-tahoe-wont-start-sounds-dead-battery-jumpbox-get-same-reults

KEEP US POSTED ON PROGRESS

..........DON'T GIVE UP!

THE MEDIC

Was this
answer
helpful?
Yes
No
Saturday, March 23rd, 2013 AT 4:30 AM

Please login or register to post a reply.