How do I change the blasted spark plugs? Thanks

Tiny
ANONYMOUS
  • MEMBER
  • 2003 PONTIAC VIBE
  • 130,000 MILES
How do I change the blasted spark plugs? Thanks.
Sunday, December 9th, 2012 AT 1:40 PM

1 Reply

Tiny
HMAC300
  • MECHANIC
  • 48,601 POSTS
Make sure engien is cold before doing this and put anti sieze on new plugs.

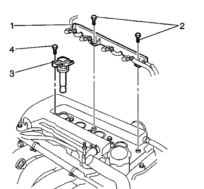
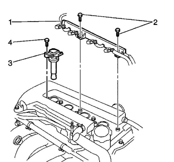
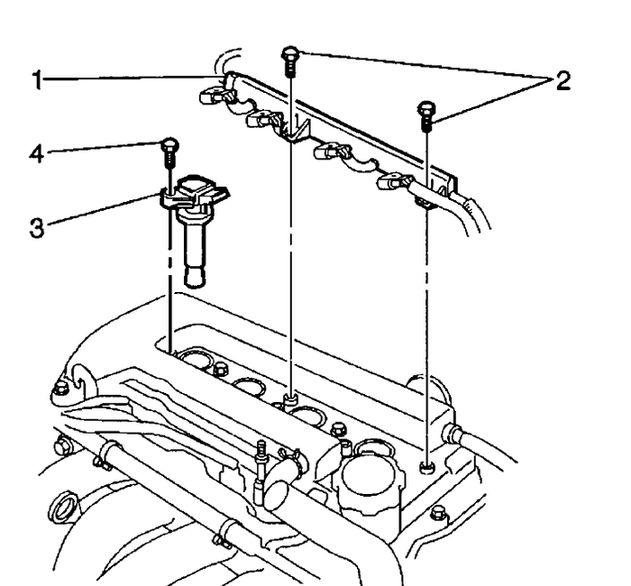
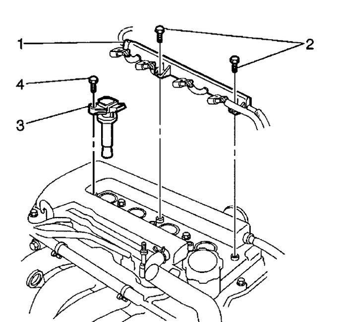
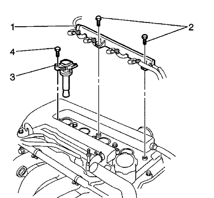
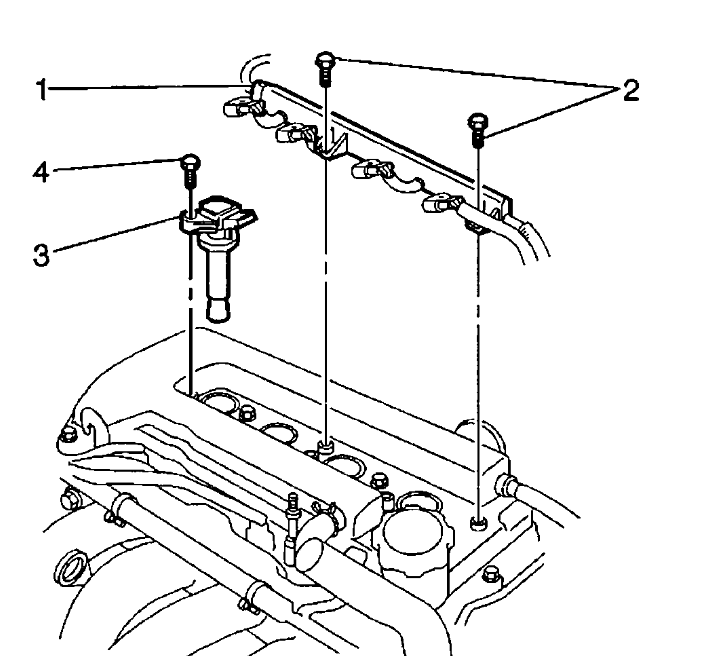
Removal

1. Remove the engine cover (1) bolts.
2. Remove engine cover (1).
3. Disconnect each ignition coil (3) wiring harness connector (1). See Fig. 72Â.
4. Remove the bolt (4) securing each ignition coil to the cylinder head cover. See Fig. 72Â.
5. Remove each ignition coil (3).
6. Remove spark plugs.
7. Inspect spark plugs for electrode wear,  carbon deposits and insulator damage.

Installation

1. Replace the spark plugs every 90,000 mi (144,000 km).
2. Set the spark plug gap. Bend only the side electrode if necessary. See SPARK PLUG TYPE and SPARK PLUG SPECIFICATIONS tables.

SPARKÂ PLUGÂ TYPE
Application Spark Plug Type Spark Plug No.
1.8L Except HO Denso SK20R11
NGK IFR6A11
1.8LÂ HO Denso SR16R11
NGK IFR5A11
Was this
answer
helpful?
Yes
No
Sunday, December 9th, 2012 AT 3:53 PM

Please login or register to post a reply.