Interior lights not working

Tiny
XJSHEN
  • MEMBER
  • 2003 PONTIAC MONTANA
  • 3.5L
  • V6
  • 2WD
  • AUTOMATIC
  • 65,000 MILES
2003 pontiac montana's interior lights would not come on automatically when I switch engine off or open car doors. I have to turn on or off manually.
Thanks for your comment and help!
Friday, July 18th, 2014 AT 7:58 AM

3 Replies

Tiny
KEN L
  • MASTER CERTIFIED MECHANIC
  • 55,302 POSTS
Hi XJSHEN,

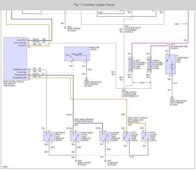
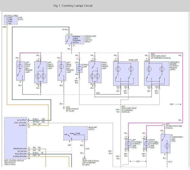
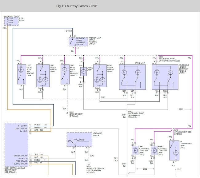
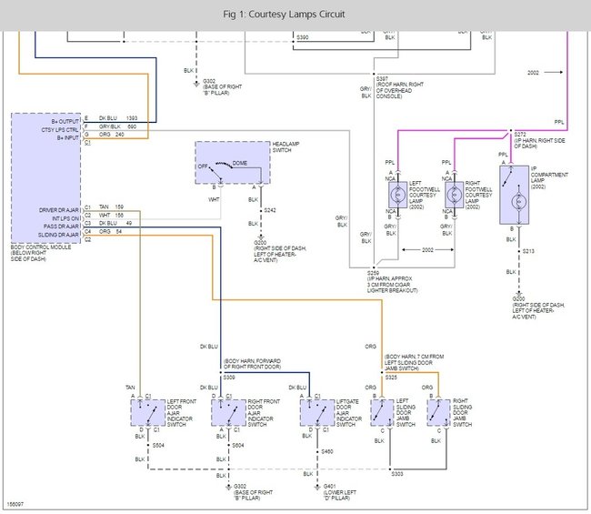
The interior light are run by the BCM which sounds like has gone bad, here is a wiring diagram so you can see if the BCM is sending power out to the lights which will confirms its failure.

https://www.2carpros.com/articles/how-to-use-a-test-light-circuit-tester

Please run some tests and get back to us so we can continue helping you.

Best, Ken
Was this
answer
helpful?
Yes
No
+1
Monday, February 27th, 2017 AT 1:45 PM
Tiny
XJSHEN
  • MEMBER
  • 246 POSTS
Thanks a lot for your instruction and help!
When use power key open the the door, the interior lights are now turn on. Once I turn on the interior light switch on the top near by lights box, the lights are all turn on but when close the door they all not turn off. So, I have to turn off the interior lights switch turn off constantly and use the lights manual operation because automatic power key or window close/open can not control it.
If I have to replace window switch? Thanks!
Was this
answer
helpful?
Yes
No
Monday, June 18th, 2018 AT 9:33 AM
Tiny
KEN L
  • MASTER CERTIFIED MECHANIC
  • 55,302 POSTS
Yes, I would test the switches which you can use the wiring diagrams I gave above and this guide.

https://www.2carpros.com/articles/how-to-use-a-test-light-circuit-tester

Please let us know what you find.

Cheers, Ken
Was this
answer
helpful?
Yes
No
-1
Monday, June 18th, 2018 AT 10:47 AM

Please login or register to post a reply.