My heater wont turn on? Is this a fuse/wiring.

Tiny
ANONYMOUS
  • MEMBER
  • 2003 PONTIAC MONTANA
  • 216,500 MILES
My heater wont turn on? Is this a fuse/wiring problem?
Friday, January 4th, 2013 AT 8:49 PM

2 Replies

Tiny
JDL
  • MECHANIC
  • 16,098 POSTS
Are you saying the blower motor won't work? Check for voltage and ground at the blower motor wiring connector. Give me a second to find wiring diagram.
Was this
answer
helpful?
Yes
No
Friday, January 4th, 2013 AT 9:16 PM
Tiny
JDL
  • MECHANIC
  • 16,098 POSTS
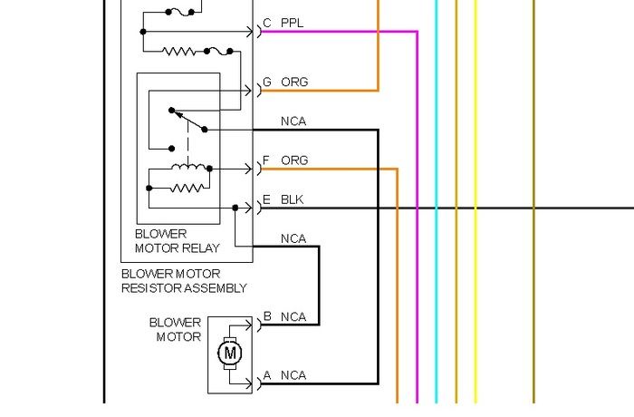
In the diagram, terminal A is voltage for blower motor, terminal B is ground. If you have good voltage and ground with key on, hvac on, and no blower action, suspect the blower motor.
Was this
answer
helpful?
Yes
No
Friday, January 4th, 2013 AT 9:24 PM

Please login or register to post a reply.