The fuses keep blowing for the heater blower and.

Tiny
TONYABOONE
  • MEMBER
  • 2003 OLDSMOBILE ALERO
  • 186,000 MILES
The fuses keep blowing for the heater blower and heater. Why? What should I do?
Saturday, December 29th, 2012 AT 11:41 PM

1 Reply

Tiny
DRCRANKNWRENCH
  • MECHANIC
  • 3,380 POSTS
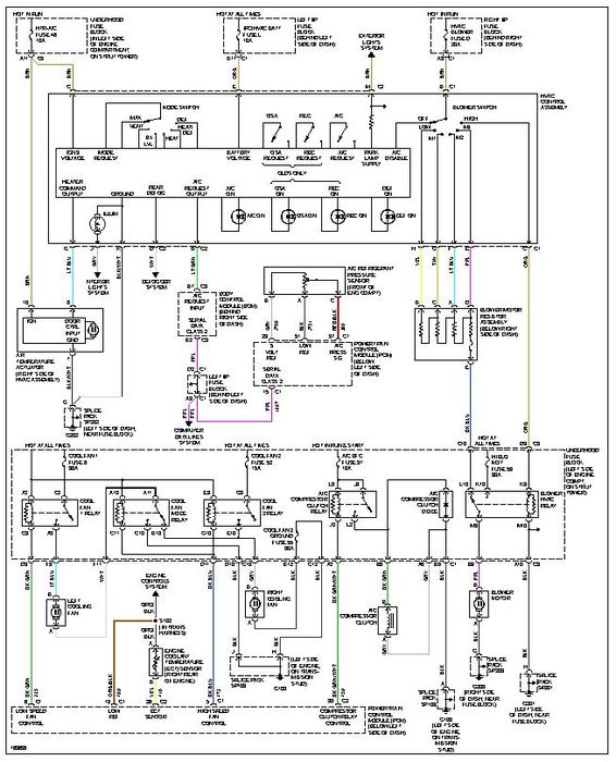
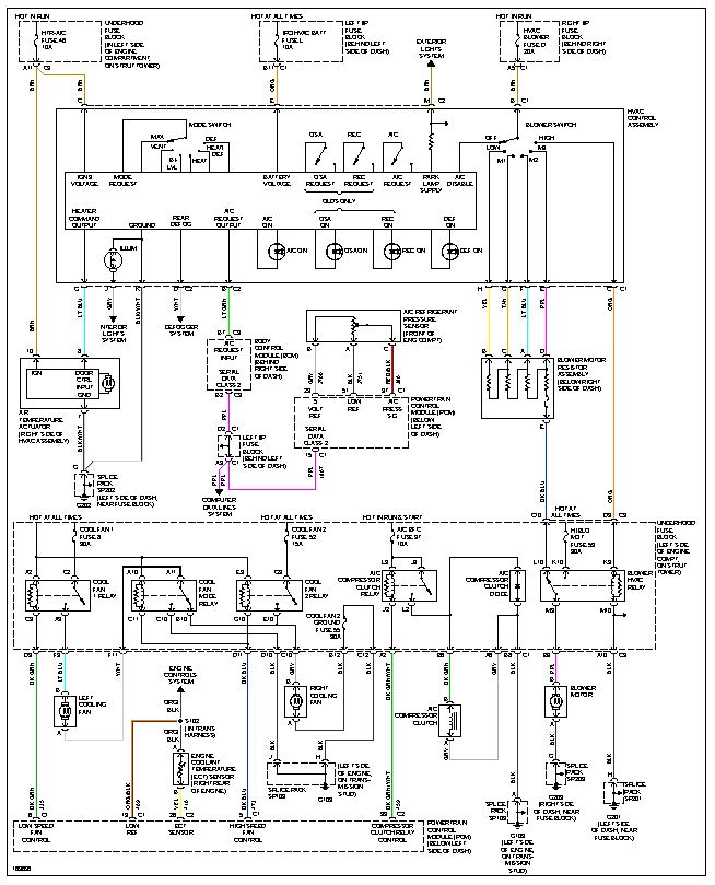
I am attaching a wiring diagram of the heat/A/C system. Note the blower motor circuit on right. It ends in a splice pack that could likely be a source for a short. However you are going to have to inspect all wiring in circuit for exposed or shorted wires.
Was this
answer
helpful?
Yes
No
Sunday, December 30th, 2012 AT 12:43 AM

Please login or register to post a reply.