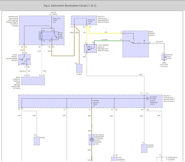
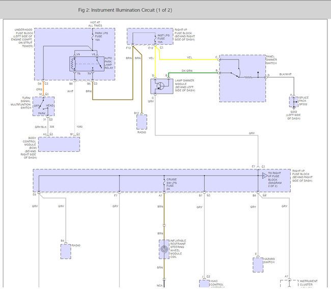
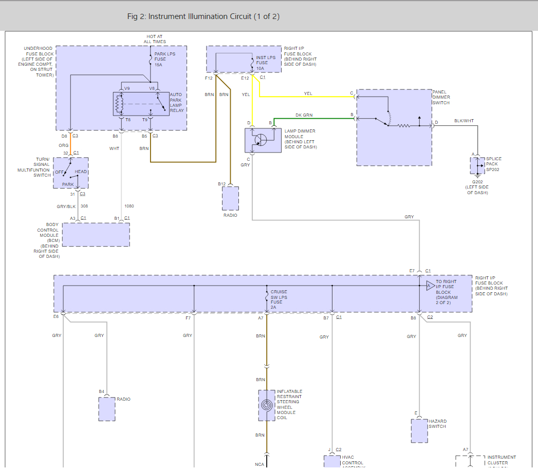
Saturday, July 27th, 2013 AT 12:28 PM
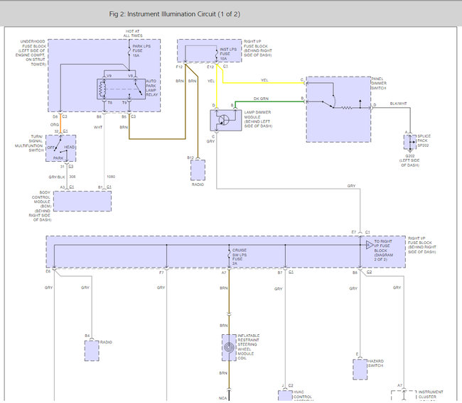
I have a Oldsmobile alero I can't figure out why the dash lights won't work. I have checked all the fuses they are all good. Is their another thing I can do to fix it or try to fix it. There was a recall on the hazard switch witch made the blinker quit working. I have already fixed that. I made sure the dimmer switch is on.




