How do I change head gasket on 2.2 ecotec motor on 2003 olds Alero?

Tiny
ANONYMOUS
  • MEMBER
  • 2003 OLDSMOBILE ALERO
  • 125,000 MILES
How do I change head gasket on 2.2 ecotec motor on 2003 olds alero?
Monday, December 17th, 2012 AT 3:51 PM

1 Reply

Tiny
HMAC300
  • MECHANIC
  • 48,601 POSTS
Removal Procedure

1. Disconnect negative battery cable. Refer to BATTERY NEGATIVE CABLE DISCONNECT/CONNECT PROCEDURE in Engine Electrical.
2. Remove the intake manifold. Refer to INTAKE MANIFOLD REPLACEMENT.
3. Remove the power steering pump bolts and set pump aside.

Fig. 183: Power Steering Pump Bolts
Courtesy of GENERAL MOTORS CORP.

4. Remove the exhaust manifold. Refer to EXHAUST MANIFOLD REPLACEMENT in Engine Exhaust.
5. Remove the timing chain. Refer to TIMING CHAIN,  SPROCKETS,  AND/OR TENSIONER REPLACEMENT.
6. Drain the cooling system. Refer to DRAINING AND FILLING COOLING SYSTEM (3.4L) or DRAINING AND FILLING COOLING SYSTEM (2.2L (L61)) in Engine Cooling.
7. Remove the cylinder head bolts in sequence and discard.

Fig. 184: Cylinder Head Bolts Removing Sequence
Courtesy of GENERAL MOTORS CORP.

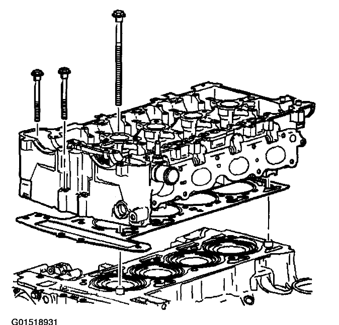
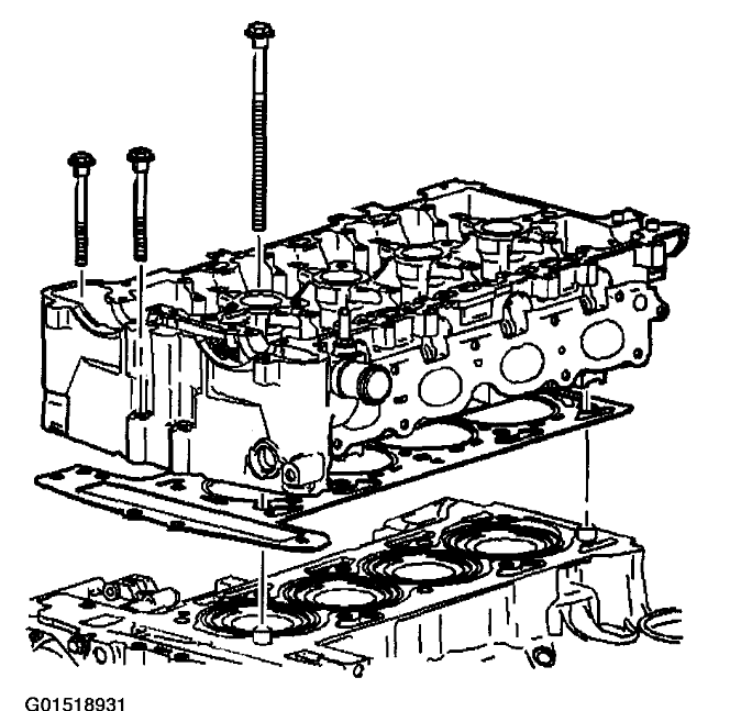
8. Remove the cylinder head and gasket.
9. Clean all gasket surfaces.

Fig. 185: Cylinder Head & Gasket
Courtesy of GENERAL MOTORS CORP.

Installation Procedure

1. Install the cylinder head and gasket.
2. Install NEW cylinder head bolts.

Head bolt torque 30nm plus 155 degrees use new bolts
Was this
answer
helpful?
Yes
No
+7
Friday, April 30th, 2021 AT 9:15 AM

Please login or register to post a reply.