Nats malfunction code P1610 and P1614 please help

Tiny
ATTY
  • MEMBER
  • 2003 NISSAN ALMERA
  • 70,000 MILES
Please help very desperate my question is for my nissan almera 53 reg having problem starting it. Code givin is p1610 nats malfunction and p1614 nats malfunction car was absolutely fine but one morning got in the car and it wont start at all and the immobiliser red key light stays on it wont turn at all, havent dropped the key and the key still holds the code as I have got it checked. Have even changed the exact same ecu and immobiliser and the ignition system and key still not starting. I have already read some answers to the problem. That I need a nats repair loom which replaces original wires from the ignition barrel transponder and the nats immu and it will take 30 min tho fix. I was wondering if any one can tell me how to locate these wires as I can't find this loom in the car so I can probably get a second hand loom from a scrap yard. I just have 1 key

thanking you.
Thursday, May 10th, 2012 AT 12:28 PM

8 Replies

Tiny
DOCFIXIT
  • MECHANIC
  • 18,828 POSTS
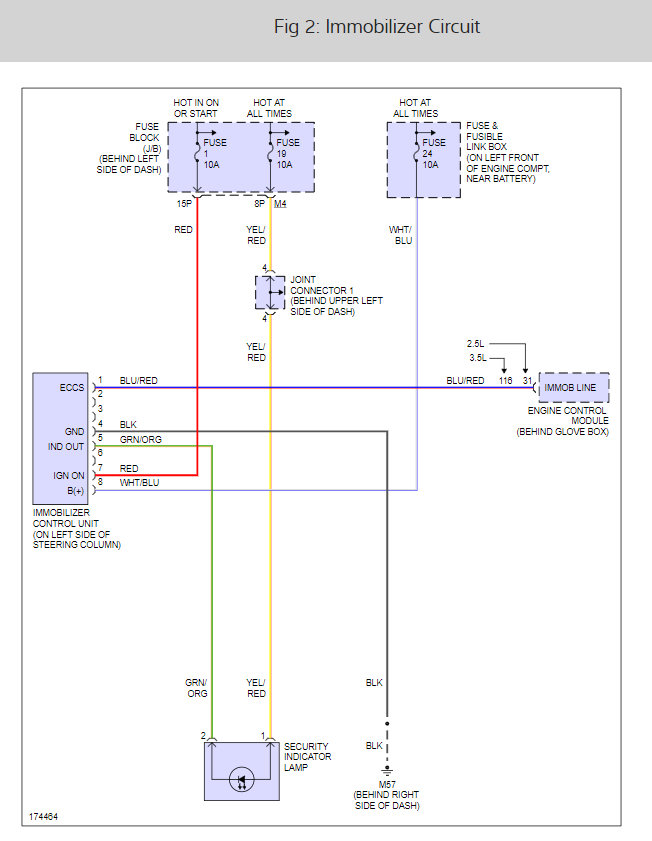
I would start by checking fuse number 24 - 10 amp if that okay it sounds like you have a problem with the NATS module but to be sure lets try a reset of the system.

I like to remove the negative battery cable at the battery and hold it to the positive cable. This will discharge the system and unload the capacitors which with hard reboot the system. Then reconnect the battery and try the key.

Here is a repair manual, guide on how to reset the system as well. (below)

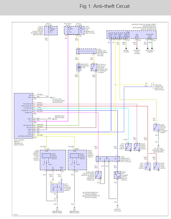
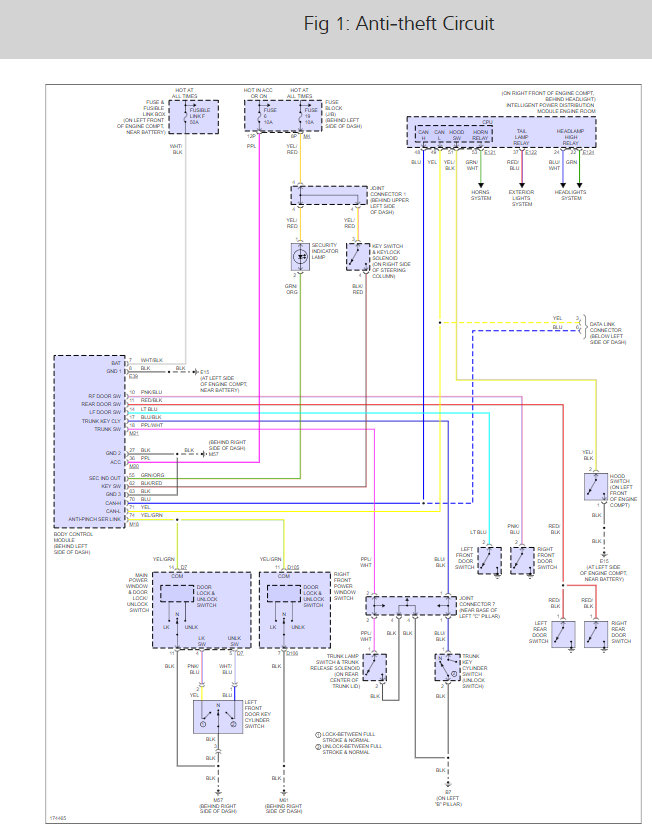
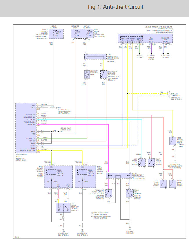
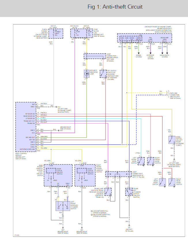
VEHICLE SECURITY SYSTEM DEACTIVATION

To deactivate the vehicle security system, a door or the trunk lid must be unlocked with the key or key fob. When the key is used to unlock a door, BCM terminal 74 receives signal

from terminal 14 of the main power window and door lock/unlock switch.
When the key is used to unlock the trunk lid, BCM terminal 17 receives a ground signal from terminal 1 of the trunk key cylinder switch (unlock switch).

When the BCM receives either one of these signals or unlock signal from key fob, the vehicle security system is deactivated. (Disarmed phase)

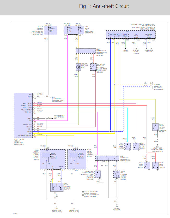
PANIC ALARM OPERATION

Remote keyless entry system may or may not operate vehicle security system (horn and headlamps) as required.

When the remote keyless entry system is triggered, ground is supplied intermittently

from IPDM E/R terminal 53
to headlamp high relay and
to horn relay terminal 2.
The headlamp flashes and the horn sounds intermittently.

The alarm automatically turns off after 30 seconds or when BCM receives any signal from key fob.

https://www.2carpros.com/articles/how-to-check-a-car-fuse

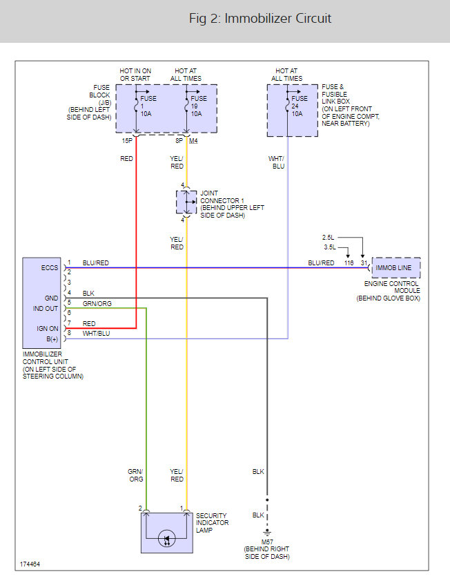
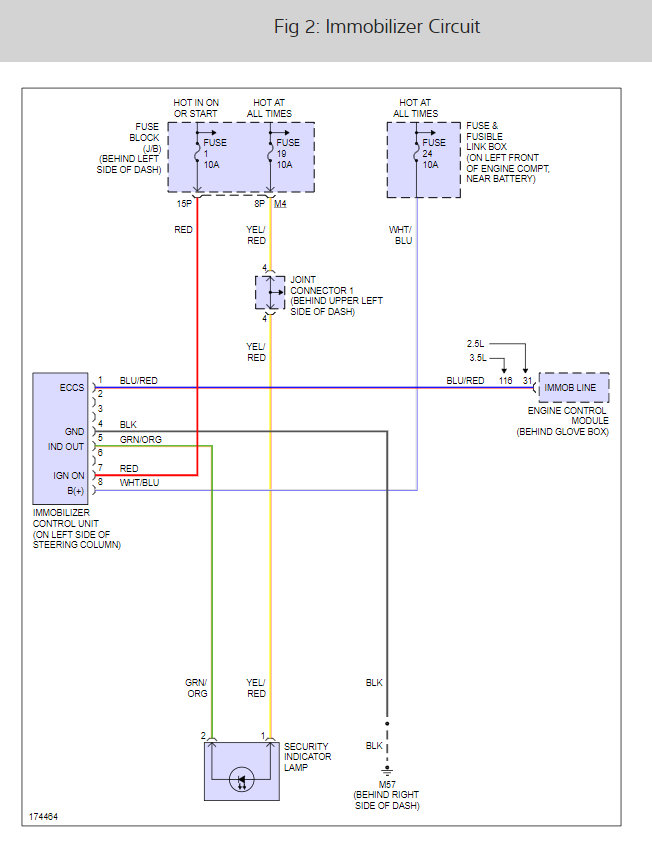
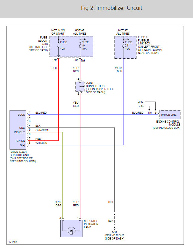
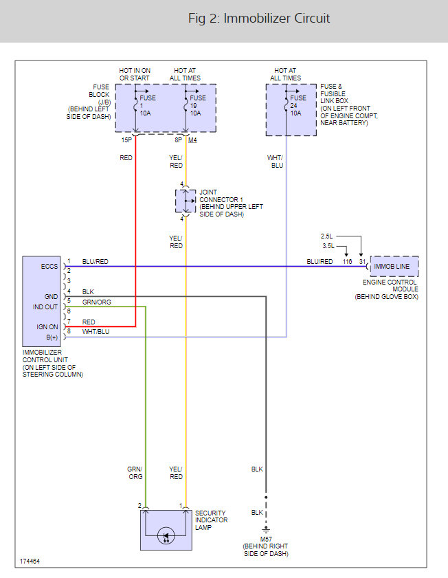
Here is the security system wiring so you can see how the system works.

Please let us know what happens.

Cheers
Was this
answer
helpful?
Yes
No
+6
Thursday, May 10th, 2012 AT 6:02 PM
Tiny
ATTY
  • MEMBER
  • 5 POSTS
But when I put in the new ecu and immobiliser and ignition barrel it came with a key which still wont start. Can you please tell me whats a ecm? I have got the key checked and the codes exist in the key I have put the original ecu and the whole system back in and going to return the one I bought from scrap yard.
Was this
answer
helpful?
Yes
No
+9
Thursday, May 10th, 2012 AT 6:02 PM
Tiny
DOCFIXIT
  • MECHANIC
  • 18,828 POSTS
Key codes must be programed dealer has equipment. Keeps someone from stealing car changing out theses items and have a drivable car
Was this
answer
helpful?
Yes
No
+2
Thursday, May 10th, 2012 AT 6:07 PM
Tiny
ATTY
  • MEMBER
  • 5 POSTS
So you think that I dont need a nats repair wiring loom? And I have to get it reprogrammed
Was this
answer
helpful?
Yes
No
+2
Thursday, May 10th, 2012 AT 6:15 PM
Tiny
DOCFIXIT
  • MECHANIC
  • 18,828 POSTS
Need dealer Consult-II to diagnose and re-register key code
Was this
answer
helpful?
Yes
No
+2
Thursday, May 10th, 2012 AT 6:22 PM
Tiny
ATTY
  • MEMBER
  • 5 POSTS
I already have a code p1610 & p1614 do you know any thing about this? You havnt answerd my original question. I already know I have to go to a dealer. What is the point of asking somebody for help on this website then
Was this
answer
helpful?
Yes
No
+10
Thursday, May 10th, 2012 AT 6:54 PM
Tiny
DOCFIXIT
  • MECHANIC
  • 18,828 POSTS
All 1600 nats codes the proceedure is to use Cosult-! And follow a diagnostic tree have no majic answer
Was this
answer
helpful?
Yes
No
+2
Thursday, May 10th, 2012 AT 6:58 PM
Tiny
ATTY
  • MEMBER
  • 5 POSTS
Thank you!
Was this
answer
helpful?
Yes
No
+1
Thursday, May 10th, 2012 AT 7:10 PM

Please login or register to post a reply.