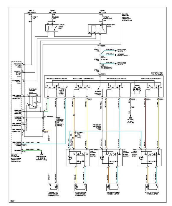
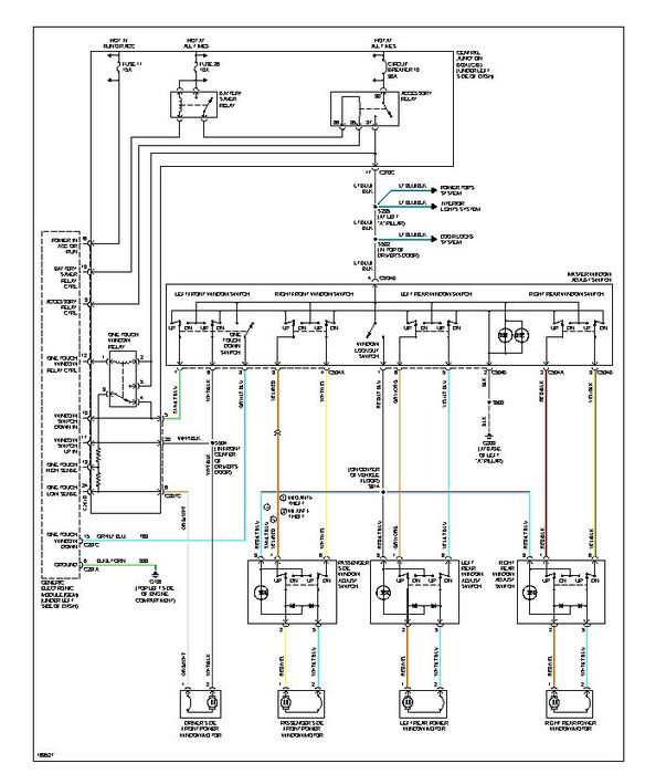
The power windows don't work on any door except the drivers door, but even it isn't working right. It will go down, but not back up. It is NOT the motor. I had to take the door apart and hot wire the motor to get the window back up. If power is applied directly, it works just fine.
Oddly enough, when the problem first started, if you opened the driver's door half way or so the window would go back up while pressing the switch. This trick stopped working after the first few times and it got stuck half way down when I had to take the door apart and hot wire the motor.
I thought at first given that you could get it back up by moving the door half way open or so that maybe there was a short in the harness somewhere, but I'm not finding one and that doesn't account for the other 3 windows not working at all. I tested the 10A fuse with my multi-meter and it's fine, which leaves in my humble opinion a faulty relay?
The only relay I'm seeing for the power windows on this car is the "power down" relay (which deals with pressing the switch all the way down once and the window auto-downs the rest of the way).
I think I read that the control panel for the windows on the driver's door is kind of a central hub for all the windows. And so I'm wondering if IT has gone bad and not a relay.?
Please help!
-Horribly confused at this point
Tuesday, December 18th, 2012 AT 12:07 AM


