Thursday, September 15th, 2011 AT 2:50 PM
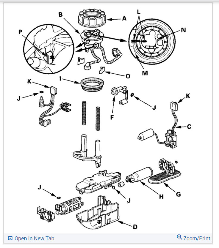
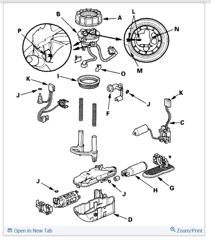
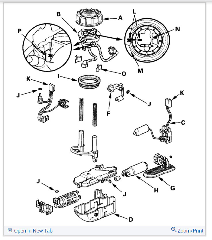
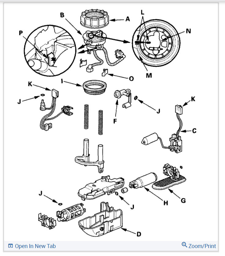
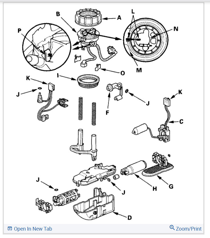
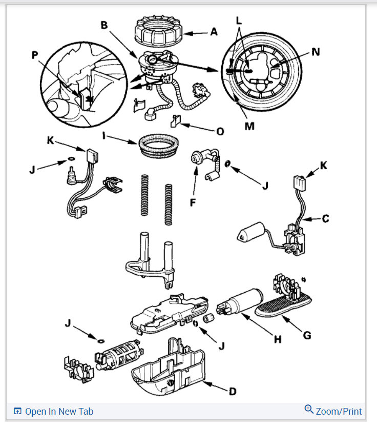
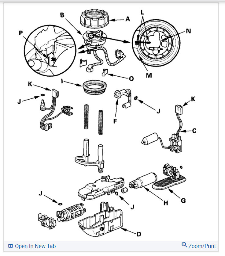
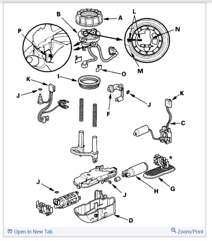
After putting gas in the car why would the gas gauge drop to empty after only driving for a short period of time?My girlfriend rented a civic and put 3/4 of a tank in yesterday to come down here from another city. I know with that car it only takes an eighth of a tank to come to my house. We drove to a friends and then to dinner last night, and when she got in the car this morning, the gauge read empty and the gas light was on. The drive to my friends and dinner should've only taken an eight as well.






