Where is the GEM MODULE located?

Tiny
DUNCOMBE242
  • MEMBER
  • 2003 FORD EXPLORER
  • 100 MILES
Where do I find the GEM module to determine if there is a break in the wire, or if a harness has slipped?
Tuesday, June 19th, 2012 AT 2:29 PM

9 Replies

Tiny
DOCFIXIT
  • MECHANIC
  • 18,828 POSTS
Vehicle does not have a GEM
Was this
answer
helpful?
Yes
No
-2
Tuesday, June 19th, 2012 AT 2:34 PM
Tiny
DUNCOMBE242
  • MEMBER
  • 6 POSTS
I'm asking because I spoke with Roy last night and this is his reply;
"Replied on June 18, 2012
could be the cluster or the gem module. Just guessing here as very little info to go on. Get a shop to confirm this as they can monitor systems with a scan tool and verify the failure.

Roy

Answered by ASEMaster6371 (expert)
3,609 answers provided"

okay and if it does not have a GEM what explains the malfunctioning gauges and accessories?
Was this
answer
helpful?
Yes
No
-1
Tuesday, June 19th, 2012 AT 2:47 PM
Tiny
DOCFIXIT
  • MECHANIC
  • 18,828 POSTS
Maybe faulty cluster micro processor what al is on the blink?
Was this
answer
helpful?
Yes
No
Tuesday, June 19th, 2012 AT 2:53 PM
Tiny
KLHUDOCK64
  • MEMBER
  • 91 POSTS
I was just told on another Explorer forum multiple times to check the GEM located behind the dash to the left of the radio also.
Was this
answer
helpful?
Yes
No
Thursday, December 31st, 2020 AT 7:45 AM
Tiny
KASEKENNY
  • MECHANIC
  • 18,907 POSTS
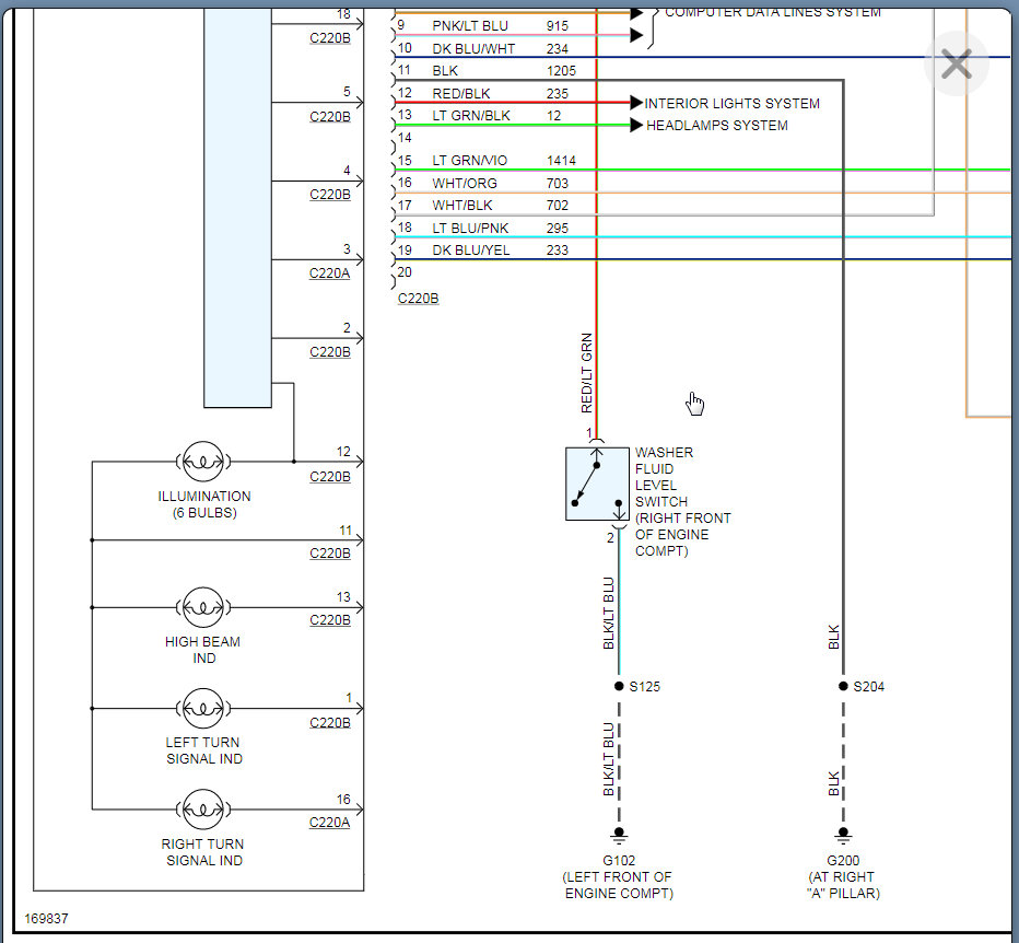
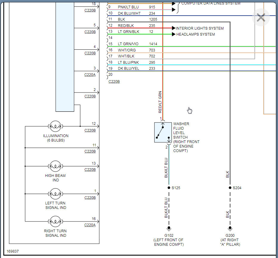
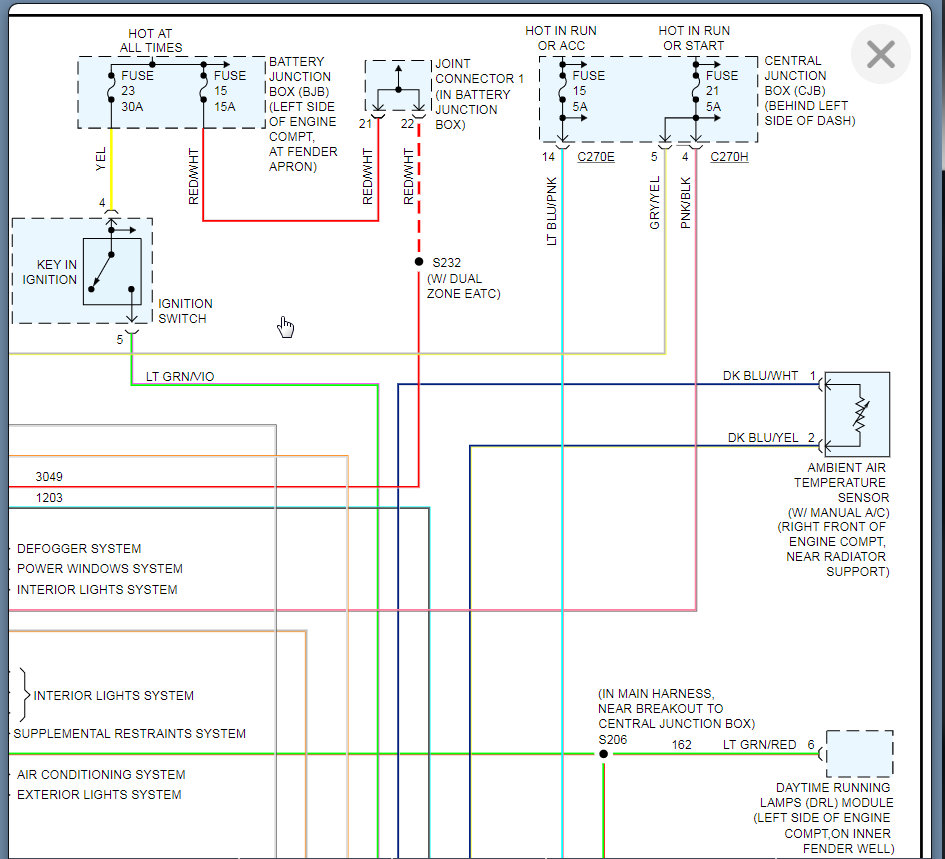
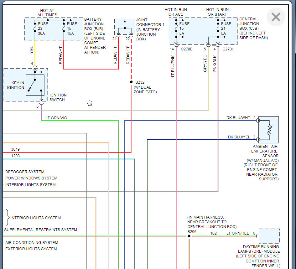
Do you have a 2003 Ford Explorer? If so there is no GEM module on that vehicle so I am thinking we have some confusion here. Below is the wiring diagram for the cluster which does not show a GEM.

I think the Generic Electronic Module is just a common name that some are confusing with the central security module on this vehicle. This is common with things like this.

Please see the attached info. I would ask those on the forums to provide the specifics because I venture to guess they will not because it doesn't exist under this name.

Let us know the specifics about your vehicle and then what you are trying to do and we should be able to sort out the confusion.
Was this
answer
helpful?
Yes
No
+2
Sunday, January 3rd, 2021 AT 9:08 AM
Tiny
KLHUDOCK64
  • MEMBER
  • 91 POSTS
No sorry, I do not have a 2003 I have a 1995 and the GEM is located to the left of radio in my 1995. Sorry about the confusion.
Was this
answer
helpful?
Yes
No
Sunday, January 3rd, 2021 AT 9:13 AM
Tiny
KASEKENNY
  • MECHANIC
  • 18,907 POSTS
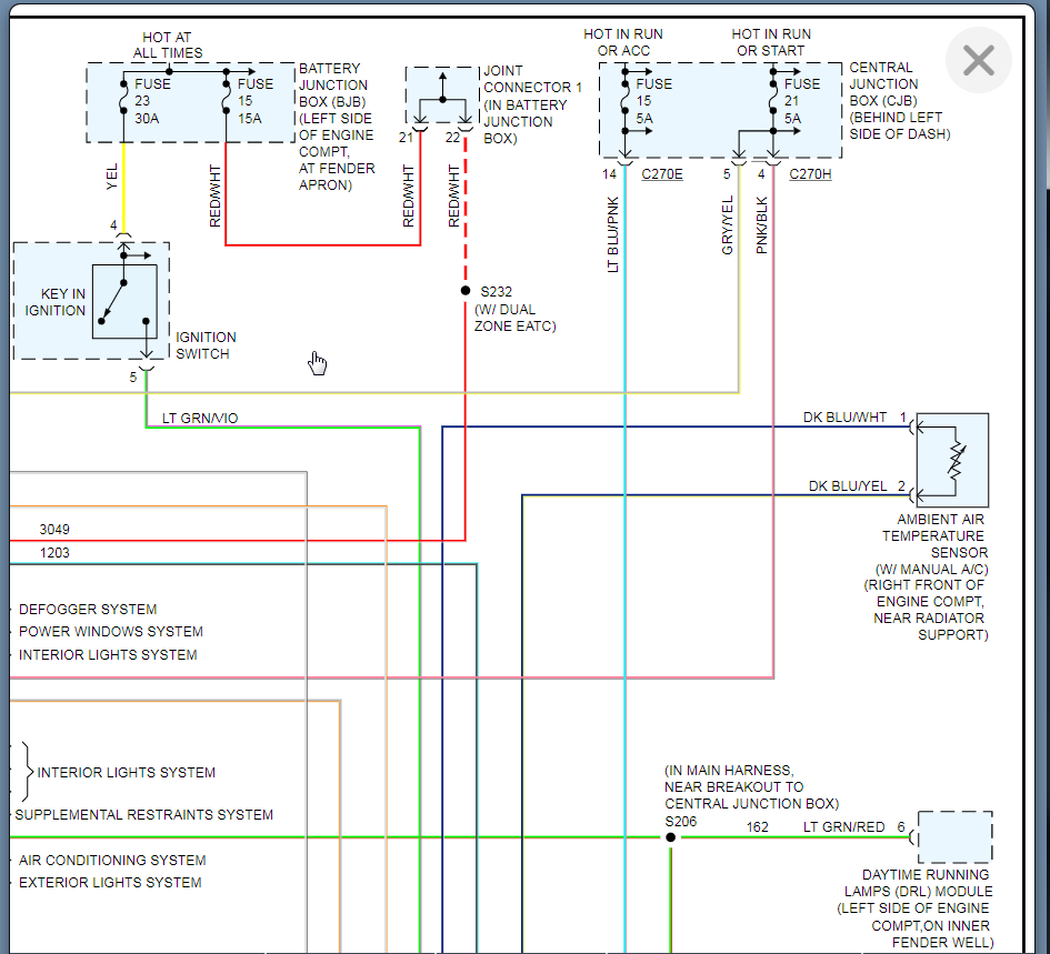
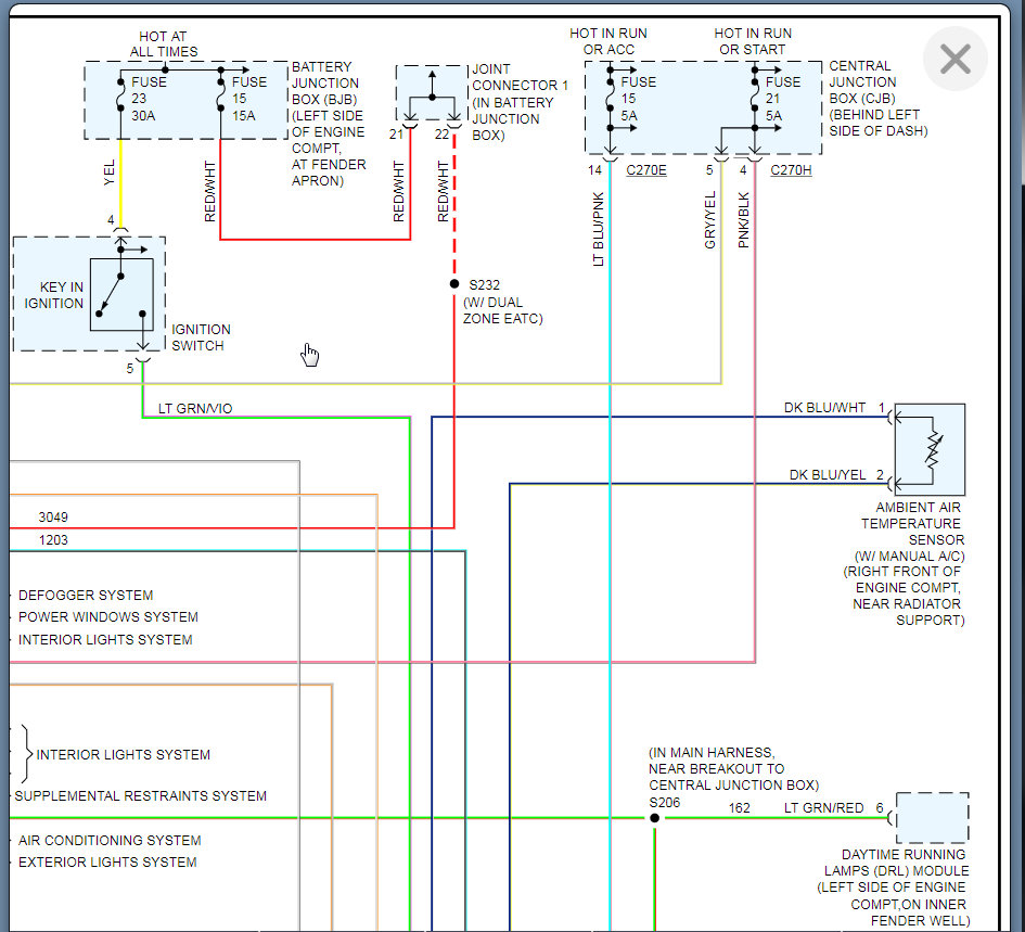
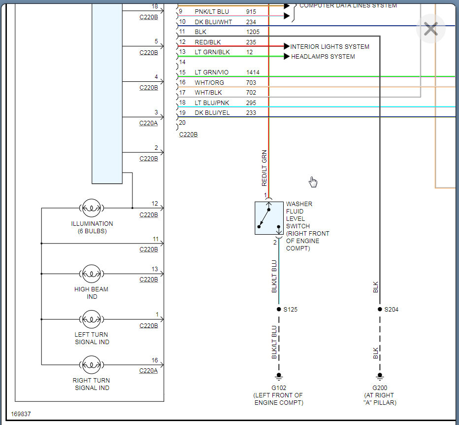
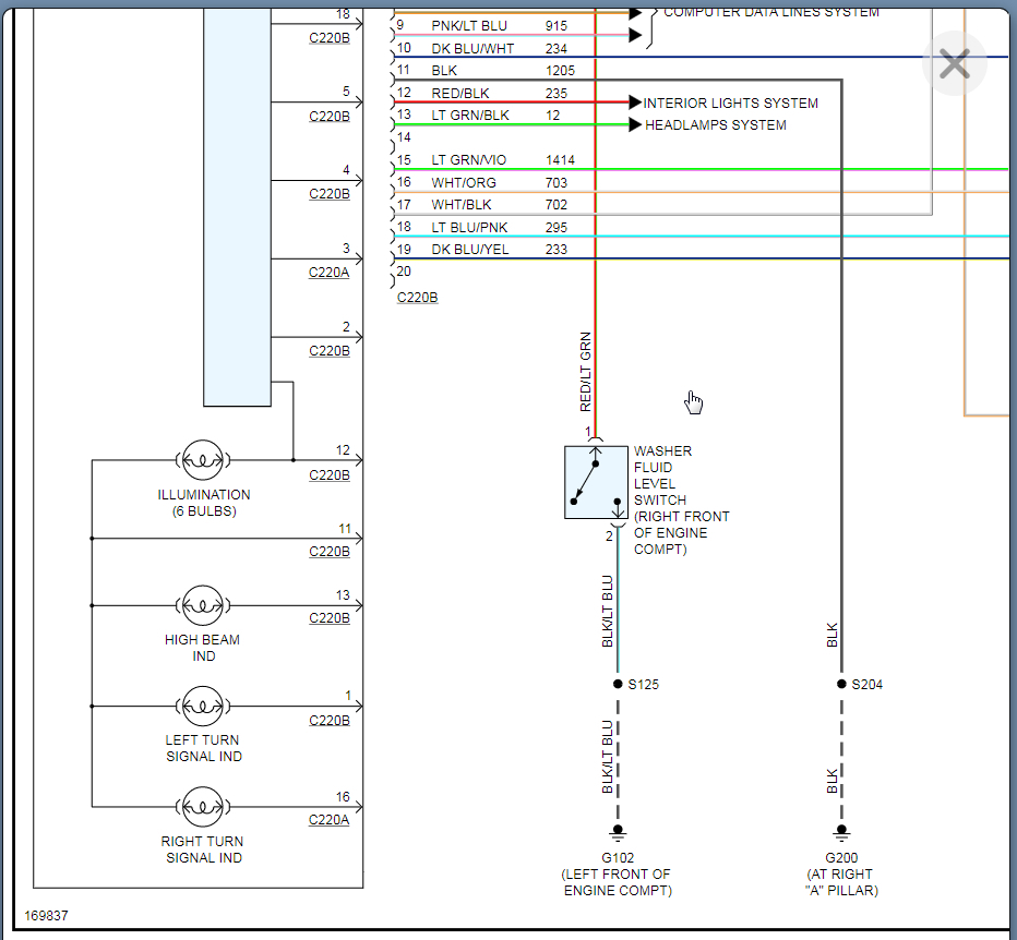
Perfect. That clears it up. Attached is the info on the GEM for your vehicle. Thanks for the update.
Was this
answer
helpful?
Yes
No
+2
Sunday, January 3rd, 2021 AT 6:42 PM
Tiny
KLHUDOCK64
  • MEMBER
  • 91 POSTS
Actually my issue is the wipers do not work. But I did screenshot these as my drivers inside door handle is off and there's a few wires cut on the harness going into the window up down switches. Thank you
Was this
answer
helpful?
Yes
No
Sunday, January 3rd, 2021 AT 6:57 PM
Tiny
KASEKENNY
  • MECHANIC
  • 18,907 POSTS
Oh. Got it. Okay. If you need help with that, we should get a new post started for the wipers. We need to try and keep each post to one topic and this one is talking about where the GEM is located. So let's get a new one started for the wipers if you need help with that.

https://www.2carpros.com/questions/new
Was this
answer
helpful?
Yes
No
+1
Monday, January 4th, 2021 AT 6:38 PM

Please login or register to post a reply.