2003 Ford Crown Victoria Heater door won't open

Tiny
KEN984
  • MEMBER
  • 2003 FORD CROWN VICTORIA
  • 4.6L
  • V8
  • RWD
  • AUTOMATIC
  • 180,000 MILES
We could not get any heat out of the vents. We replaced the control panel and still had no heat. So we replaced the blend door actuator motor and still no heat. Now we are back to thinking it might be the control panel again. I would like to do some troubleshooting before we send off another control panel. Can you let me know which wires from the control panel to check and what they should be reading. I found a schematic on the web but its a bit too small for me to get a clear idea of the colors and what each wire should read.
Thanks for your time.
Thursday, December 3rd, 2015 AT 11:53 AM

10 Replies

Tiny
HMAC300
  • MECHANIC
  • 48,601 POSTS
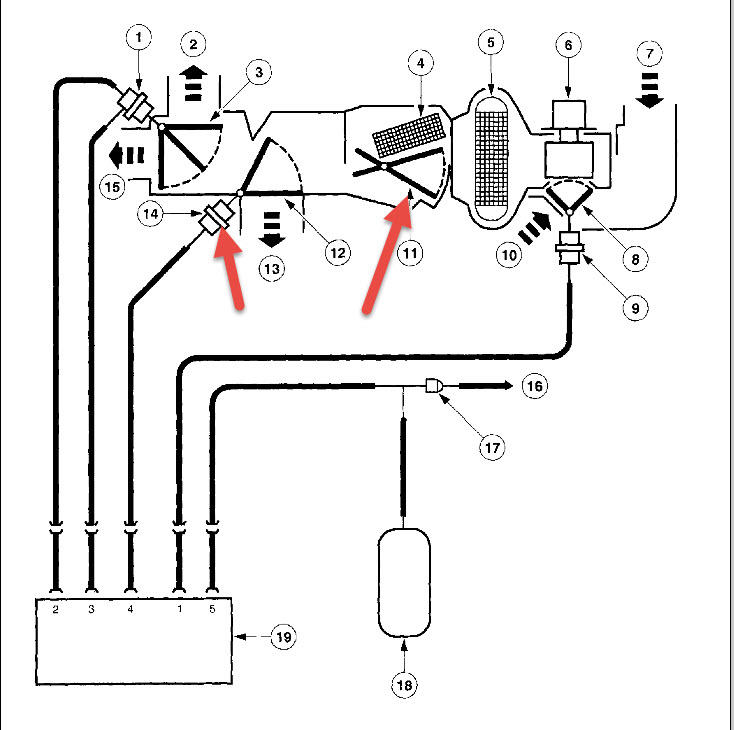
Check for a vacuum leak and check two items in pic for cause of no heat if both heater hoses are hot. They both should have vacuum. Also check to see if air inlet door is opening. Item 8 is air inlet door operated by 9 and item 1 sends air in direction.
Was this
answer
helpful?
Yes
No
-2
Thursday, December 3rd, 2015 AT 12:22 PM
Tiny
KEN984
  • MEMBER
  • 6 POSTS
Hi, thanks for the help. I checked and both of those doors are working. Both heater hoses are hot. It is just the door on the heater will not open. If I open it manually there is heat. This car has automatic climate controls. So there are no vacuum lines going to the heater door. It is run by wire thru the actuator motor. We have swapped actuator motors twice and it still doesn't activate from the control panel. Thanks again!
Was this
answer
helpful?
Yes
No
Friday, December 4th, 2015 AT 7:25 AM
Tiny
HMAC300
  • MECHANIC
  • 48,601 POSTS
Try pullilng hvac fuse inside car for 60 seconds with key on it may reset the actuator to work
Was this
answer
helpful?
Yes
No
Friday, December 4th, 2015 AT 7:46 AM
Tiny
KEN984
  • MEMBER
  • 6 POSTS
Hello again,
I tried pulling the fuse. Still didn't make the heat work. Can you get me a wiring schematic and a list of what signals on which wires to check for? It almost has to be a bad wire between the motor and the control panel.
Was this
answer
helpful?
Yes
No
+1
Monday, December 7th, 2015 AT 6:25 AM
Tiny
HMAC300
  • MECHANIC
  • 48,601 POSTS
I wish you would have said earlier it's auto temp control. This has to be scanned for codes. That is the only way to see what is wrong as there is a blower speed controller as well as sensor that can screw p and prevent you from getting heat. Try the self diagnostic i'm sending in pic then get back with codes if any. However because you changed the control head it may say nothing due to those have to be programmed into your vehicle.
Was this
answer
helpful?
Yes
No
+1
Monday, December 7th, 2015 AT 7:18 AM
Tiny
KEN984
  • MEMBER
  • 6 POSTS
Hi again.
I ran the diagnostic check.
Code 051
Code 025
Code 024
Was this
answer
helpful?
Yes
No
-1
Monday, December 7th, 2015 AT 12:46 PM
Tiny
HMAC300
  • MECHANIC
  • 48,601 POSTS
The pics i'm sending is for one of the codes the others deal with a blend door problem. It is 18 pages long and to much for me to copy and send. I would recommend seeing if library has 2002-3-4 repair books and go to pinpoint test A under auto hvac repair. You can also rent a manual from us for a week I think cost is $13 or so not sure. The other code deals with the one sensor that is giving the code. The solar radiation sensor is probably in dash on top.
Was this
answer
helpful?
Yes
No
+1
Monday, December 7th, 2015 AT 1:23 PM
Tiny
KEN984
  • MEMBER
  • 6 POSTS
Ok, I will start checking those tomorrow. The blend door problem seems to be my issue. I bought a Haynes manual, hopefully that will have what I need. I will let you know what I find.
Was this
answer
helpful?
Yes
No
+1
Monday, December 7th, 2015 AT 2:22 PM
Tiny
HMAC300
  • MECHANIC
  • 48,601 POSTS
You will want to go for test for code B1249 for blend door problem if they have that. Or if they have it like ford it will be pinpoint test A
Was this
answer
helpful?
Yes
No
Monday, December 7th, 2015 AT 3:30 PM
Tiny
KEN984
  • MEMBER
  • 6 POSTS
Final update. After swapping the blend door actuator motor a 3rd time from the original motor to one purchased at Autozone and finally to a genuine Motorcraft part the system is working. Thanks for all your help with this. There was no way I could have traced it down without your help.
Was this
answer
helpful?
Yes
No
+2
Wednesday, December 9th, 2015 AT 7:38 AM

Please login or register to post a reply.