My 2003 Dodge stratus 4door sedan`s Aux Power outlet has no power; and will not charge my phone or power any devices
Apr 14, 2011 at 11:35 AM
Advertisement
BMRFIXIT
CAR REPAIR CONTRIBUTOR
19,053 POSTS
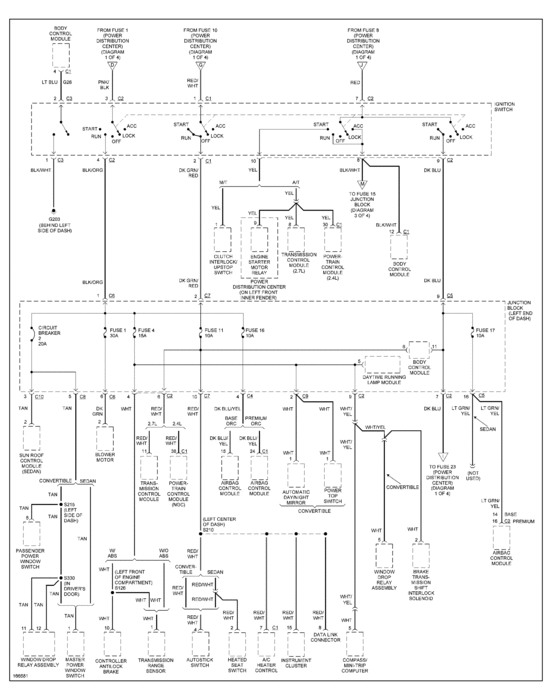
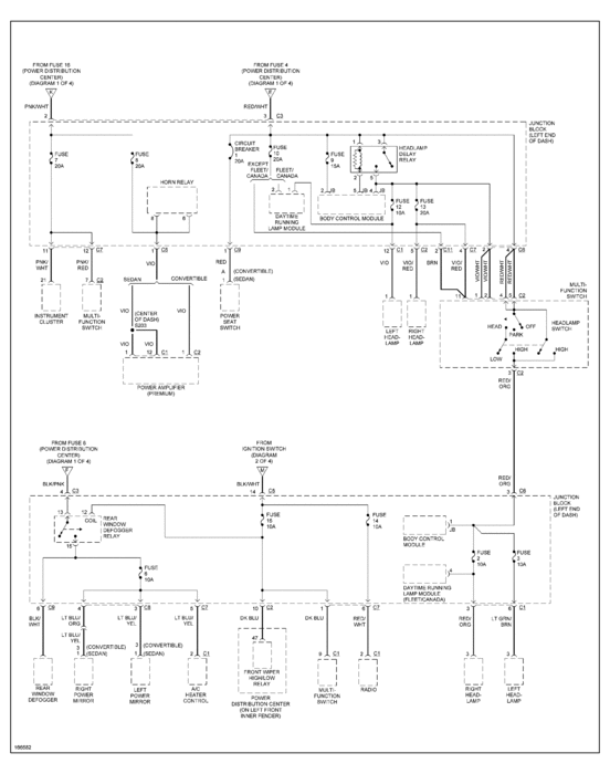
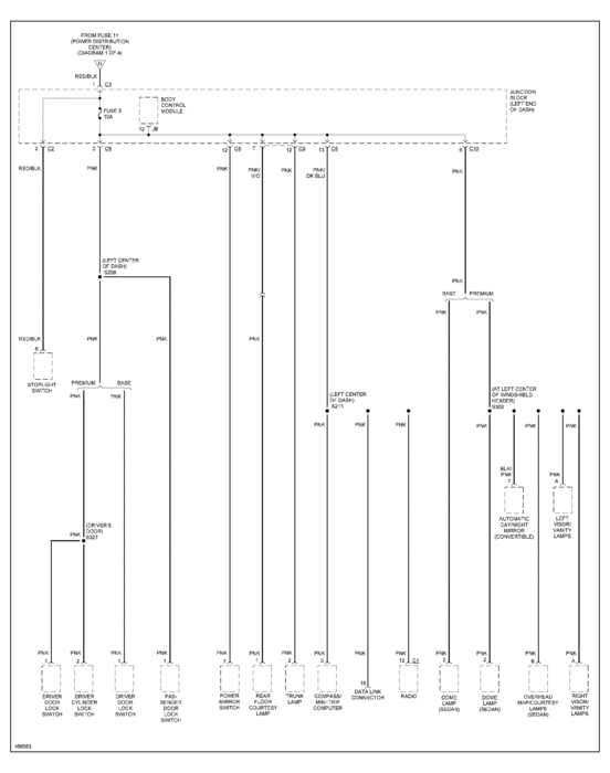
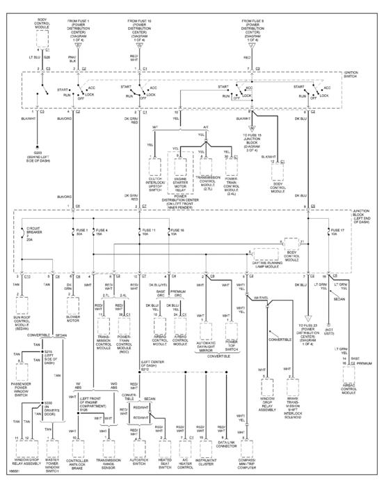
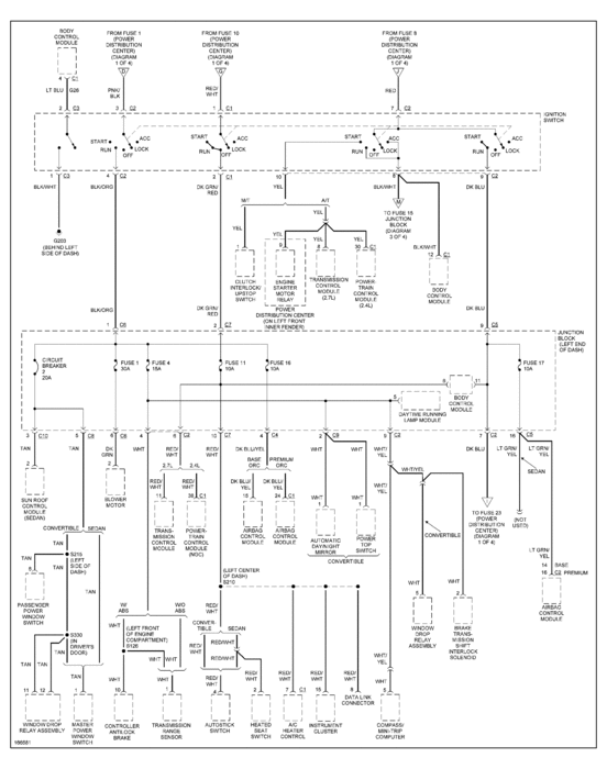
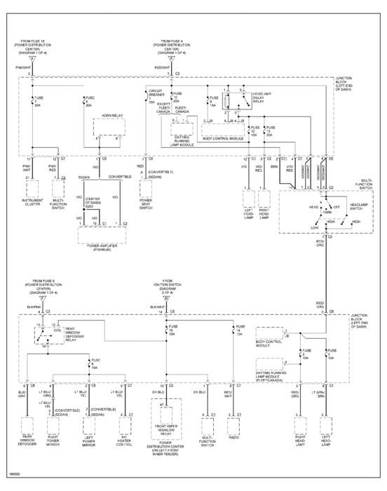
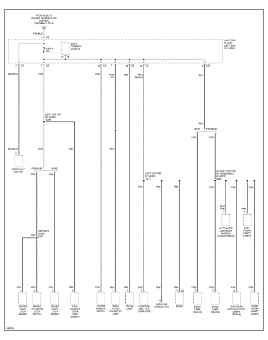
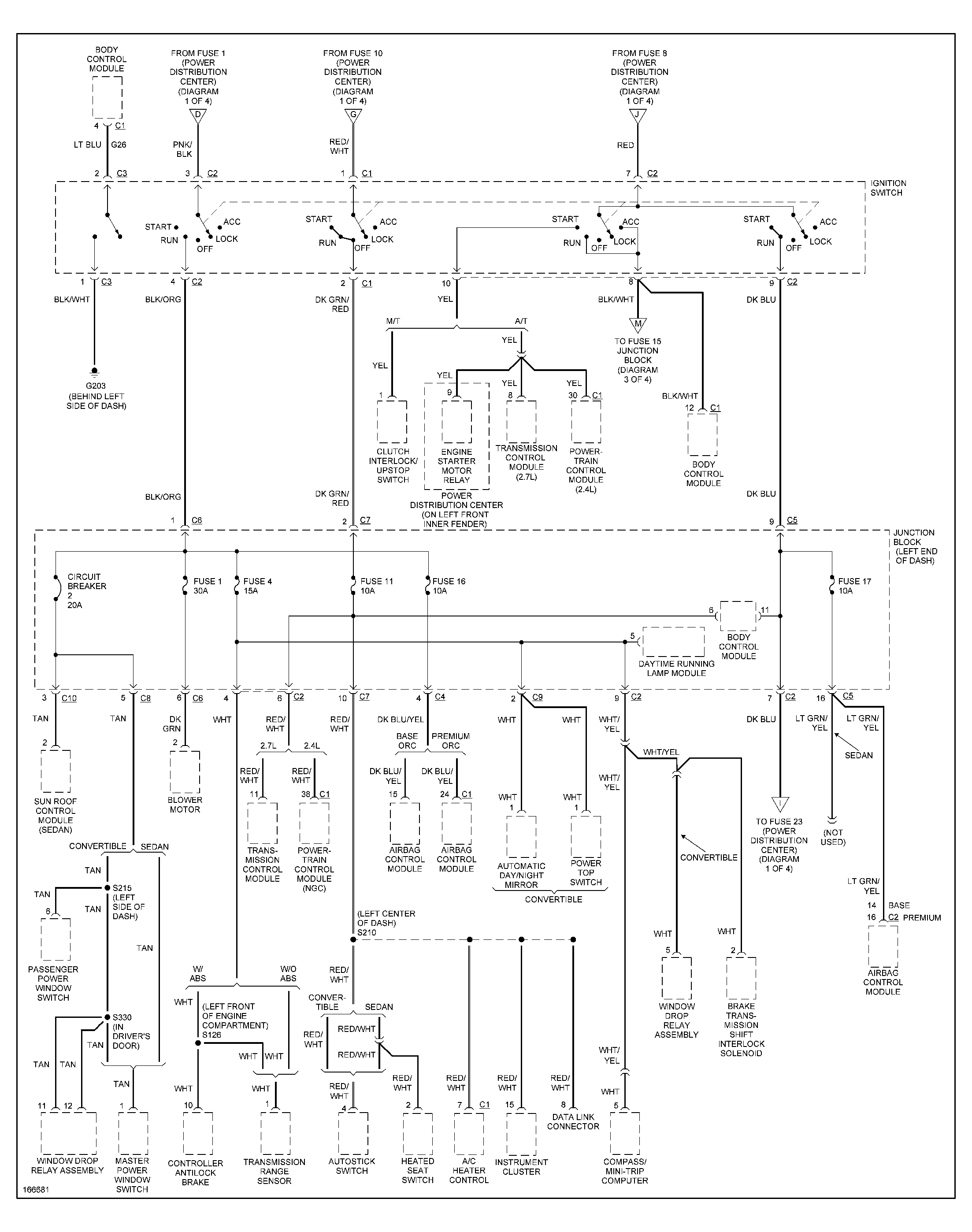
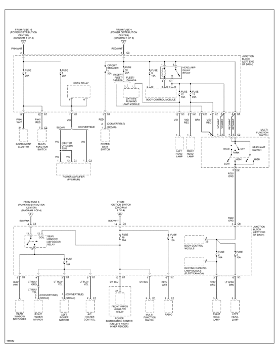
with key on and or engine running should have power and the fuse both side if not check and repair wiring harness and or power dist.
some pic to help in locating the problem
Images (Click to enlarge)
Apr 14, 2011 at 12:35 PM
Advertisement
Repair Safety Notice: This information is for general instructional purposes only. Vehicle repair can be dangerous. Verify all information, follow manufacturer service procedures, use proper tools and safety equipment, and consult a qualified repair shop when needed.