Wednesday, April 1st, 2015 AT 10:38 PM
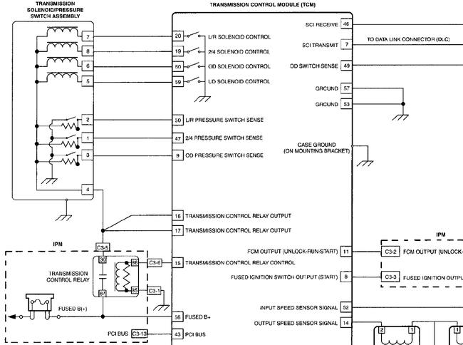
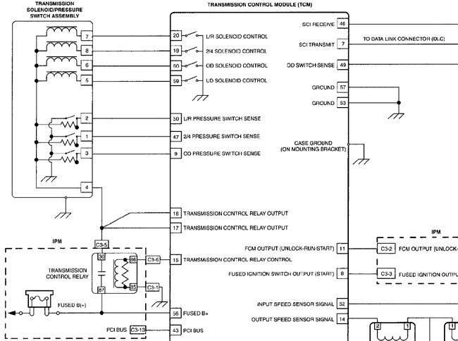
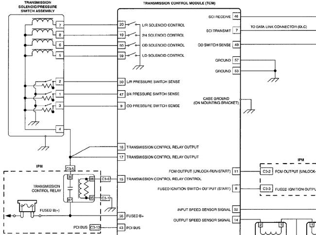
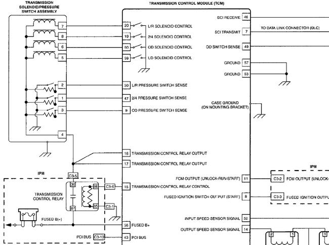
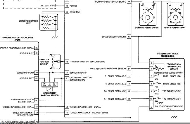
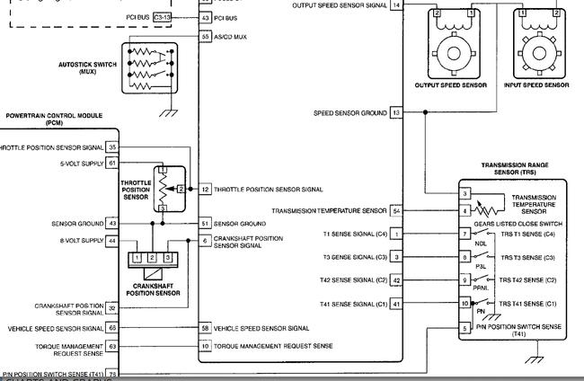
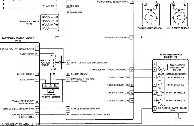
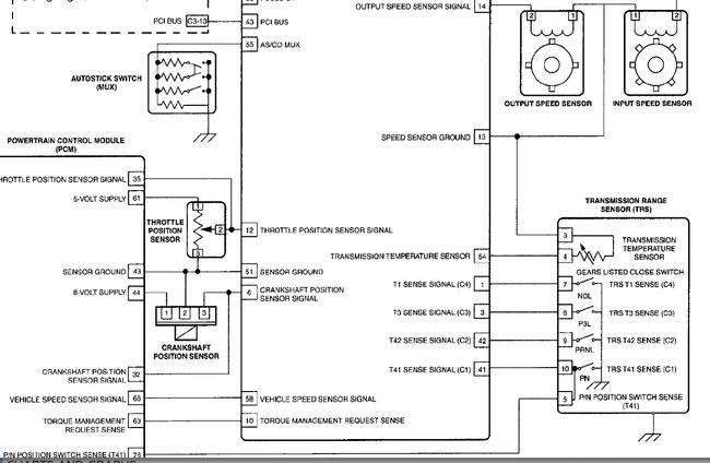
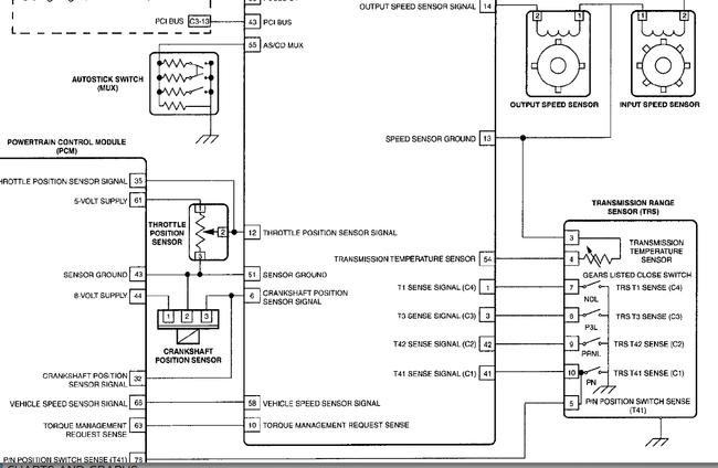
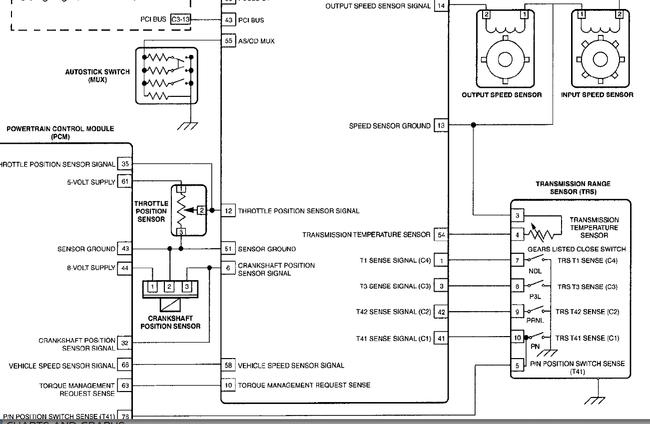
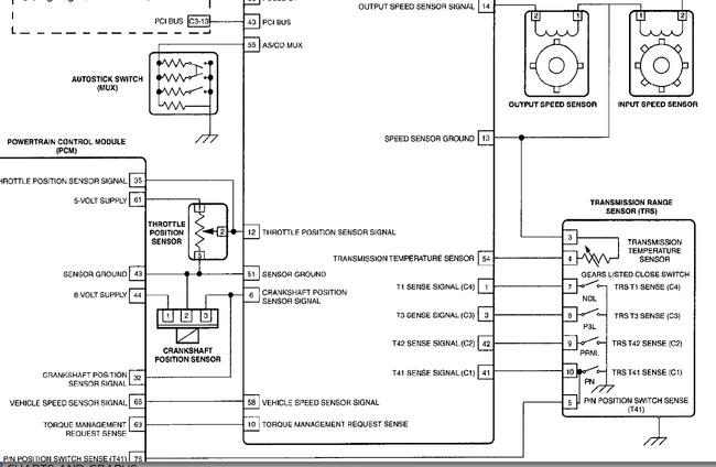
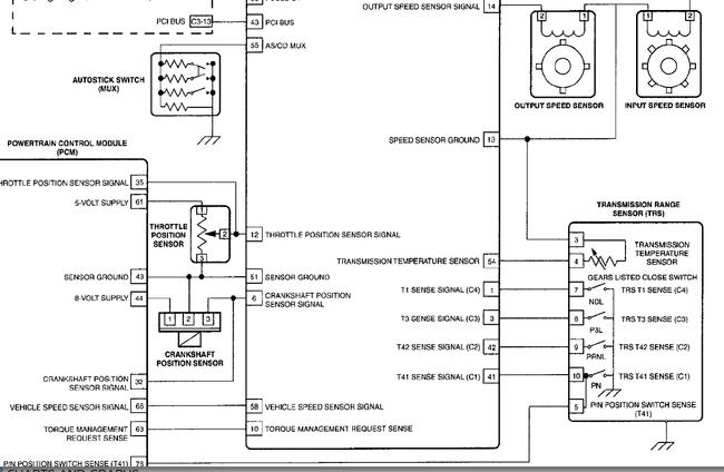
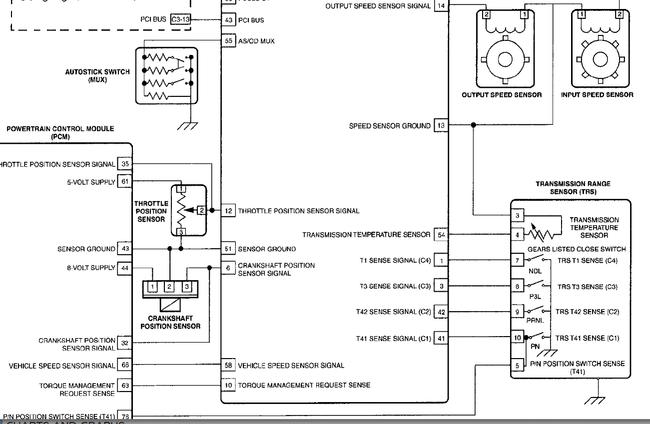
Vehicle stuck in "Limp Mode", airbag light on. No comm with airbag, or Transmission modules. Speedometer, fuel, and temp gauges all work, as do background lighting. Gear shift indicators ALL lit up (PRND21). New output and input speed sensors, replaced TCM. If battery is disconnected, shift indicators ALL go black, airbag light goes off. In 20 Seconds, airbag light comes on, as do shift indicators, simultaneously. (ALL light up) Swapped EATX relay with horn relay, horn works with either relay. All fuses good. I checked harness connectors at TCM, BCM, and ECM, no corrosion, no visible breaks. I have comm with ECM, BCM, yet not airbag and TCM. I think I may need some schematics. I believe the issue may lie in the BUS wires between the airbag and TCM modules. I just wish I knew what color these wires are so I can verify continuity!




