Why wont my 2003 Chrysler Town and Country limited turn on, it wont even crank

Tiny
MMANTIL36
  • MEMBER
  • 2003 CHRYSLER TOWN AND COUNTRY
  • 138,000 MILES
Wont turn on, all interior lights turn on all dash board lights turn on, power doors power locks radio heater everything work's just wont turn on wont even crank
Tuesday, March 27th, 2012 AT 3:03 AM

5 Replies

Tiny
DRCRANKNWRENCH
  • MECHANIC
  • 3,380 POSTS
Have you had the battery load tested? The battery might have 12 Volts without a load, but under load it may dropp to an un-useable level.
Here is a diagnostic walk through for your situation. Just follow the link below;

https://www.2carpros.com/articles/car-engine-will-not-crank-over
Was this
answer
helpful?
Yes
No
-1
Monday, August 31st, 2020 AT 1:12 PM
Tiny
MMANTIL36
  • MEMBER
  • 6 POSTS
Ok thank's well I read the link and the anti-theft system light on dash blinks when I try to turn it on. But don't know were the anti-theft system is located at on my van
Was this
answer
helpful?
Yes
No
+2
Monday, August 31st, 2020 AT 1:12 PM
Tiny
DRCRANKNWRENCH
  • MECHANIC
  • 3,380 POSTS
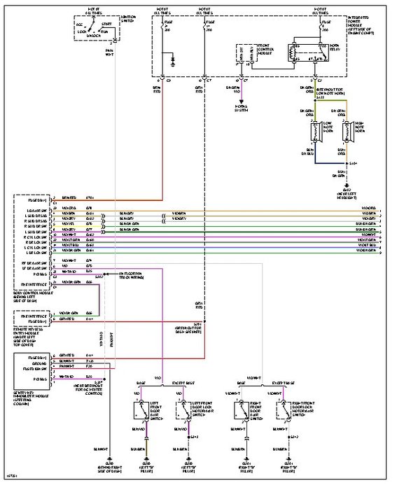
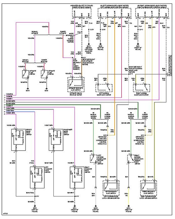
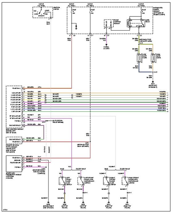
The anti-theft system is part of the, "body Control Module" which is located under the dash on driver's side. I attached the wiring diagrams and diagnosis sheet ofr it.
To reset and get the system to re-learn you need a scanning tool. You might, they are ambiguos about this as it seems to only apply to radio, need the radio code or anti-theft code that you should have gotten with car. A dealership can get it for you, but it might not be cheap.
You might try disconnecting the battery for a minute and see what that does.
The wiring diagrams can be laid out 1of2 on left and 2of2 on right while mathcin up wires to have a complete diagram. Use this to check for loose, corroded or bad wiring.
Was this
answer
helpful?
Yes
No
+1
Monday, August 31st, 2020 AT 1:12 PM
Tiny
MMANTIL36
  • MEMBER
  • 6 POSTS
Ok thank you will check on that and will get back to you.
Was this
answer
helpful?
Yes
No
+2
Monday, August 31st, 2020 AT 1:12 PM
Tiny
DRCRANKNWRENCH
  • MECHANIC
  • 3,380 POSTS
I will watch for your post.
Was this
answer
helpful?
Yes
No
Monday, August 31st, 2020 AT 1:13 PM

Please login or register to post a reply.