Power Window

2003 CHEVROLET VENTURE
150 MILES
Avatar
IRISHBUG
  • MEMBER
  • 1 POST
2003 Chevy Venture power window stuck down. Changed motor, switch and window regulator, none of which fixed the problem :( What else could it be???
Jan 3, 2011 at 12:57 AM
Repair Safety Notice: This information is for general instructional purposes only. Vehicle repair can be dangerous. Verify all information, follow manufacturer service procedures, use proper tools and safety equipment, and consult a qualified repair shop when needed.
Advertisement
Avatar
HMAC300
  • CAR REPAIR CONTRIBUTOR
  • 48,601 POSTS
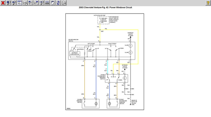
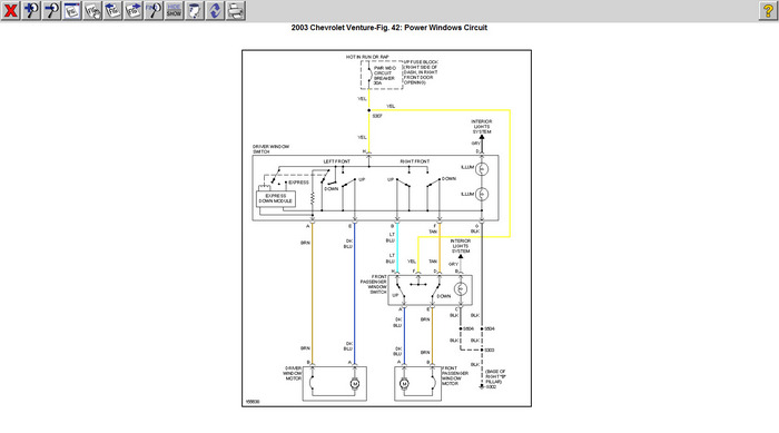
there is a 30amp circuit breaker that can be bad . it's on the right side of dash in thepassenger door opening. I'll send the window schematic along so if you are inclined you can check it. also check for broken wires in the door.
Jan 3, 2011 at 1:36 AM
Advertisement
Avatar
CARADIODOC
  • CAR REPAIR CONTRIBUTOR
  • 34,308 POSTS
Use a test light to check for voltage on the two motor wires. Neither wire should have any voltage until you press the switch. Depending on which way you press the switch, one wire or the other one will have voltage. If you find 0 volts on both wires when pressing the switch, or if you find voltage on both wires at the same time when pressing the switch, suspect a broken wire between the door hinges. On older common sense systems, that will also cause a problem with the passenger window from the driver's switch.

There is also a Body Computer involved in running the power windows. Since 2002 on some models though, common sense is gone. GM began building the Body Computer into the radio so you couldn't replace it with an aftermarket unit. Relays for this system are built into the window switches, so if you don't find any broken wires between the door hinges, suspect the Body Computer next.

caradiodoc
Jan 3, 2011 at 1:43 AM