PCV Valve

Tiny
MINENURS
  • MEMBER
  • 2003 CHEVROLET TAHOE
  • 5.3L
  • V8
  • 4WD
  • AUTOMATIC
  • 37,000 MILES
Replaced pcv valve and noticed there are no guts inside the new valve, I can see right through. Is this normal?
Friday, December 26th, 2014 AT 11:01 AM

5 Replies

Tiny
HMAC300
  • MECHANIC
  • 48,601 POSTS
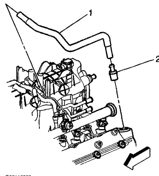
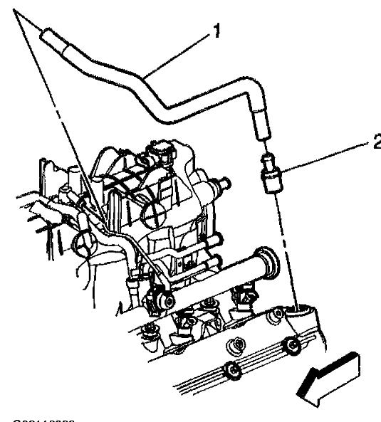
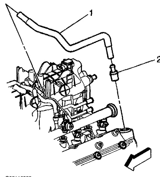
No that is not normal you need to replace the PCV valve. Check out the diagrams (Below). Please let us know if you need anything else to get the problem fixed.
Was this
answer
helpful?
Yes
No
Friday, December 26th, 2014 AT 11:59 AM
Tiny
BVPHELAN
  • MEMBER
  • 1 POST
  • 2003 CHEVROLET TAHOE
  • V8
  • 4WD
  • AUTOMATIC
  • 12,400 MILES
Where is the PCV valve on my model? Cant locate. My car will drop from 500 rpms to 250 and feel as though it is going to stall when stopped. I am cleaning out the in take butterfly and want to try and replace the PCV valve as well. I replaced the alternator 3 days ago and since then idling has been rough.

Thanks
Was this
answer
helpful?
Yes
No
Wednesday, December 9th, 2020 AT 8:58 AM (Merged)
Tiny
KENDOG130
  • MEMBER
  • 1 POST
I dont consider myself an excellent mechanic but that shure sounds like a vacum leak.I would double check all the vacume line and make shure u didnt bump one with your alternater installation.U wouldnt believe how rough your motor will run with just one hose off or broke
Was this
answer
helpful?
Yes
No
Wednesday, December 9th, 2020 AT 8:58 AM (Merged)
Tiny
FIRSTPOPPA
  • MEMBER
  • 1 POST
  • 2003 CHEVROLET TAHOE
  • V8
  • 2WD
  • AUTOMATIC
  • 121,500 MILES
So where do you find the PVC Valve? I cannot locate it!
Thanks
Was this
answer
helpful?
Yes
No
Wednesday, December 9th, 2020 AT 8:58 AM (Merged)
Tiny
RASMATAZ
  • MECHANIC
  • 75,992 POSTS
Left Side of the Engine Components. Check out the diagrams (Below). Please let us know if you need anything else to get the problem fixed.


https://www.2carpros.com/forum/automotive_pictures/12900_pcv_5.jpg

Was this
answer
helpful?
Yes
No
+1
Wednesday, December 9th, 2020 AT 8:58 AM (Merged)

Please login or register to post a reply.